J. Semicond. > 2015, Volume 36?>?Issue 9?> 093001

SEMICONDUCTOR MATERIALS

Extraction of the defect density of states in microcrystalline silicon from experimental results and simulation studies

T. Tibermacine1, A. Merazga2, M. Ledra1 and N. Ouhabab1

+ Author Affiliations

 Corresponding author: T. Tibermacine, tawfik_tiber@yahoo.fr

DOI: 10.1088/1674-4926/36/9/093001

PDF

Abstract: The constant photocurrent method in the ac-mode (ac-CPM) is used to determine the defect density of states (DOS) in hydrogenated microcrystalline silicon (μc-Si:H) prepared by very high frequency plasma-enhanced chemical vapor deposition (VHF-PECVD). The absorption coefficient spectrum (ac-α ()), is measured under ac-CPM conditions at 60 Hz. The measured ac-α () is converted by the CPM spectroscopy into a DOS distribution covering a portion in the lower energy range of occupied states. We have found that the density of valence band-tail states falls exponentially towards the gap with a typical band-tail width of 63 meV. Independently, computer simulations of the ac-CPM are developed using a DOS model that is consistent with the measured ac-α () in the present work and a previously measured transient photocurrent (TPC) for the same material. The DOS distribution model suggested by the measurements in the lower and in the upper part of the energy-gap, as well as by the numerical modelling in the middle part of the energy-gap, coincide reasonably well with the real DOS distribution in hydrogenated microcrystalline silicon because the computed ac-α () is found to agree satisfactorily with the measured ac-α ().

Key words: constant photocurrent methodoptical absorption spectrummicro-crystalline silicondefect density of states



[1]
[2]
[3]
[4]
[5]
[6]
[7]
[8]
[9]
[10]
[11]
[12]
[13]
[14]
[15]
[16]
[17]
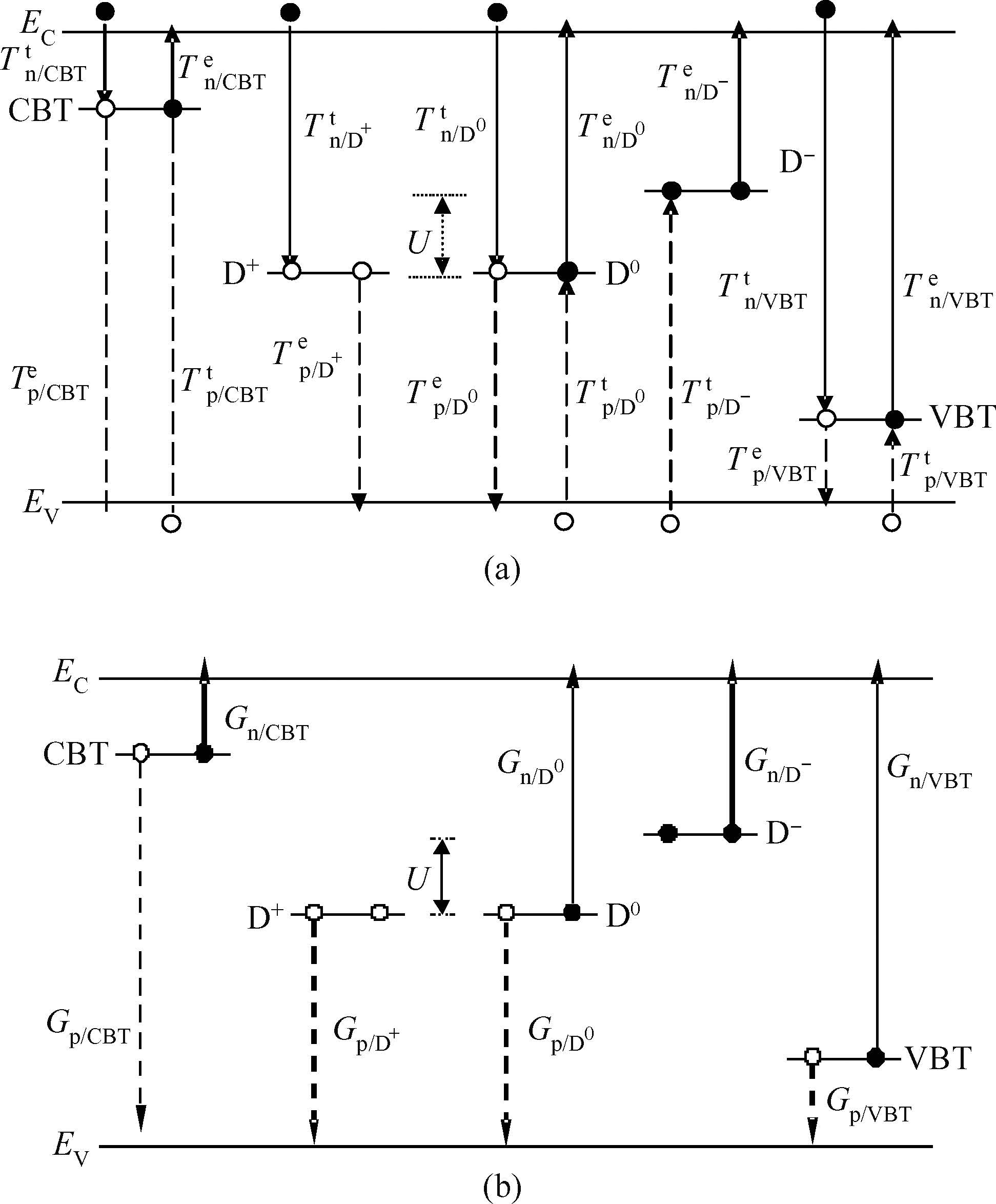
Fig1.  (a) Thermal and (b) optical carrier transitions involved in the CPM simulation.

Fig2.  ac-CPM set-up.

Fig3.  Absolute ac-CPM $\alpha (h \nu)$ spectrum measured at 60 Hz frequency for the 00c354 sample.

Fig4.  Extracted DOS distribution using our ac-CPM $\alpha (h \nu)$ measurements.

Fig5.  Measured and simulated absorption coefficients at a frequency of 60 Hz.

Fig6.  Derived DOS for the 00c354 sample.

DownLoad: CSV
DownLoad: CSV
DownLoad: CSV
DownLoad: CSV
DownLoad: CSV
DownLoad: CSV
DownLoad: CSV

Table 1.   Density of states parameters used for undoped $\mu $c-Si:H

DownLoad: CSV
[1]
[2]
[3]
[4]
[5]
[6]
[7]
[8]
[9]
[10]
[11]
[12]
[13]
[14]
[15]
[16]
[17]
  • Search

    Advanced Search >>

    GET CITATION

    shu

    Export: BibTex EndNote

    Article Metrics

    Article views: 2622 Times PDF downloads: 20 Times Cited by: 0 Times

    History

    Received: 19 January 2015 Revised: Online: Published: 01 September 2015

    Catalog

      Email This Article

      User name:
      Email:*請輸入正確郵箱
      Code:*驗證碼錯誤
      T. Tibermacine, A. Merazga, M. Ledra, N. Ouhabab. Extraction of the defect density of states in microcrystalline silicon from experimental results and simulation studies[J]. Journal of Semiconductors, 2015, 36(9): 093001. doi: 10.1088/1674-4926/36/9/093001 ****T. Tibermacine, A. Merazga, M. Ledra, N. Ouhabab. Extraction of the defect density of states in microcrystalline silicon from experimental results and simulation studies[J]. J. Semicond., 2015, 36(9): 093001. doi: 10.1088/1674-4926/36/9/093001.
      Citation:
      T. Tibermacine, A. Merazga, M. Ledra, N. Ouhabab. Extraction of the defect density of states in microcrystalline silicon from experimental results and simulation studies[J]. Journal of Semiconductors, 2015, 36(9): 093001. doi: 10.1088/1674-4926/36/9/093001 ****
      T. Tibermacine, A. Merazga, M. Ledra, N. Ouhabab. Extraction of the defect density of states in microcrystalline silicon from experimental results and simulation studies[J]. J. Semicond., 2015, 36(9): 093001. doi: 10.1088/1674-4926/36/9/093001.

      Extraction of the defect density of states in microcrystalline silicon from experimental results and simulation studies

      DOI: 10.1088/1674-4926/36/9/093001
      More Information
      • Corresponding author: T. Tibermacine, tawfik_tiber@yahoo.fr
      • Received Date: 2015-01-19
      • Accepted Date: 2015-04-17
      • Published Date: 2015-01-25

      Catalog

        /

        DownLoad:  Full-Size Img  PowerPoint
        Return
        Return