J. Semicond. > 2013, Volume 34?>?Issue 9?> 095006

SEMICONDUCTOR INTEGRATED CIRCUITS

W-band push-push monolithic frequency doubler in 1-μm InP DHBT technology

Hongfei Yao, Xiantai Wang, Danyu Wu, Yongbo Su, Yuxiong Cao, Ji Ge, Xiaoxi Ning and Zhi Jin

+ Author Affiliations

 Corresponding author: Jin Zhi, Email:jinzhi@ime.ac.cn

DOI: 10.1088/1674-4926/34/9/095006

PDF

Abstract: A W-band frequency doubler MMIC is designed and fabricated using 1-μm InP DHBT technology. Active balun is employed to transform the single-ended signal into differential output. Push-push configuration loaded with harmonic resonant network is utilized to acquire the second harmonic frequency. A multi-stage differential structure improves the conversion gain and suppresses the fundamental frequency. The MMIC occupies an area of 0.55×0.5 mm2 with 18 DHBTs integrated. Measurements show that the output power is above 5.8 dBm with the suppression of fundamental frequency below -16 dBc and the conversion gain above 4.7 dB over 75-80 GHz.

Key words: frequency doublerW-bandInPDHBTpush-push



[1]
Puyal V, Konczykowska A, Nouet P. DC-100-GHz frequency doublers in InP DHBT technology. IEEE Trans Microw Theory Tech, 2005, 53(4):1338 doi: 10.1109/TMTT.2005.845766
[2]
An D W, Yu W H, Lv X. Design and analysis of a 2 mm-band tripler based on quartz. J Infrared Millim Wave, 2011, 30(4):377
[3]
Yang T, Xiang X J, Wu W. Broad-band tripler of W-band. J Infrared Millim Wave, 2007, 26(3):161 http://en.cnki.com.cn/Article_en/CJFDTOTAL-HWYH200703000.htm
[4]
Jin Z, Su Y B, Cheng W. High current multi-finger InGaAs/InP double heterojunction bipolar transistor with the maximum oscillation frequency 253 GHz. Chin Phys Lett, 2008, 25(8):3075 doi: 10.1088/0256-307X/25/8/091
[5]
Cheng W, Jin Z, Yu J Y. Design of InGaAsP composite collector for InP DHBT. Chinese Journal of Semiconductors, 2007, 28(6):131 doi: 10.1143/JJAP.43.2243/pdf; jsessionid=8799A660736756D1964EA3A7687F8640.c3.iopscience.cld.iop.org
[6]
Cao Y X, Jin Z, Ge J. A symbolically defined InP double heterojunction bipolar transistor large-signal model. Journal of Semiconductors, 2009, 30(12):37 http://www.hi0543.cn/bdtxbcn/ch/reader/view_abstract.aspx?file_no=09060503&flag=1
[7]
Kobayashi K W, OKI A K, Tran L T. A 108-GHz InP-HBT monolithic push-push VCO with low phase noise and wide tuning bandwidth. IEEE J Solid-State Circuits, 1999, 34(9):1225 doi: 10.1109/4.782080
[8]
Li Q, Wang Z G, Li W. Design of 20-44 GHz broadband doubler MMIC. Journal of Semiconductors, 2010, 31(4):045012 doi: 10.1088/1674-4926/31/4/045012
[9]
Maas S A. Nonlinear microwave and RF circuits. Norwood, MA:Artech House, 2003 http://ci.nii.ac.jp/ncid/BA63628377
[10]
Hung J J, Hancock T M, Rebeiz G M. High-power high-efficiency SiGe Ku-and Ka-band balanced frequency doublers. IEEE Trans Microw Theory Tech, 2005, 53(2):754 doi: 10.1109/TMTT.2004.840615
[11]
Campos-Roca Y, Verweyen L, Fernández-Barciela M. 38/76 GHz PHEMT MMIC balanced frequency doublers in coplanar technology. IEEE Microw Wireless Compon Lett, 2000, 10(11):484 http://cat.inist.fr/?aModele=afficheN&cpsidt=819389
[12]
Liu G, Ulusoy A C, Trasser A. 60-80 GHz frequency doubler operating close to fmax. APMC, 2010:770
Fig. 1.  Progress cross section of InP DHBTs technology.

Fig. 2.  Electrical scheme of frequency doubler.

Fig. 3.  Frequency doubling core based on push-push configuration.

Fig. 4.  Collector current modeled as a train of rectified cosine pulses.

Fig. 5.  The collector currents of Q9, Q10.

Fig. 6.  Total collector current of the two transistors Q9, Q10 ($I_{\rm c1}+I_{\rm c2})$.

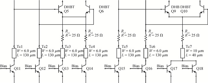
Fig. 7.  The stabilizing resistors and modeled inter-connecting lines between current sources and differential pairs.

Fig. 8.  Simulated (a) frequency spectrum and (b) wave form of the output signal.

Fig. 9.  Microphotograph of the MMIC frequency doubler (0.55 $\times$ 0.5 mm$^{2})$.

Fig. 10.  Test setup for on-wafer measurement of the W-band doubler.

Fig. 11.  Output spectrums of the frequency doubler when the input frequency is 40 GHz.

Fig. 12.  Output spectrums of the frequency doubler over 10 MHz-42 GHz when the input frequency is 40 GHz.

Fig. 13.  Measured output power, conversion gain and suppression of $f_{0}$ versus input power at 80 GHz.

Fig. 14.  Measured output power and conversion gain over 75-80 GHz.

Table 1.   Performance summary and comparison.

[1]
Puyal V, Konczykowska A, Nouet P. DC-100-GHz frequency doublers in InP DHBT technology. IEEE Trans Microw Theory Tech, 2005, 53(4):1338 doi: 10.1109/TMTT.2005.845766
[2]
An D W, Yu W H, Lv X. Design and analysis of a 2 mm-band tripler based on quartz. J Infrared Millim Wave, 2011, 30(4):377
[3]
Yang T, Xiang X J, Wu W. Broad-band tripler of W-band. J Infrared Millim Wave, 2007, 26(3):161 http://en.cnki.com.cn/Article_en/CJFDTOTAL-HWYH200703000.htm
[4]
Jin Z, Su Y B, Cheng W. High current multi-finger InGaAs/InP double heterojunction bipolar transistor with the maximum oscillation frequency 253 GHz. Chin Phys Lett, 2008, 25(8):3075 doi: 10.1088/0256-307X/25/8/091
[5]
Cheng W, Jin Z, Yu J Y. Design of InGaAsP composite collector for InP DHBT. Chinese Journal of Semiconductors, 2007, 28(6):131 doi: 10.1143/JJAP.43.2243/pdf; jsessionid=8799A660736756D1964EA3A7687F8640.c3.iopscience.cld.iop.org
[6]
Cao Y X, Jin Z, Ge J. A symbolically defined InP double heterojunction bipolar transistor large-signal model. Journal of Semiconductors, 2009, 30(12):37 http://www.hi0543.cn/bdtxbcn/ch/reader/view_abstract.aspx?file_no=09060503&flag=1
[7]
Kobayashi K W, OKI A K, Tran L T. A 108-GHz InP-HBT monolithic push-push VCO with low phase noise and wide tuning bandwidth. IEEE J Solid-State Circuits, 1999, 34(9):1225 doi: 10.1109/4.782080
[8]
Li Q, Wang Z G, Li W. Design of 20-44 GHz broadband doubler MMIC. Journal of Semiconductors, 2010, 31(4):045012 doi: 10.1088/1674-4926/31/4/045012
[9]
Maas S A. Nonlinear microwave and RF circuits. Norwood, MA:Artech House, 2003 http://ci.nii.ac.jp/ncid/BA63628377
[10]
Hung J J, Hancock T M, Rebeiz G M. High-power high-efficiency SiGe Ku-and Ka-band balanced frequency doublers. IEEE Trans Microw Theory Tech, 2005, 53(2):754 doi: 10.1109/TMTT.2004.840615
[11]
Campos-Roca Y, Verweyen L, Fernández-Barciela M. 38/76 GHz PHEMT MMIC balanced frequency doublers in coplanar technology. IEEE Microw Wireless Compon Lett, 2000, 10(11):484 http://cat.inist.fr/?aModele=afficheN&cpsidt=819389
[12]
Liu G, Ulusoy A C, Trasser A. 60-80 GHz frequency doubler operating close to fmax. APMC, 2010:770
  • Search

    Advanced Search >>

    GET CITATION

    shu

    Export: BibTex EndNote

    Article Metrics

    Article views: 3942 Times PDF downloads: 40 Times Cited by: 0 Times

    History

    Received: 06 February 2013 Revised: 26 March 2013 Online: Published: 01 September 2013

    Catalog

      Email This Article

      User name:
      Email:*請輸入正確郵箱
      Code:*驗證碼錯誤
      Hongfei Yao, Xiantai Wang, Danyu Wu, Yongbo Su, Yuxiong Cao, Ji Ge, Xiaoxi Ning, Zhi Jin. W-band push-push monolithic frequency doubler in 1-μm InP DHBT technology[J]. Journal of Semiconductors, 2013, 34(9): 095006. doi: 10.1088/1674-4926/34/9/095006 ****H F Yao, X T Wang, D Y Wu, Y B Su, Y X Cao, J Ge, X X Ning, Z Jin. W-band push-push monolithic frequency doubler in 1-μm InP DHBT technology[J]. J. Semicond., 2013, 34(9): 095006. doi: 10.1088/1674-4926/34/9/095006.
      Citation:
      Hongfei Yao, Xiantai Wang, Danyu Wu, Yongbo Su, Yuxiong Cao, Ji Ge, Xiaoxi Ning, Zhi Jin. W-band push-push monolithic frequency doubler in 1-μm InP DHBT technology[J]. Journal of Semiconductors, 2013, 34(9): 095006. doi: 10.1088/1674-4926/34/9/095006 ****
      H F Yao, X T Wang, D Y Wu, Y B Su, Y X Cao, J Ge, X X Ning, Z Jin. W-band push-push monolithic frequency doubler in 1-μm InP DHBT technology[J]. J. Semicond., 2013, 34(9): 095006. doi: 10.1088/1674-4926/34/9/095006.

      W-band push-push monolithic frequency doubler in 1-μm InP DHBT technology

      DOI: 10.1088/1674-4926/34/9/095006
      Funds:

      Project supported by the National Basic Research Program of China (No. 2010CB327502)

      the National Basic Research Program of China 2010CB327502

      More Information
      • Corresponding author: Jin Zhi, Email:jinzhi@ime.ac.cn
      • Received Date: 2013-02-06
      • Revised Date: 2013-03-26
      • Published Date: 2013-09-01

      Catalog

        /

        DownLoad:  Full-Size Img  PowerPoint
        Return
        Return