SEMICONDUCTOR INTEGRATED CIRCUITS
Jinpeng Shen, Bo Wang, Shan Liu, Xin'an Wang, Zhengkun Ruan and Shoucheng Li
Corresponding author: Wang Xin'an, Email:wangxa@szpku.edu.cn
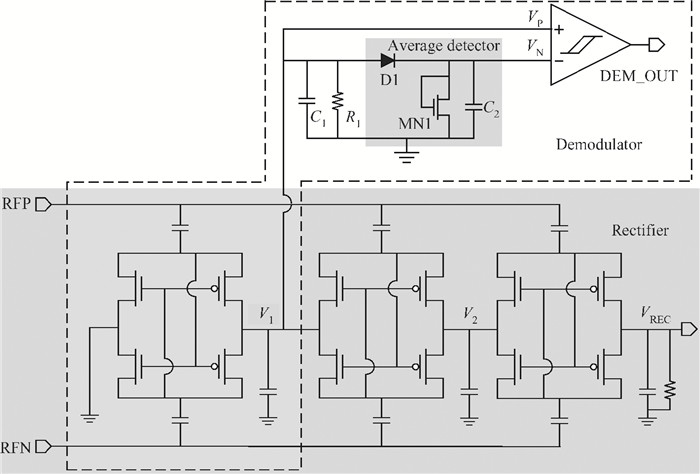
Abstract: This paper presents a passive UHF RFID tag with a dynamic-Vth-cancellation (DVC) rectifier. In the rectifier, the threshold voltages of MOSFETs are cancelled by applying gate bias voltages, which are dynamically changed according to the states of the MOSFETs. The DVC rectifier enables both low ON-resistance and small reverse leakage of the MOSFETs, resulting in high power conversion efficiency (PCE). An area-efficient demodulator with a novel average detector is also designed, which takes advantage of the rectifier's first stage as the envelope detector. The whole tag chip is implemented in a 0.18 μm CMOS process with a die size of 880×950 μm2. Measurement results show that the rectifier achieves a maximum PCE of 53.7% with 80 kΩ resistor load.
Key words: UHF RFID tag, rectifier, demodulator, PCE
| [1] |
Glidden R, Bockorick C, Cooper S, et al. Design of ultra-low-cost UHF RFID tags for supply chain applications. IEEE Commun Mag, 2004, 42(8):140 doi: 10.1109/MCOM.2004.1321406
|
| [2] |
Tseng J D, Wang W D, Ko R J. An UHF band RFID vehicle management system. IEEE International Workshop on Anti-counterfeiting, Security, Identification, 2007:390 http://ieeexplore.ieee.org/document/4244854/?arnumber=4244854
|
| [3] |
Chumkamon S, Tuvaphanthaphiphat P, Keeratiwintakorn P. A blind navigation system using RFID for indoor environments. ECTI-CON, 2008:765 http://ieeexplore.ieee.org/document/4600543/?arnumber=4600543&queryText=blind%20navigation&sortType=desc_p_Citation_Count
|
| [4] |
Rao K V S, Nikitin P V, Lam S. Antenna design for UHF RFID tags:a review and a practical application. IEEE Trans Antennas and Propagation, 2005, 53(12):3870 doi: 10.1109/TAP.2005.859919
|
| [5] |
Tran N, Lee B, Lee J W. Development of long-range UHF-band RFID tag chip using Schottky diodes in standard CMOS technology. IEEE Radio Frequency Integrated Circuits Symposium, 2007:281 http://ieeexplore.ieee.org/document/4266431/
|
| [6] |
Bergeret E, Gaubert J, Pannier P. Standard CMOS voltage multipliers architectures for UHF RFID applications:study and implementation. IEEE International Conference on RFID, 2007:115 http://ieeexplore.ieee.org/document/4143519/
|
| [7] |
Curty J P, Joehl N, Krummenacher F, et al. A model for μ-power rectifier analysis and design. IEEE Trans Circuits Syst Ⅰ, 2005, 52(12):2771 doi: 10.1109/TCSI.2005.854294
|
| [8] |
Bergeret E, Gaubert J, Pannier P, et al. Modeling and design of CMOS UHF voltage multiplier for RFID in an EEPROM compatible process. IEEE Trans Circuits Syst Ⅱ:Express Briefs, 2007, 54(10):833 doi: 10.1109/TCSII.2007.902222
|
| [9] |
Umeda T, Yoshida H, Sekine S, et al. A 950-MHz rectifier circuit for sensor network tags with 10-m distance. IEEE J Solid-State Circuits, 2006, 41(1):35 doi: 10.1109/JSSC.2005.858620
|
| [10] |
Nakamoto H, Yamazaki D, Yamamoto T, et al. A passive UHF RF identification CMOS tag IC using ferroelectric RAM in 0.35-μm technology. IEEE J Solid-State Circuits, 2007, 42(1):101 doi: 10.1109/JSSC.2006.886523
|
| [11] |
Kotani K, Ito T. High efficiency CMOS rectifier circuit with self-Vth-cancellation and power regulation functions for UHF RFIDs. IEEE ASSCC, 2007:119
|
| [12] |
Kotani K, Ito T. Self-Vth-cancellation high-efficiency CMOS rectifier circuit for UHF RFIDs. IEICE Trans Electron, 2009, E92-C(1):153
|
| [13] |
Yi J, Ki W, Tsui C. Analysis and design strategy of UHF micro-power CMOS rectifiers for micro-sensor and RFID applications. IEEE Trans Circuits Syst Ⅰ:Regular Papers, 2007, 54(1):153 doi: 10.1109/TCSI.2006.887974
|
| [14] |
Hsia M L, Tsai Y S, Chen O T C. An UHF passive RFID transponder using a low-power clock generator without passive components. IEEE MWSCAS, 2006:11 https://www.infona.pl/resource/bwmeta1.element.ieee-art-000004267273
|
| [15] |
Chen Liying, Wu Shunhua, Mao Luhong, et al. Design of an analog front end for passive UHF RFID transponder IC. Chinese Journal of Semiconductors, 2007, 28(5):686
|
| [16] |
Karthaus U, Fischer M. Fully integrated passive UHF RFID transponder IC with 16.7μW minimum RF input power. IEEE J Solid-State Circuits, 2003, 38(10):1602 doi: 10.1109/JSSC.2003.817249
|
Table 1. Result comparison.
|
| [1] |
Glidden R, Bockorick C, Cooper S, et al. Design of ultra-low-cost UHF RFID tags for supply chain applications. IEEE Commun Mag, 2004, 42(8):140 doi: 10.1109/MCOM.2004.1321406
|
| [2] |
Tseng J D, Wang W D, Ko R J. An UHF band RFID vehicle management system. IEEE International Workshop on Anti-counterfeiting, Security, Identification, 2007:390 http://ieeexplore.ieee.org/document/4244854/?arnumber=4244854
|
| [3] |
Chumkamon S, Tuvaphanthaphiphat P, Keeratiwintakorn P. A blind navigation system using RFID for indoor environments. ECTI-CON, 2008:765 http://ieeexplore.ieee.org/document/4600543/?arnumber=4600543&queryText=blind%20navigation&sortType=desc_p_Citation_Count
|
| [4] |
Rao K V S, Nikitin P V, Lam S. Antenna design for UHF RFID tags:a review and a practical application. IEEE Trans Antennas and Propagation, 2005, 53(12):3870 doi: 10.1109/TAP.2005.859919
|
| [5] |
Tran N, Lee B, Lee J W. Development of long-range UHF-band RFID tag chip using Schottky diodes in standard CMOS technology. IEEE Radio Frequency Integrated Circuits Symposium, 2007:281 http://ieeexplore.ieee.org/document/4266431/
|
| [6] |
Bergeret E, Gaubert J, Pannier P. Standard CMOS voltage multipliers architectures for UHF RFID applications:study and implementation. IEEE International Conference on RFID, 2007:115 http://ieeexplore.ieee.org/document/4143519/
|
| [7] |
Curty J P, Joehl N, Krummenacher F, et al. A model for μ-power rectifier analysis and design. IEEE Trans Circuits Syst Ⅰ, 2005, 52(12):2771 doi: 10.1109/TCSI.2005.854294
|
| [8] |
Bergeret E, Gaubert J, Pannier P, et al. Modeling and design of CMOS UHF voltage multiplier for RFID in an EEPROM compatible process. IEEE Trans Circuits Syst Ⅱ:Express Briefs, 2007, 54(10):833 doi: 10.1109/TCSII.2007.902222
|
| [9] |
Umeda T, Yoshida H, Sekine S, et al. A 950-MHz rectifier circuit for sensor network tags with 10-m distance. IEEE J Solid-State Circuits, 2006, 41(1):35 doi: 10.1109/JSSC.2005.858620
|
| [10] |
Nakamoto H, Yamazaki D, Yamamoto T, et al. A passive UHF RF identification CMOS tag IC using ferroelectric RAM in 0.35-μm technology. IEEE J Solid-State Circuits, 2007, 42(1):101 doi: 10.1109/JSSC.2006.886523
|
| [11] |
Kotani K, Ito T. High efficiency CMOS rectifier circuit with self-Vth-cancellation and power regulation functions for UHF RFIDs. IEEE ASSCC, 2007:119
|
| [12] |
Kotani K, Ito T. Self-Vth-cancellation high-efficiency CMOS rectifier circuit for UHF RFIDs. IEICE Trans Electron, 2009, E92-C(1):153
|
| [13] |
Yi J, Ki W, Tsui C. Analysis and design strategy of UHF micro-power CMOS rectifiers for micro-sensor and RFID applications. IEEE Trans Circuits Syst Ⅰ:Regular Papers, 2007, 54(1):153 doi: 10.1109/TCSI.2006.887974
|
| [14] |
Hsia M L, Tsai Y S, Chen O T C. An UHF passive RFID transponder using a low-power clock generator without passive components. IEEE MWSCAS, 2006:11 https://www.infona.pl/resource/bwmeta1.element.ieee-art-000004267273
|
| [15] |
Chen Liying, Wu Shunhua, Mao Luhong, et al. Design of an analog front end for passive UHF RFID transponder IC. Chinese Journal of Semiconductors, 2007, 28(5):686
|
| [16] |
Karthaus U, Fischer M. Fully integrated passive UHF RFID transponder IC with 16.7μW minimum RF input power. IEEE J Solid-State Circuits, 2003, 38(10):1602 doi: 10.1109/JSSC.2003.817249
|
Article views: 3297 Times PDF downloads: 21 Times Cited by: 0 Times
Received: 02 February 2013 Revised: 19 March 2013 Online: Published: 01 September 2013
| Citation: |
Jinpeng Shen, Bo Wang, Shan Liu, Xin'an Wang, Zhengkun Ruan, Shoucheng Li. A passive UHF RFID tag with a dynamic-Vth-cancellation rectifier[J]. Journal of Semiconductors, 2013, 34(9): 095005. doi: 10.1088/1674-4926/34/9/095005
****
J P Shen, B Wang, S Liu, X Wang, Z K Ruan, S C Li. A passive UHF RFID tag with a dynamic-Vth-cancellation rectifier[J]. J. Semicond., 2013, 34(9): 095005. doi: 10.1088/1674-4926/34/9/095005.
|
| [1] |
Glidden R, Bockorick C, Cooper S, et al. Design of ultra-low-cost UHF RFID tags for supply chain applications. IEEE Commun Mag, 2004, 42(8):140 doi: 10.1109/MCOM.2004.1321406
|
| [2] |
Tseng J D, Wang W D, Ko R J. An UHF band RFID vehicle management system. IEEE International Workshop on Anti-counterfeiting, Security, Identification, 2007:390 http://ieeexplore.ieee.org/document/4244854/?arnumber=4244854
|
| [3] |
Chumkamon S, Tuvaphanthaphiphat P, Keeratiwintakorn P. A blind navigation system using RFID for indoor environments. ECTI-CON, 2008:765 http://ieeexplore.ieee.org/document/4600543/?arnumber=4600543&queryText=blind%20navigation&sortType=desc_p_Citation_Count
|
| [4] |
Rao K V S, Nikitin P V, Lam S. Antenna design for UHF RFID tags:a review and a practical application. IEEE Trans Antennas and Propagation, 2005, 53(12):3870 doi: 10.1109/TAP.2005.859919
|
| [5] |
Tran N, Lee B, Lee J W. Development of long-range UHF-band RFID tag chip using Schottky diodes in standard CMOS technology. IEEE Radio Frequency Integrated Circuits Symposium, 2007:281 http://ieeexplore.ieee.org/document/4266431/
|
| [6] |
Bergeret E, Gaubert J, Pannier P. Standard CMOS voltage multipliers architectures for UHF RFID applications:study and implementation. IEEE International Conference on RFID, 2007:115 http://ieeexplore.ieee.org/document/4143519/
|
| [7] |
Curty J P, Joehl N, Krummenacher F, et al. A model for μ-power rectifier analysis and design. IEEE Trans Circuits Syst Ⅰ, 2005, 52(12):2771 doi: 10.1109/TCSI.2005.854294
|
| [8] |
Bergeret E, Gaubert J, Pannier P, et al. Modeling and design of CMOS UHF voltage multiplier for RFID in an EEPROM compatible process. IEEE Trans Circuits Syst Ⅱ:Express Briefs, 2007, 54(10):833 doi: 10.1109/TCSII.2007.902222
|
| [9] |
Umeda T, Yoshida H, Sekine S, et al. A 950-MHz rectifier circuit for sensor network tags with 10-m distance. IEEE J Solid-State Circuits, 2006, 41(1):35 doi: 10.1109/JSSC.2005.858620
|
| [10] |
Nakamoto H, Yamazaki D, Yamamoto T, et al. A passive UHF RF identification CMOS tag IC using ferroelectric RAM in 0.35-μm technology. IEEE J Solid-State Circuits, 2007, 42(1):101 doi: 10.1109/JSSC.2006.886523
|
| [11] |
Kotani K, Ito T. High efficiency CMOS rectifier circuit with self-Vth-cancellation and power regulation functions for UHF RFIDs. IEEE ASSCC, 2007:119
|
| [12] |
Kotani K, Ito T. Self-Vth-cancellation high-efficiency CMOS rectifier circuit for UHF RFIDs. IEICE Trans Electron, 2009, E92-C(1):153
|
| [13] |
Yi J, Ki W, Tsui C. Analysis and design strategy of UHF micro-power CMOS rectifiers for micro-sensor and RFID applications. IEEE Trans Circuits Syst Ⅰ:Regular Papers, 2007, 54(1):153 doi: 10.1109/TCSI.2006.887974
|
| [14] |
Hsia M L, Tsai Y S, Chen O T C. An UHF passive RFID transponder using a low-power clock generator without passive components. IEEE MWSCAS, 2006:11 https://www.infona.pl/resource/bwmeta1.element.ieee-art-000004267273
|
| [15] |
Chen Liying, Wu Shunhua, Mao Luhong, et al. Design of an analog front end for passive UHF RFID transponder IC. Chinese Journal of Semiconductors, 2007, 28(5):686
|
| [16] |
Karthaus U, Fischer M. Fully integrated passive UHF RFID transponder IC with 16.7μW minimum RF input power. IEEE J Solid-State Circuits, 2003, 38(10):1602 doi: 10.1109/JSSC.2003.817249
|
Journal of Semiconductors © 2017 All Rights Reserved 京ICP備05085259號-2