SEMICONDUCTOR INTEGRATED CIRCUITS
Xin Wang, Tao Cheng, Jie Liu and Zhangwen Tang
Corresponding author: Tang Zhangwen, Email:zwtang54@fudan.edu.cn
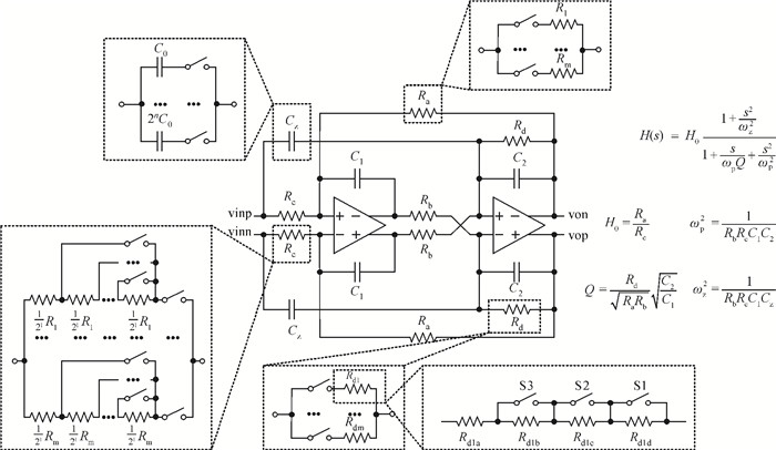
Abstract: This paper presents a channel-select filter that employs an active-RC bi-quad structure for TV-tuner application. A design method to optimize the ⅡP3 of the bi-quad is developed. Multi-band selection and gain adjustment are implemented using switching resistors in the resistor array and capacitors in the capacitor array. Q-factor degradation is compensated by a tuning segmented resistor. A feed-forward OTA with high gain and low third-order distortion is applied in the bi-quad to maximize linearity performance and minimize area by avoiding extra compensation capacitor use. An RC tuning circuit and DC offset cancellation circuit are designed to overcome the process variation and DC offset, respectively. The experimental results yield an in-band ⅡP3 of more than 31 dBm at 0 dB gain, a 54 dB gain range with 6 dB gain step, and a continuous frequency tuning range from 0.25 to 4 MHz. The in-band ripple is less than 1.4 dB at high gain mode, while the gain error and frequency tuning error are no more than 3.4% and 5%, respectively. The design, which is fabricated in a 0.18 μm CMOS process, consumes 12.6 mW power at a 1.8 V supply and occupies 1.28 mm2.
Key words: channel select filter, high linearity, gain adjustable, multi-band, TV tuner
| [1] |
Namgoong W, Meng T H. Direct-conversion RF receiver design. IEEE Trans Commun, 2001, 49:518 doi: 10.1109/26.911459
|
| [2] |
Chang J H, Kim H, Choi J H, et al. A multistandard multiband mobile TV RF SoC in 65 nm CMOS. IEEE ISSCC Dig of Tec Papers, 2010:462 http://ieeexplore.ieee.org/document/5433847/
|
| [3] |
Antoine P, Bauser P, Beaulaton H, et al. A direct-conversion receiver for DVB-H. IEEE J Solid-State Circuits, 2005, 40(12):2536 http://ieeexplore.ieee.org/document/1546229/
|
| [4] |
Wang W, Chang X, Wang X, et al. A 4th-order reconfigurable analog baseband filter for software-defined radio applications. Journal of Semiconductors, 2011, 32(4):045008 doi: 10.1088/1674-4926/32/4/045008
|
| [5] |
Zou L, Liao Y, Tang Z. An eighth order channel selection filter for low-IF and zero-IF DVB tuner applications. Journal of Semiconductors, 2009, 30(11):115002 doi: 10.1088/1674-4926/30/11/115002
|
| [6] |
Wambacq P, Sansen W M C. Distortion analysis of analog integrated circuits. Springer, 1998
|
| [7] |
Palaskas Y, Tsividis Y. Dynamic range optimization of weakly nonlinear, fully balanced, Gm-C filters with power dissipation constraints. IEEE Trans Circuits Syst Ⅱ:Analog and Digital Signal Processing, 2003, 50(10):714 doi: 10.1109/TCSII.2003.818365
|
| [8] |
Meghdadi M, Bakhtiar M S. Analysis and optimization of SFDR in differential active-RC filters. IEEE Trans Circuits Syst Ⅰ:Regular Papers, 2012, 59(6):1168 doi: 10.1109/TCSI.2011.2173388
|
| [9] |
Schaumann R, the late Valkenburg M E V. Design of analog filters. Oxford University Press, USA, 2001
|
| [10] |
Amir-Aslanzadeh H, Pankratz E J, Sanchez-Sinencio E. A 1-V +31 dBm ⅡP3, reconfigurable, continuously tunable, power-adjustable active-RC LPF. IEEE J Solid-State Circuits, 2009, 44(2):495 doi: 10.1109/JSSC.2008.2011037
|
| [11] |
Harrison J, Weste N. A 500 MHz CMOS anti-alias filter using feed-forward op-amps with local common-mode feedback. IEEE ISSCC Dig Tec Papers, 2003:132 http://ieeexplore.ieee.org/document/1234236/
|
| [12] |
Krishnapura N, Agrawal A, Singh S. A High-ⅡP3 third-order elliptic filter with current-efficient feedforward-compensated opamps. IEEE Trans Circuits Syst Ⅱ:Express Briefs, 2011, 58(4):205 doi: 10.1109/TCSII.2011.2124571
|
| [13] |
Mak P I, Seng-Pan U, Martins R P. On the design of a programmable-gain amplifier with built-in compact DC-offset cancellers for very low-voltage WLAN systems. IEEE Trans Circuits Syst Ⅰ:Regular Papers, 2008, 55(2):496 doi: 10.1109/TCSI.2007.910643
|
Table 1. Comparison to recently published work.
|
Table 2. Comparison to recently published work.
|
| [1] |
Namgoong W, Meng T H. Direct-conversion RF receiver design. IEEE Trans Commun, 2001, 49:518 doi: 10.1109/26.911459
|
| [2] |
Chang J H, Kim H, Choi J H, et al. A multistandard multiband mobile TV RF SoC in 65 nm CMOS. IEEE ISSCC Dig of Tec Papers, 2010:462 http://ieeexplore.ieee.org/document/5433847/
|
| [3] |
Antoine P, Bauser P, Beaulaton H, et al. A direct-conversion receiver for DVB-H. IEEE J Solid-State Circuits, 2005, 40(12):2536 http://ieeexplore.ieee.org/document/1546229/
|
| [4] |
Wang W, Chang X, Wang X, et al. A 4th-order reconfigurable analog baseband filter for software-defined radio applications. Journal of Semiconductors, 2011, 32(4):045008 doi: 10.1088/1674-4926/32/4/045008
|
| [5] |
Zou L, Liao Y, Tang Z. An eighth order channel selection filter for low-IF and zero-IF DVB tuner applications. Journal of Semiconductors, 2009, 30(11):115002 doi: 10.1088/1674-4926/30/11/115002
|
| [6] |
Wambacq P, Sansen W M C. Distortion analysis of analog integrated circuits. Springer, 1998
|
| [7] |
Palaskas Y, Tsividis Y. Dynamic range optimization of weakly nonlinear, fully balanced, Gm-C filters with power dissipation constraints. IEEE Trans Circuits Syst Ⅱ:Analog and Digital Signal Processing, 2003, 50(10):714 doi: 10.1109/TCSII.2003.818365
|
| [8] |
Meghdadi M, Bakhtiar M S. Analysis and optimization of SFDR in differential active-RC filters. IEEE Trans Circuits Syst Ⅰ:Regular Papers, 2012, 59(6):1168 doi: 10.1109/TCSI.2011.2173388
|
| [9] |
Schaumann R, the late Valkenburg M E V. Design of analog filters. Oxford University Press, USA, 2001
|
| [10] |
Amir-Aslanzadeh H, Pankratz E J, Sanchez-Sinencio E. A 1-V +31 dBm ⅡP3, reconfigurable, continuously tunable, power-adjustable active-RC LPF. IEEE J Solid-State Circuits, 2009, 44(2):495 doi: 10.1109/JSSC.2008.2011037
|
| [11] |
Harrison J, Weste N. A 500 MHz CMOS anti-alias filter using feed-forward op-amps with local common-mode feedback. IEEE ISSCC Dig Tec Papers, 2003:132 http://ieeexplore.ieee.org/document/1234236/
|
| [12] |
Krishnapura N, Agrawal A, Singh S. A High-ⅡP3 third-order elliptic filter with current-efficient feedforward-compensated opamps. IEEE Trans Circuits Syst Ⅱ:Express Briefs, 2011, 58(4):205 doi: 10.1109/TCSII.2011.2124571
|
| [13] |
Mak P I, Seng-Pan U, Martins R P. On the design of a programmable-gain amplifier with built-in compact DC-offset cancellers for very low-voltage WLAN systems. IEEE Trans Circuits Syst Ⅰ:Regular Papers, 2008, 55(2):496 doi: 10.1109/TCSI.2007.910643
|
Article views: 3024 Times PDF downloads: 17 Times Cited by: 0 Times
Received: 26 February 2013 Revised: 03 April 2013 Online: Published: 01 September 2013
| Citation: |
Xin Wang, Tao Cheng, Jie Liu, Zhangwen Tang. A high linearity multi-band and gain adjustable channel-select filter for TV-tuner application[J]. Journal of Semiconductors, 2013, 34(9): 095007. doi: 10.1088/1674-4926/34/9/095007
****
X Wang, T Cheng, J Liu, Z W Tang. A high linearity multi-band and gain adjustable channel-select filter for TV-tuner application[J]. J. Semicond., 2013, 34(9): 095007. doi: 10.1088/1674-4926/34/9/095007.
|
| [1] |
Namgoong W, Meng T H. Direct-conversion RF receiver design. IEEE Trans Commun, 2001, 49:518 doi: 10.1109/26.911459
|
| [2] |
Chang J H, Kim H, Choi J H, et al. A multistandard multiband mobile TV RF SoC in 65 nm CMOS. IEEE ISSCC Dig of Tec Papers, 2010:462 http://ieeexplore.ieee.org/document/5433847/
|
| [3] |
Antoine P, Bauser P, Beaulaton H, et al. A direct-conversion receiver for DVB-H. IEEE J Solid-State Circuits, 2005, 40(12):2536 http://ieeexplore.ieee.org/document/1546229/
|
| [4] |
Wang W, Chang X, Wang X, et al. A 4th-order reconfigurable analog baseband filter for software-defined radio applications. Journal of Semiconductors, 2011, 32(4):045008 doi: 10.1088/1674-4926/32/4/045008
|
| [5] |
Zou L, Liao Y, Tang Z. An eighth order channel selection filter for low-IF and zero-IF DVB tuner applications. Journal of Semiconductors, 2009, 30(11):115002 doi: 10.1088/1674-4926/30/11/115002
|
| [6] |
Wambacq P, Sansen W M C. Distortion analysis of analog integrated circuits. Springer, 1998
|
| [7] |
Palaskas Y, Tsividis Y. Dynamic range optimization of weakly nonlinear, fully balanced, Gm-C filters with power dissipation constraints. IEEE Trans Circuits Syst Ⅱ:Analog and Digital Signal Processing, 2003, 50(10):714 doi: 10.1109/TCSII.2003.818365
|
| [8] |
Meghdadi M, Bakhtiar M S. Analysis and optimization of SFDR in differential active-RC filters. IEEE Trans Circuits Syst Ⅰ:Regular Papers, 2012, 59(6):1168 doi: 10.1109/TCSI.2011.2173388
|
| [9] |
Schaumann R, the late Valkenburg M E V. Design of analog filters. Oxford University Press, USA, 2001
|
| [10] |
Amir-Aslanzadeh H, Pankratz E J, Sanchez-Sinencio E. A 1-V +31 dBm ⅡP3, reconfigurable, continuously tunable, power-adjustable active-RC LPF. IEEE J Solid-State Circuits, 2009, 44(2):495 doi: 10.1109/JSSC.2008.2011037
|
| [11] |
Harrison J, Weste N. A 500 MHz CMOS anti-alias filter using feed-forward op-amps with local common-mode feedback. IEEE ISSCC Dig Tec Papers, 2003:132 http://ieeexplore.ieee.org/document/1234236/
|
| [12] |
Krishnapura N, Agrawal A, Singh S. A High-ⅡP3 third-order elliptic filter with current-efficient feedforward-compensated opamps. IEEE Trans Circuits Syst Ⅱ:Express Briefs, 2011, 58(4):205 doi: 10.1109/TCSII.2011.2124571
|
| [13] |
Mak P I, Seng-Pan U, Martins R P. On the design of a programmable-gain amplifier with built-in compact DC-offset cancellers for very low-voltage WLAN systems. IEEE Trans Circuits Syst Ⅰ:Regular Papers, 2008, 55(2):496 doi: 10.1109/TCSI.2007.910643
|
Journal of Semiconductors © 2017 All Rights Reserved 京ICP備05085259號-2