ARTICLES
Yueer Shan1, Zhengzhou Cao1, and Guozhu Liu2
Corresponding author: Zhengzhou Cao, caozhengzhou@163.com
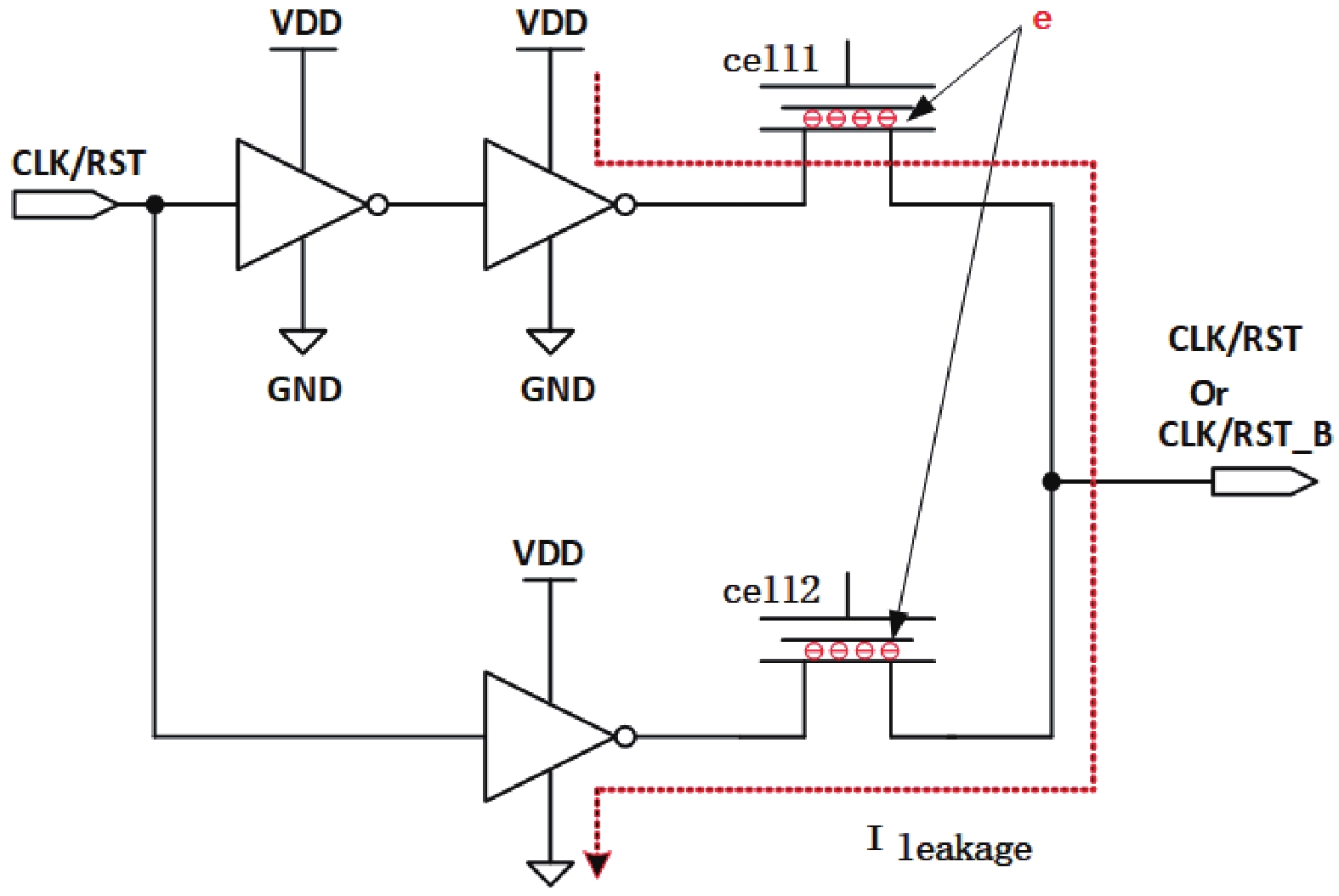
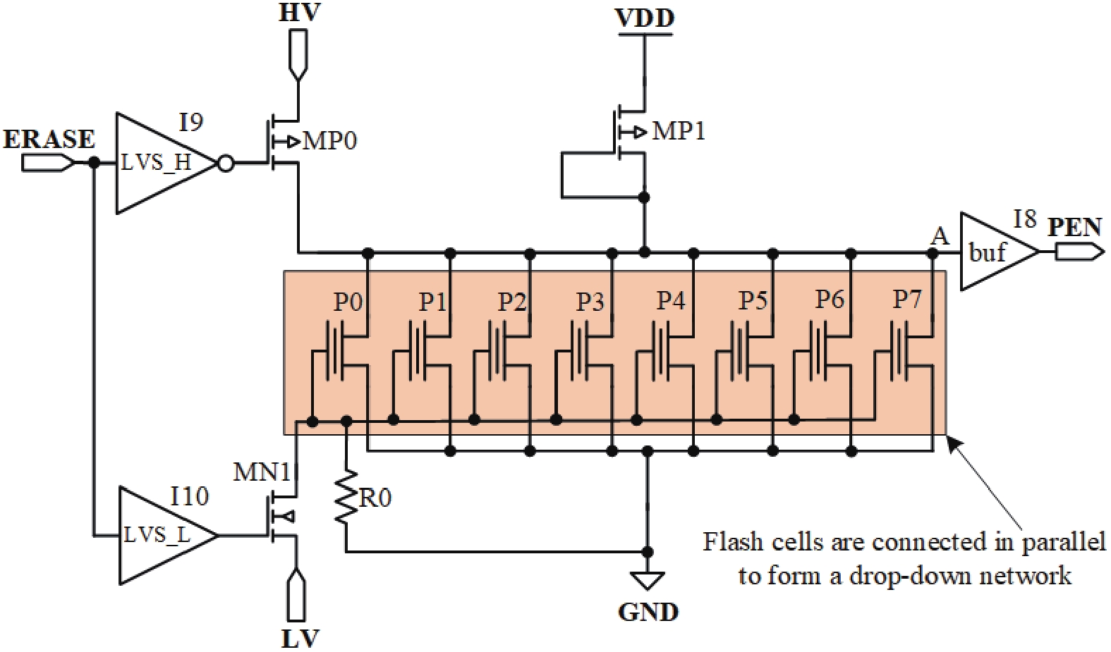
Abstract: To solve the Flash-based FPGA in the manufacturing process, the ion implantation process will bring electrons into the floating gate of the P-channel Flash cell so that the Flash switch is in a weak conduction state, resulting in the Flash-based FPGA eigenstate current problem. In this paper, the mechanism of its generation is analyzed, and four methods are used including ultraviolet light erasing, high-temperature baking, X-ray irradiation, and circuit logic control. A comparison of these four methods can identify the circuit design by using circuit logic to control the path of the power supply that is the most suitable and reliable method to solve the Flash-based FPGA eigenstate current problem. By this method, the power-on current of 3.5 million Flash-based FPGA can be reduced to less than 0.3 A, and the chip can start normally. The function and performance of the chip can then be further tested and evaluated, which is one of the key technologies for developing Flash-based FPGA.
Key words: Flash-based FPGA, threshold voltage, eigenstate current
| [1] |
Speers T, Wang J J, Cronquist B, et al. 0.25 µm FLASH memory based FPGA for space applications. Actel Corporation, 2002
|
| [2] |
Rezgui S, Wang J J, Sun Y, et al. New reprogrammable and non-volatile radiation tolerant FPGA: RTA3P. 2008 IEEE Aerospace Conference, 2008, 1 doi: 10.1109/AERO.2008.4526472
|
| [3] |
Actel Company. ProASIC3 flash family FPGAs[J/OL].
|
| [4] |
Song S D, Liu G Z, Zhang H L, et al. Reliability evaluation on sense-switch p-channel flash. J Semicond, 2021, 42, 084101 doi: 10.1088/1674-4926/42/8/084101
|
| [5] |
Tao K. Integration and optimization of advanced split gate flash memory device integrated manufacturing. Shanghai: Shanghai Institute of Microsystem and Information Technology, Chinese Academy of Sciences, 2006
|
| [6] |
Zhang X D, Huang J H, Zhuang M, et al. Wave-particle-mixedness complementarity. arXiv: 1705.10462, 2017
|
| [7] |
Huang Y Y, Establishing the Planck’s radiation law. Guangxi Phys, 2011, 32, 32 (in Chinese)
|
| [8] |
Li H, Zhao Y S. The corner stone of quantum physics. Physics, 2001, 30, 724 (in Chinese)
|
| [9] |
Xu G Z, Yang C R. Work and characteristics of an EPROM memory unit for ultraviolet erasure of information. Commun Electron, 1980, 2, 113
|
| [10] |
Zhu M. Research on UV erasing performance of non-volatile storage products. Shanghai: Shanghai Jiao Tong University, 2015 (in Chinese)
|
| [11] |
Sze S M. Physics and technology of semiconductor devices. Suzhou: Soochow University Press, 2003, 180
|
| [12] |
Xia Z L, Kim D S, Jeong N, et al. Comprehensive modeling of NAND flash memory reliability: Endurance and data retention. 2012 IEEE International Reliability Physics Symposium, 2012, 51 doi: 10.1109/IRPS.2012.6241922
|
| [13] |
Wu K, Pan C S, Shaw J J, et al. A model for EPROM intrinsic charge loss through oxide-nitride-oxide (ONO) interpoly dielectric. 28th Annual Proceedings on Reliability Physics Symposium, 1990, 145 doi: 10.1109/RELPHY.1990.66077
|
| [14] |
Zhou J, Yao J, Song Y. Storage life evaluation method based on segmented nonlinear Arrhenius model. J Beijing Univ Aeronaut Astronaut, 2015, 41, 744 doi: 10.13700/j.bh.1001-5965.2014.0319
|
| [15] |
Mu W B, Chen P X. Monte-Carlo calculation of X-ray dose enhancement factor nearby high z metal connected interface. Acta Phys Sin, 2001, 50, 189 doi: 10.7498/aps.50.189
|
| [16] |
Dozier C M, Brown D B, Freitag R K, et al. Use of the subthreshold behavior to compare X-ray and Co-60 radiation-induced defects in MOS transistors. IEEE Trans Nucl Sci, 1986, 33, 1324 doi: 10.1109/TNS.1986.4334600
|
| [17] |
Shaneyfelt M R, Fleetwood D M, Schwank J R, et al. Charge yield for cobalt-60 and 10-keV X-ray irradiations of MOS devices. IEEE Trans Nucl Sci, 1991, 38, 1187 doi: 10.1109/23.124092
|
| [18] |
Dozier C M, Brown D B, Throckmorton J L, et al. Defect production in SiO2 by X-ray and Co-60 radiations. IEEE Trans Nucl Sci, 1985, 32, 4363 doi: 10.1109/TNS.1985.4334125
|
| [19] |
Chen P X, Zhou K M. Dose-enhancing effects of X-ray. Physics, 1997, 12, 725
|
| [20] |
Liu G Z. Research on core configuration unit design and process integration technology of radiation-resistant FLASH-BASED FPGA. Doctoral Dissertation, Southeast University, 2020, 57
|
| [21] |
Liu G Z, Hong G S, Zhao W B, et al. Structure and preparation method of radiation-resistant sense-switch pFLASH switch unit. China Invention Patent, CN201710478345.1, 2017
|
| [22] |
Liu G Z, Yu Z G, Xiao Z Q, et al. Reliable and radiation-hardened push-pull pFlash cell for reconfigured FPGAs. IEEE Trans Device Mater Relib, 2021, 21, 87 doi: 10.1109/TDMR.2021.3055210
|
| [23] |
Liu G Z, Li B, Xiao Z Q, et al. The TID characteristics of a radiation hardened sense-switch pFLASH cell. IEEE Trans Device Mater Reliab, 2020, 20, 358 doi: 10.1109/TDMR.2020.2975825
|
| [24] |
Liu G Z, Li B, Wei J H, et al. A radiation-hardened sense-switch pFLASH cell for FPGA. Microelectron Reliab, 2019, 103, 113514 doi: 10.1016/j.microrel.2019.113514
|
| [25] |
Hu Q C, Wu J D, Wan L X. A level conversion unit with low power consumption, high speed and wide level range. Electron Packag, 2022, 22, 030305 doi: 10.16257/j.cnki.1681-1070.2022.0308
|
Table 1. Comparison of four methods.
| Method | Leakage current of Flash cell | Power-on current of FPGA | Time con-sumption | Cost |
| UVC irradiation | Good | Poor | Medium | Good |
| High temperature baking | Poor | Poor | Poor | Good |
| X-ray irradiation | Good | Poor | Medium | Medium |
| Circuit logic control | – | Good | Good | Medium |
DownLoad: CSV
| [1] |
Speers T, Wang J J, Cronquist B, et al. 0.25 µm FLASH memory based FPGA for space applications. Actel Corporation, 2002
|
| [2] |
Rezgui S, Wang J J, Sun Y, et al. New reprogrammable and non-volatile radiation tolerant FPGA: RTA3P. 2008 IEEE Aerospace Conference, 2008, 1 doi: 10.1109/AERO.2008.4526472
|
| [3] |
Actel Company. ProASIC3 flash family FPGAs[J/OL].
|
| [4] |
Song S D, Liu G Z, Zhang H L, et al. Reliability evaluation on sense-switch p-channel flash. J Semicond, 2021, 42, 084101 doi: 10.1088/1674-4926/42/8/084101
|
| [5] |
Tao K. Integration and optimization of advanced split gate flash memory device integrated manufacturing. Shanghai: Shanghai Institute of Microsystem and Information Technology, Chinese Academy of Sciences, 2006
|
| [6] |
Zhang X D, Huang J H, Zhuang M, et al. Wave-particle-mixedness complementarity. arXiv: 1705.10462, 2017
|
| [7] |
Huang Y Y, Establishing the Planck’s radiation law. Guangxi Phys, 2011, 32, 32 (in Chinese)
|
| [8] |
Li H, Zhao Y S. The corner stone of quantum physics. Physics, 2001, 30, 724 (in Chinese)
|
| [9] |
Xu G Z, Yang C R. Work and characteristics of an EPROM memory unit for ultraviolet erasure of information. Commun Electron, 1980, 2, 113
|
| [10] |
Zhu M. Research on UV erasing performance of non-volatile storage products. Shanghai: Shanghai Jiao Tong University, 2015 (in Chinese)
|
| [11] |
Sze S M. Physics and technology of semiconductor devices. Suzhou: Soochow University Press, 2003, 180
|
| [12] |
Xia Z L, Kim D S, Jeong N, et al. Comprehensive modeling of NAND flash memory reliability: Endurance and data retention. 2012 IEEE International Reliability Physics Symposium, 2012, 51 doi: 10.1109/IRPS.2012.6241922
|
| [13] |
Wu K, Pan C S, Shaw J J, et al. A model for EPROM intrinsic charge loss through oxide-nitride-oxide (ONO) interpoly dielectric. 28th Annual Proceedings on Reliability Physics Symposium, 1990, 145 doi: 10.1109/RELPHY.1990.66077
|
| [14] |
Zhou J, Yao J, Song Y. Storage life evaluation method based on segmented nonlinear Arrhenius model. J Beijing Univ Aeronaut Astronaut, 2015, 41, 744 doi: 10.13700/j.bh.1001-5965.2014.0319
|
| [15] |
Mu W B, Chen P X. Monte-Carlo calculation of X-ray dose enhancement factor nearby high z metal connected interface. Acta Phys Sin, 2001, 50, 189 doi: 10.7498/aps.50.189
|
| [16] |
Dozier C M, Brown D B, Freitag R K, et al. Use of the subthreshold behavior to compare X-ray and Co-60 radiation-induced defects in MOS transistors. IEEE Trans Nucl Sci, 1986, 33, 1324 doi: 10.1109/TNS.1986.4334600
|
| [17] |
Shaneyfelt M R, Fleetwood D M, Schwank J R, et al. Charge yield for cobalt-60 and 10-keV X-ray irradiations of MOS devices. IEEE Trans Nucl Sci, 1991, 38, 1187 doi: 10.1109/23.124092
|
| [18] |
Dozier C M, Brown D B, Throckmorton J L, et al. Defect production in SiO2 by X-ray and Co-60 radiations. IEEE Trans Nucl Sci, 1985, 32, 4363 doi: 10.1109/TNS.1985.4334125
|
| [19] |
Chen P X, Zhou K M. Dose-enhancing effects of X-ray. Physics, 1997, 12, 725
|
| [20] |
Liu G Z. Research on core configuration unit design and process integration technology of radiation-resistant FLASH-BASED FPGA. Doctoral Dissertation, Southeast University, 2020, 57
|
| [21] |
Liu G Z, Hong G S, Zhao W B, et al. Structure and preparation method of radiation-resistant sense-switch pFLASH switch unit. China Invention Patent, CN201710478345.1, 2017
|
| [22] |
Liu G Z, Yu Z G, Xiao Z Q, et al. Reliable and radiation-hardened push-pull pFlash cell for reconfigured FPGAs. IEEE Trans Device Mater Relib, 2021, 21, 87 doi: 10.1109/TDMR.2021.3055210
|
| [23] |
Liu G Z, Li B, Xiao Z Q, et al. The TID characteristics of a radiation hardened sense-switch pFLASH cell. IEEE Trans Device Mater Reliab, 2020, 20, 358 doi: 10.1109/TDMR.2020.2975825
|
| [24] |
Liu G Z, Li B, Wei J H, et al. A radiation-hardened sense-switch pFLASH cell for FPGA. Microelectron Reliab, 2019, 103, 113514 doi: 10.1016/j.microrel.2019.113514
|
| [25] |
Hu Q C, Wu J D, Wan L X. A level conversion unit with low power consumption, high speed and wide level range. Electron Packag, 2022, 22, 030305 doi: 10.16257/j.cnki.1681-1070.2022.0308
|
Article views: 2180 Times PDF downloads: 76 Times Cited by: 0 Times
Received: 31 May 2022 Revised: 01 September 2022 Online: Accepted Manuscript: 17 October 2022Uncorrected proof: 20 October 2022Published: 02 December 2022
| Citation: |
Yueer Shan, Zhengzhou Cao, Guozhu Liu. Research on eigenstate current control technology of Flash-based FPGA[J]. Journal of Semiconductors, 2022, 43(12): 122401. doi: 10.1088/1674-4926/43/12/122401
****
Y E Shan, Z Z Cao, G Z Liu. Research on eigenstate current control technology of Flash-based FPGA[J]. J. Semicond, 2022, 43(12): 122401. doi: 10.1088/1674-4926/43/12/122401
|
| [1] |
Speers T, Wang J J, Cronquist B, et al. 0.25 µm FLASH memory based FPGA for space applications. Actel Corporation, 2002
|
| [2] |
Rezgui S, Wang J J, Sun Y, et al. New reprogrammable and non-volatile radiation tolerant FPGA: RTA3P. 2008 IEEE Aerospace Conference, 2008, 1 doi: 10.1109/AERO.2008.4526472
|
| [3] |
Actel Company. ProASIC3 flash family FPGAs[J/OL].
|
| [4] |
Song S D, Liu G Z, Zhang H L, et al. Reliability evaluation on sense-switch p-channel flash. J Semicond, 2021, 42, 084101 doi: 10.1088/1674-4926/42/8/084101
|
| [5] |
Tao K. Integration and optimization of advanced split gate flash memory device integrated manufacturing. Shanghai: Shanghai Institute of Microsystem and Information Technology, Chinese Academy of Sciences, 2006
|
| [6] |
Zhang X D, Huang J H, Zhuang M, et al. Wave-particle-mixedness complementarity. arXiv: 1705.10462, 2017
|
| [7] |
Huang Y Y, Establishing the Planck’s radiation law. Guangxi Phys, 2011, 32, 32 (in Chinese)
|
| [8] |
Li H, Zhao Y S. The corner stone of quantum physics. Physics, 2001, 30, 724 (in Chinese)
|
| [9] |
Xu G Z, Yang C R. Work and characteristics of an EPROM memory unit for ultraviolet erasure of information. Commun Electron, 1980, 2, 113
|
| [10] |
Zhu M. Research on UV erasing performance of non-volatile storage products. Shanghai: Shanghai Jiao Tong University, 2015 (in Chinese)
|
| [11] |
Sze S M. Physics and technology of semiconductor devices. Suzhou: Soochow University Press, 2003, 180
|
| [12] |
Xia Z L, Kim D S, Jeong N, et al. Comprehensive modeling of NAND flash memory reliability: Endurance and data retention. 2012 IEEE International Reliability Physics Symposium, 2012, 51 doi: 10.1109/IRPS.2012.6241922
|
| [13] |
Wu K, Pan C S, Shaw J J, et al. A model for EPROM intrinsic charge loss through oxide-nitride-oxide (ONO) interpoly dielectric. 28th Annual Proceedings on Reliability Physics Symposium, 1990, 145 doi: 10.1109/RELPHY.1990.66077
|
| [14] |
Zhou J, Yao J, Song Y. Storage life evaluation method based on segmented nonlinear Arrhenius model. J Beijing Univ Aeronaut Astronaut, 2015, 41, 744 doi: 10.13700/j.bh.1001-5965.2014.0319
|
| [15] |
Mu W B, Chen P X. Monte-Carlo calculation of X-ray dose enhancement factor nearby high z metal connected interface. Acta Phys Sin, 2001, 50, 189 doi: 10.7498/aps.50.189
|
| [16] |
Dozier C M, Brown D B, Freitag R K, et al. Use of the subthreshold behavior to compare X-ray and Co-60 radiation-induced defects in MOS transistors. IEEE Trans Nucl Sci, 1986, 33, 1324 doi: 10.1109/TNS.1986.4334600
|
| [17] |
Shaneyfelt M R, Fleetwood D M, Schwank J R, et al. Charge yield for cobalt-60 and 10-keV X-ray irradiations of MOS devices. IEEE Trans Nucl Sci, 1991, 38, 1187 doi: 10.1109/23.124092
|
| [18] |
Dozier C M, Brown D B, Throckmorton J L, et al. Defect production in SiO2 by X-ray and Co-60 radiations. IEEE Trans Nucl Sci, 1985, 32, 4363 doi: 10.1109/TNS.1985.4334125
|
| [19] |
Chen P X, Zhou K M. Dose-enhancing effects of X-ray. Physics, 1997, 12, 725
|
| [20] |
Liu G Z. Research on core configuration unit design and process integration technology of radiation-resistant FLASH-BASED FPGA. Doctoral Dissertation, Southeast University, 2020, 57
|
| [21] |
Liu G Z, Hong G S, Zhao W B, et al. Structure and preparation method of radiation-resistant sense-switch pFLASH switch unit. China Invention Patent, CN201710478345.1, 2017
|
| [22] |
Liu G Z, Yu Z G, Xiao Z Q, et al. Reliable and radiation-hardened push-pull pFlash cell for reconfigured FPGAs. IEEE Trans Device Mater Relib, 2021, 21, 87 doi: 10.1109/TDMR.2021.3055210
|
| [23] |
Liu G Z, Li B, Xiao Z Q, et al. The TID characteristics of a radiation hardened sense-switch pFLASH cell. IEEE Trans Device Mater Reliab, 2020, 20, 358 doi: 10.1109/TDMR.2020.2975825
|
| [24] |
Liu G Z, Li B, Wei J H, et al. A radiation-hardened sense-switch pFLASH cell for FPGA. Microelectron Reliab, 2019, 103, 113514 doi: 10.1016/j.microrel.2019.113514
|
| [25] |
Hu Q C, Wu J D, Wan L X. A level conversion unit with low power consumption, high speed and wide level range. Electron Packag, 2022, 22, 030305 doi: 10.16257/j.cnki.1681-1070.2022.0308
|
Journal of Semiconductors © 2017 All Rights Reserved 京ICP備05085259號-2