ARTICLES
Zhang Zhang, Chao Chen, Tairan Fei, Hao Xiao, Guangjun Xie and Xin Cheng
Corresponding author: Xin Cheng, Email: ceciliacheng1017@163.com
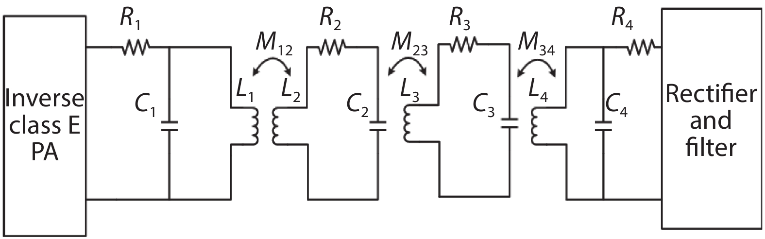
Abstract: Traditional magnetically coupled resonant wireless power transfer technology uses fixed distances between coils for research, to prevent fluctuations in the receiving voltage, and lead to reduce transmission efficiency. This paper proposes a closed-loop control wireless communication wireless power transfer system with a wearable four-coil structure to stabilize the receiving voltage fluctuation caused by changes in the displacement between the coils. Test results show that the system can provide stable receiving voltage, no matter how the distance between the transmitting coil and the receiving coil is changed. When the transmission distance is 20 mm, the power transfer efficiency of the system can reach 18.5% under the open-loop state, and the stimulus parameters such as the stimulation period and pulse width can be adjusted in real time through the personal computer terminal.
Key words: implantable medical equipment, four-coil insertion resonance structure, wireless communication, wireless power transfer
| [1] |
Xue R F, Cheng K W, Jie M. High-efficiency wireless power transfer for biomedical implants by optimal resonant load transformation. Circuits Syst I, 2013, 60, 867 doi: 10.1109/TCSI.2012.2209297
|
| [2] |
Sun T, Xie X, Wang Z. Wireless power transfer for medical microsystems. Berlin: Springer, 2013
|
| [3] |
Liu C H, Jiang C Q, Song J G, et al. An efficiency sandwiched wireless power transfer system for charging implantable cardiac pacemaker. IEEE Trans Ind Electron, 2019, 66(5), 4108 doi: 10.1109/TIE.2017.2840522
|
| [4] |
Kurs A, Karalis A, Moffatt R, et al. Wireless power transfer via strongly coupled magnetic resonances. Science, 2007, 317(5834), 83 doi: 10.1126/science.1143254
|
| [5] |
O’Driscoll S, Poon A S Y. Meng T H. A mm-sized implantable power receiver with adaptive link compensation. IEEE International Solid-State Circuits Conference, 2009, 294
|
| [6] |
Lee B, Kiani M, Ghovanloo M. A triple-loop inductive power transmission system for biomedical applications. IEEE Trans Biomed Circuits, 2016, 10, 138 doi: 10.1109/TBCAS.2014.2376965
|
| [7] |
Zhou W S, Sandeep S, Wu P D, et al. A wideband strongly coupled magnetic resonance wireless power transfer system and its circuit analysis. IEEE Microwave Wireless Compon Lett, 2018, 28(12), 1152 doi: 10.1109/LMWC.2018.2876767
|
| [8] |
Zhao Y L, Tang X, Wang Z H, et al. An inductive power transfer system with adjustable compensation network for implantable medical devices. IEEE Asia Pacific Conference on Circuits and Systems, 2019
|
| [9] |
Liu L, He L, Zhang Y, et al. A battery-less portable ECG monitoring system with wired audio transmission. IEEE Trans Biomed Circuits Syst, 2019, 13(4), 697 doi: 10.1109/TBCAS.2019.2923423
|
| [10] |
Mury T, Fusco V F. Series-L/parallel-tuned comparison with shunt-C/series-tuned class-E power amplifier. IEE Proc-Circuits, Devices Syst, 2005, 152(6), 709 doi: 10.1049/ip-cds:20050026
|
| [11] |
Kumar A, Mirabbasi S, Chiao M. Resonance-based wireless power delivery for implantable devices. Proc IEEE Biomedical Circuits and Systems Conf, 2009, 25
|
| [12] |
Qian L B, Sang J F, Xia Y S, et al. Investigating on through glass via based RF passives for 3-D integration. IEEE J Electron Devices Soc, 2018, 6, 755 doi: 10.1109/JEDS.2018.2849393
|
| [13] |
Xu H, Bihr U, Becker J, et al. A multi-channel neural stimulator with resonance compensated inductive receiver and closed-loop smart power management. IEEE International Symposium on Circuits and Systems, 2013, 638
|
| [14] |
Seo D W, Khang S T, Chae S C, et al. Open-loop self-adaptive wireless power transfer system for medical implants. Microwave Opt Technol Lett, 2016, 58(6), 1271 doi: 10.1002/mop.29796
|
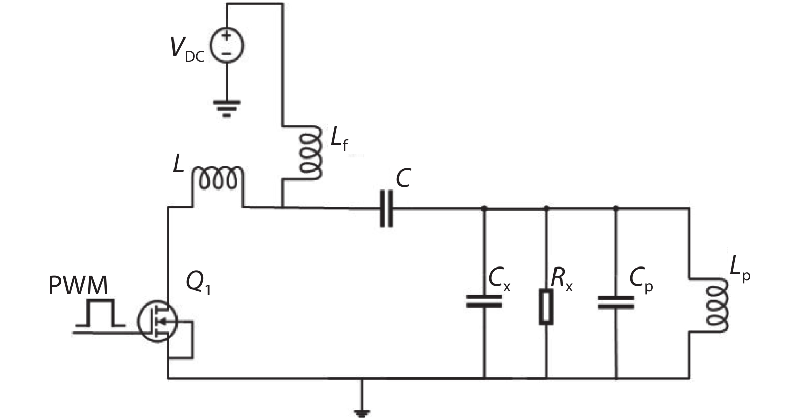
Table 1. The calculation formula of main components of the inverter circuit.
| Component | L | Lf | Cx | Rx |
| Computing formula |
DownLoad: CSV
Table 2. The parameters of the coils and resonant compensation capacitance at 1 MHz.
| Coil number | Diameter (cm) | Inductance (μH) | Parasitic resistance (Ω) | Compensation capacitance (nF) |
| Coil 1 | 6. 0 | 12. 03 | 0. 22 | 2. 11 |
| Coil 2 | 8. 1 | 18. 58 | 0. 26 | 1. 36 |
| Coil 3 | 10. 0 | 22. 62 | 0. 27 | 1. 12 |
DownLoad: CSV
Table 3. Benchmarking of WPT system.
| Publication | 2013[13] | 2016[6] | 2016[14] | 2018[7] | This work |
| Power carrier frequency (MHz) | 13.8 | 13.56 | 13.56 | 100.1 | 1 |
| Coil configuration | 2 | 3 | 2 | 4 | 4 |
| Closed-loop control | Yes | Yes | No | No | Yes |
| Real-time control | No | No | Yes | No | Yes |
| Wireless communication | LSK | LSK | / | / | nRF24L01 |
| PTE | / | 13.5% @ 20 mm | 10% @ 20 mm | 12.5% @ 400 mm | 18.5% @ 20 mm |
| Tx coil diameter (mm) | / | 28 | 20 | 80 | 120 |
| Rx coil diameter (mm) | / | 34 | 10 | 80 | 21 |
| Potential application | IMDs | IMDs | IMDs | / | IMDs |
DownLoad: CSV
| [1] |
Xue R F, Cheng K W, Jie M. High-efficiency wireless power transfer for biomedical implants by optimal resonant load transformation. Circuits Syst I, 2013, 60, 867 doi: 10.1109/TCSI.2012.2209297
|
| [2] |
Sun T, Xie X, Wang Z. Wireless power transfer for medical microsystems. Berlin: Springer, 2013
|
| [3] |
Liu C H, Jiang C Q, Song J G, et al. An efficiency sandwiched wireless power transfer system for charging implantable cardiac pacemaker. IEEE Trans Ind Electron, 2019, 66(5), 4108 doi: 10.1109/TIE.2017.2840522
|
| [4] |
Kurs A, Karalis A, Moffatt R, et al. Wireless power transfer via strongly coupled magnetic resonances. Science, 2007, 317(5834), 83 doi: 10.1126/science.1143254
|
| [5] |
O’Driscoll S, Poon A S Y. Meng T H. A mm-sized implantable power receiver with adaptive link compensation. IEEE International Solid-State Circuits Conference, 2009, 294
|
| [6] |
Lee B, Kiani M, Ghovanloo M. A triple-loop inductive power transmission system for biomedical applications. IEEE Trans Biomed Circuits, 2016, 10, 138 doi: 10.1109/TBCAS.2014.2376965
|
| [7] |
Zhou W S, Sandeep S, Wu P D, et al. A wideband strongly coupled magnetic resonance wireless power transfer system and its circuit analysis. IEEE Microwave Wireless Compon Lett, 2018, 28(12), 1152 doi: 10.1109/LMWC.2018.2876767
|
| [8] |
Zhao Y L, Tang X, Wang Z H, et al. An inductive power transfer system with adjustable compensation network for implantable medical devices. IEEE Asia Pacific Conference on Circuits and Systems, 2019
|
| [9] |
Liu L, He L, Zhang Y, et al. A battery-less portable ECG monitoring system with wired audio transmission. IEEE Trans Biomed Circuits Syst, 2019, 13(4), 697 doi: 10.1109/TBCAS.2019.2923423
|
| [10] |
Mury T, Fusco V F. Series-L/parallel-tuned comparison with shunt-C/series-tuned class-E power amplifier. IEE Proc-Circuits, Devices Syst, 2005, 152(6), 709 doi: 10.1049/ip-cds:20050026
|
| [11] |
Kumar A, Mirabbasi S, Chiao M. Resonance-based wireless power delivery for implantable devices. Proc IEEE Biomedical Circuits and Systems Conf, 2009, 25
|
| [12] |
Qian L B, Sang J F, Xia Y S, et al. Investigating on through glass via based RF passives for 3-D integration. IEEE J Electron Devices Soc, 2018, 6, 755 doi: 10.1109/JEDS.2018.2849393
|
| [13] |
Xu H, Bihr U, Becker J, et al. A multi-channel neural stimulator with resonance compensated inductive receiver and closed-loop smart power management. IEEE International Symposium on Circuits and Systems, 2013, 638
|
| [14] |
Seo D W, Khang S T, Chae S C, et al. Open-loop self-adaptive wireless power transfer system for medical implants. Microwave Opt Technol Lett, 2016, 58(6), 1271 doi: 10.1002/mop.29796
|
Article views: 5916 Times PDF downloads: 159 Times Cited by: 0 Times
Received: 17 March 2020 Revised: 06 April 2020 Online: Accepted Manuscript: 02 June 2020Uncorrected proof: 03 June 2020Published: 01 October 2020
| Citation: |
Zhang Zhang, Chao Chen, Tairan Fei, Hao Xiao, Guangjun Xie, Xin Cheng. Wireless communication and wireless power transfer system for implantable medical device[J]. Journal of Semiconductors, 2020, 41(10): 102403. doi: 10.1088/1674-4926/41/10/102403
****
Z Zhang, C Chen, T R Fei, H Xiao, G J Xie, X Cheng, Wireless communication and wireless power transfer system for implantable medical device[J]. J. Semicond., 2020, 41(10): 102403. doi: 10.1088/1674-4926/41/10/102403.
|
| [1] |
Xue R F, Cheng K W, Jie M. High-efficiency wireless power transfer for biomedical implants by optimal resonant load transformation. Circuits Syst I, 2013, 60, 867 doi: 10.1109/TCSI.2012.2209297
|
| [2] |
Sun T, Xie X, Wang Z. Wireless power transfer for medical microsystems. Berlin: Springer, 2013
|
| [3] |
Liu C H, Jiang C Q, Song J G, et al. An efficiency sandwiched wireless power transfer system for charging implantable cardiac pacemaker. IEEE Trans Ind Electron, 2019, 66(5), 4108 doi: 10.1109/TIE.2017.2840522
|
| [4] |
Kurs A, Karalis A, Moffatt R, et al. Wireless power transfer via strongly coupled magnetic resonances. Science, 2007, 317(5834), 83 doi: 10.1126/science.1143254
|
| [5] |
O’Driscoll S, Poon A S Y. Meng T H. A mm-sized implantable power receiver with adaptive link compensation. IEEE International Solid-State Circuits Conference, 2009, 294
|
| [6] |
Lee B, Kiani M, Ghovanloo M. A triple-loop inductive power transmission system for biomedical applications. IEEE Trans Biomed Circuits, 2016, 10, 138 doi: 10.1109/TBCAS.2014.2376965
|
| [7] |
Zhou W S, Sandeep S, Wu P D, et al. A wideband strongly coupled magnetic resonance wireless power transfer system and its circuit analysis. IEEE Microwave Wireless Compon Lett, 2018, 28(12), 1152 doi: 10.1109/LMWC.2018.2876767
|
| [8] |
Zhao Y L, Tang X, Wang Z H, et al. An inductive power transfer system with adjustable compensation network for implantable medical devices. IEEE Asia Pacific Conference on Circuits and Systems, 2019
|
| [9] |
Liu L, He L, Zhang Y, et al. A battery-less portable ECG monitoring system with wired audio transmission. IEEE Trans Biomed Circuits Syst, 2019, 13(4), 697 doi: 10.1109/TBCAS.2019.2923423
|
| [10] |
Mury T, Fusco V F. Series-L/parallel-tuned comparison with shunt-C/series-tuned class-E power amplifier. IEE Proc-Circuits, Devices Syst, 2005, 152(6), 709 doi: 10.1049/ip-cds:20050026
|
| [11] |
Kumar A, Mirabbasi S, Chiao M. Resonance-based wireless power delivery for implantable devices. Proc IEEE Biomedical Circuits and Systems Conf, 2009, 25
|
| [12] |
Qian L B, Sang J F, Xia Y S, et al. Investigating on through glass via based RF passives for 3-D integration. IEEE J Electron Devices Soc, 2018, 6, 755 doi: 10.1109/JEDS.2018.2849393
|
| [13] |
Xu H, Bihr U, Becker J, et al. A multi-channel neural stimulator with resonance compensated inductive receiver and closed-loop smart power management. IEEE International Symposium on Circuits and Systems, 2013, 638
|
| [14] |
Seo D W, Khang S T, Chae S C, et al. Open-loop self-adaptive wireless power transfer system for medical implants. Microwave Opt Technol Lett, 2016, 58(6), 1271 doi: 10.1002/mop.29796
|
Journal of Semiconductors © 2017 All Rights Reserved 京ICP備05085259號(hào)-2