SEMICONDUCTOR DEVICES
Charu Rana, Dinesh Prasad and Neelofar Afzal
Corresponding author: Charu Rana, Email: charurana707@gmail.com
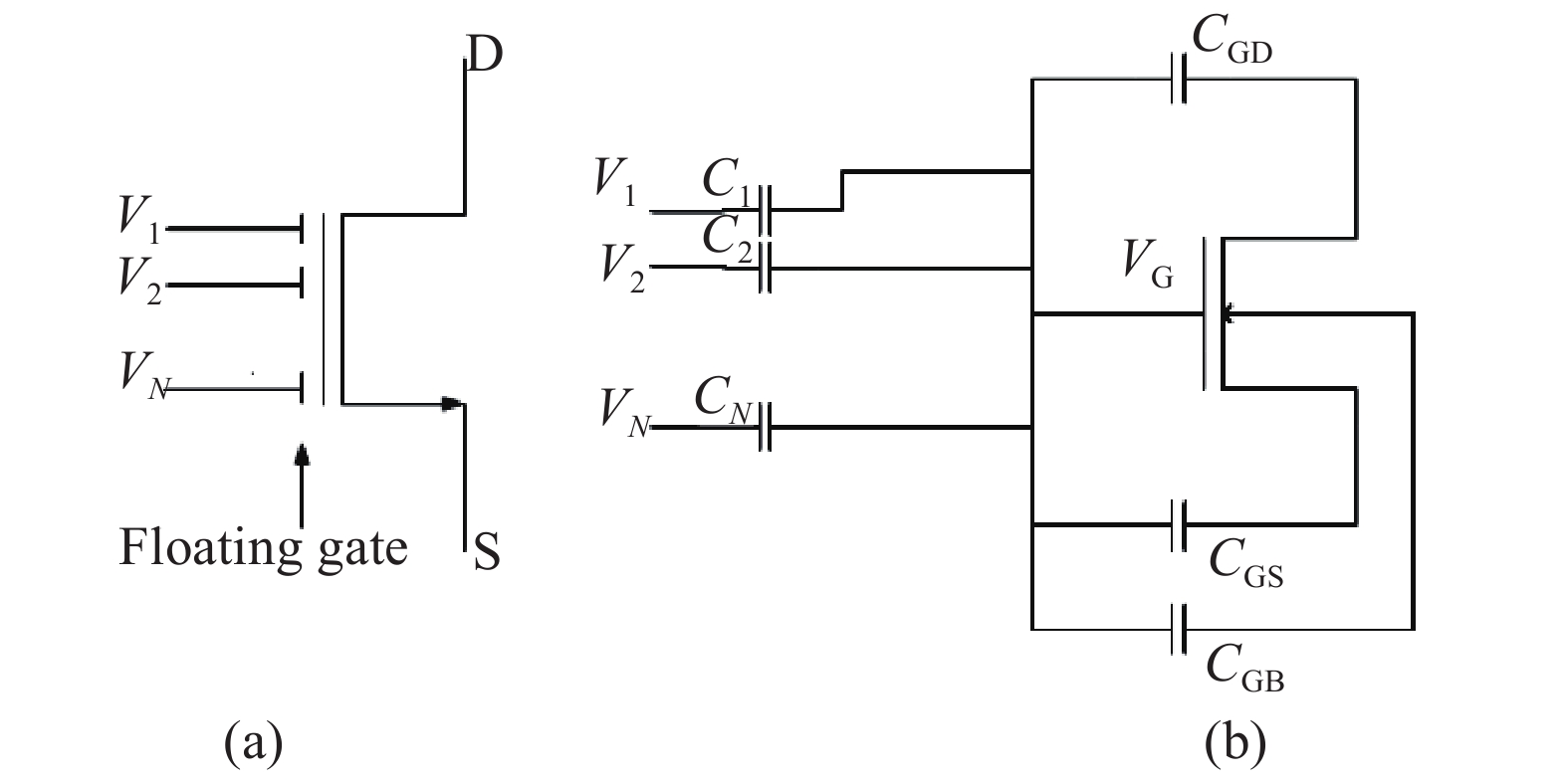
Abstract: This article presents a low voltage low power configuration of current differencing transconductance amplifier (CDTA) based on floating gate MOSFET. The proposed CDTA variant operates at lower supply voltage ±1.4 V with total static power dissipation of 2.60 mW due to the low voltage feature of floating gate MOSFET. High transconductance up to 6.21 mA/V is achieved with extended linear range of the circuit i.e. ±130 μA. Two applications are illustrated to demonstrate the effectiveness of the proposed active block. A quadrature oscillator is realized using FGMOS based CDTA, two capacitors, and a resistor. The resistor is implemented using two NMOSFETs to provide high linearity and tunablility. Another application is the Schmitt trigger circuit based on the proposed CDTA variant. All circuits are simulated by using SPICE and TSMC 130 nm technology.
Key words: floating gate MOSFET, current differencing transconductance amplifier, low voltage, low power
| [1] |
Villegas E R. Low power and low voltage circuit design with the FGMOS transistor. The Institution of Engineering and Technology, 2006
|
| [2] |
Sánchez-Sinencio E. Floating gate techniques and applications, 2012 http://amesp02.tamu.edu/sanchez/607-2010-Floating%20Gate%20Circuits.pdf
|
| [3] |
Lopez-Martin A J, Ramirez-Angulo J, Carvajal R G, et al. CMOS transconductors with continuous tuning using FGMOS balanced output current scaling. IEEE J Solid-State Circuits, 2008, 43(8): 1313
|
| [4] |
Biolek D. CDTA-building block for current-mode analog signal processing. European Conference on Circuit Theory and Design, 2003: 397
|
| [5] |
Tangsrirat W, Pukkalanun T, Surakampontorn W. Synthesis of current differencing transconductance amplifier based current limiters and its applications. J Circuits Syst Comput, 2011, 20(02): 185 doi: 10.1142/S0218126611007190
|
| [6] |
Jaikla W, Khateb F, Siripongdee S, et al. Electronically tunable current-mode biquad filter employing CCCDTAs and grounded capacitors with low input and high output impedance. Int J Electron Commun, 2013, 67(12): 1005 doi: 10.1016/j.aeue.2013.05.014
|
| [7] |
Kumari S, Gupta S, Pandey N, et al. LC-ladder filter systematic implementation using OTRA. Int J Eng Sci Technol, 2016, 19(4): 1808 doi: 10.1016/j.jestch.2016.10.003
|
| [8] |
Tangsrirat W, Pukkalanun T. Structural generation of two integrator loop filters using CDTAs and grounded capacitors. Int J Circuit Theory Appl, 2011, 39(1): 31 doi: 10.1002/cta.v39.1
|
| [9] |
Alaybeyo?lu E, Kuntman H. A new reconfigurable filter structure employing CDTA for positioning systems, 9th International Conference on Electrical and Electronics Engineering (ELECO), 2015: 645
|
| [10] |
Tangsrirat W, Pukkalanun T, Surakampontorn W. Resistorless realization of current-mode first-order all pass filter using current differencing transconductance amplifiers. Microelectron J, 2010, 41(2): 178
|
| [11] |
Biolek D, Biolkova V, Kolka Z. Current-mode biquad employing single CDTA. Ind J Pure Appl Phys, 2007, 47(7): 535
|
| [12] |
Prasad D, Bhaskar D R, Singh A K. Multi-function biquad using single current differencing transconductance amplifier. Ana Integr Circuits Sign Process, 2009, 61(3): 309 doi: 10.1007/s10470-009-9310-1
|
| [13] |
Lahiri A, Chowdhury A. A novel first-order current mode all-pass filter using CDTA. Radioengineering, 2009, 18(3): 300
|
| [14] |
Tanjaroen W, Tangsrirat W. Resistorless current-mode first-order allpass filter using CDTAs. Electrical Engineering, Electronics, Computer, Telecommunications and Information Technology, 2008, 2(3): 721
|
| [15] |
Prasad D, Bhaskar D R, Singh A K. Universal current-mode biquad filter using dual output current differencing transconductance amplifier. Int J Electron Commun, 2009, 63(7): 497
|
| [16] |
Tangsrirat W, Pukkalanun T, Mongkolwai P, et al. Simple current-mode analog multiplier, divider, square-rooter and squarer based on CDTAs. Int J Electron Commun, 2011, 65(3): 198 doi: 10.1016/j.aeue.2010.02.017
|
| [17] |
Siripruchyanun M, Jaikla W. A current-mode analog multiplier/divider based on CCCDTA. Int J Electron Commun, 2008, 62(3): 223 doi: 10.1016/j.aeue.2007.03.009
|
| [18] |
Biolek D, Keskin A U, Biolkova V. Grounded capacitor current mode single resistance-controlled oscillator using single modified current differencing transconductance amplifier. IET Circuits, Devices Syst, 2010, 4(6): 496 doi: 10.1049/iet-cds.2009.0330
|
| [19] |
Yongan L. Electronically tunable current-mode quadrature oscillator using single MCDTA. Radioengineering, 2010, 19(4): 667
|
| [20] |
Horng J W. Current-mode third-order quadrature oscillator using CDTAs. Active and Passive Electronic Components, 2009, 17: 212
|
| [21] |
Khateb F, Biolek D. A novel current-mode full-wave rectifier based on one CDTA and two diodes. Radioengineering, 2010, 19(3): 437
|
| [22] |
Kacar F, Bas A K. A new mixed mode fullwave rectifier realization with current differencing transconductance amplifier. J Circuits Syst Comput, 2014, 23(07): 1450101 doi: 10.1142/S0218126614501011
|
| [23] |
Biolek D, Hancioglub E, Keskin A U. A High-performance current differencing transconductance amplifier and its application in precision current-mode rectification. Int J Electron Commun, 2008, 62(2): 92 doi: 10.1016/j.aeue.2007.03.003
|
| [24] |
Rai S, Gupta M. Current differencing transconductance amplifier with enhanced performance and its application. Anal Integr Circuits Sign Process, 2016, 86(2): 307 doi: 10.1007/s10470-015-0675-z
|
| [25] |
Keskin A U, Biolek D, Hancioglu E, et al. Current-mode KHN filter employing current differencing transconductance amplifiers. Int J Electron Commun, 2006, 60(6): 443 doi: 10.1016/j.aeue.2005.09.003
|
| [26] |
Sedra S, Smith K C. Microelectronic circuits. 5th ed. New York: Oxford University Press, 2005
|
| [27] |
Rodriguez-Villegas E, Carvajal R G. On dealing with the charge trapped in floating-gate MOS (FGMOS) transistors. IEEE Trans Circuits Syst II, 2007, 54(2): 156 doi: 10.1109/TCSII.2006.886226
|
Table 1. Aspect ratios of the FGMOS CDTA transistors.
| Transistor | Aspect ratio |
| M1–M6 | 8 |
| M7–M10 | 5 |
| M11–M12 | 10 |
| M13–M14 | 10 |
| M15–M20 | 5 |
| M21–M24 | 4 |
| NM1, NM2 | 5 |
DownLoad: CSV
Table 2. Comparison of transconductance and power dissipation.
| Exisitng CDTA[25] | FGMOS CDTA | |||||
| Biasing current (μA) | Gm (mA/V) | Power dissipation (mW) | Biasing current (μA) | Gm (mA/V) | Power dissipation (mW) | |
| 50 | 0.414 | 1.50 | 50 | 2.30 | 0.442 | |
| 100 | 0.612 | 2.07 | 100 | 3.74 | 0.517 | |
| 200 | 0.844 | 3.18 | 200 | 4.71 | 0.670 | |
| 300 | 0.994 | 4.29 | 300 | 5.47 | 0.873 | |
| 400 | 1.1 | 5.40 | 400 | 5.72 | 1.26 | |
| 500 | 1.20 | 6.51 | 500 | 6.21 | 2.60 | |
DownLoad: CSV
Table 3. Summary of simulation results of FGMOS CDTA.
| Parameter | Simulation result | ||
| Supply voltage (γ) | ±1.4 | ||
| Technology (μm) | 0.13 | ||
| Power dissipation (mW) | 2.60 | ||
| Bias currents | IB1 = 85 μA, IB2 = 85 μA, IB3 = 100 μA | ||
| Iz/Ip (?3 dB bandwidth) | 2.01 GHz | ||
| Iz/In (?3 dB bandwidth) | 1.77 GHz | ||
| Ix+/Ip (?3 dB bandwidth) | 82 MHz | ||
| Ix+/In (?3 dB bandwidth) | 71.9 MHz | ||
| Max. value of transconductance | 6.21 mA/V | ||
| CDTA linear range | ?130 to +130 μA | ||
| TA linear range at IB3 = 500 μA | ?300 to +300 μV |
DownLoad: CSV
| [1] |
Villegas E R. Low power and low voltage circuit design with the FGMOS transistor. The Institution of Engineering and Technology, 2006
|
| [2] |
Sánchez-Sinencio E. Floating gate techniques and applications, 2012 http://amesp02.tamu.edu/sanchez/607-2010-Floating%20Gate%20Circuits.pdf
|
| [3] |
Lopez-Martin A J, Ramirez-Angulo J, Carvajal R G, et al. CMOS transconductors with continuous tuning using FGMOS balanced output current scaling. IEEE J Solid-State Circuits, 2008, 43(8): 1313
|
| [4] |
Biolek D. CDTA-building block for current-mode analog signal processing. European Conference on Circuit Theory and Design, 2003: 397
|
| [5] |
Tangsrirat W, Pukkalanun T, Surakampontorn W. Synthesis of current differencing transconductance amplifier based current limiters and its applications. J Circuits Syst Comput, 2011, 20(02): 185 doi: 10.1142/S0218126611007190
|
| [6] |
Jaikla W, Khateb F, Siripongdee S, et al. Electronically tunable current-mode biquad filter employing CCCDTAs and grounded capacitors with low input and high output impedance. Int J Electron Commun, 2013, 67(12): 1005 doi: 10.1016/j.aeue.2013.05.014
|
| [7] |
Kumari S, Gupta S, Pandey N, et al. LC-ladder filter systematic implementation using OTRA. Int J Eng Sci Technol, 2016, 19(4): 1808 doi: 10.1016/j.jestch.2016.10.003
|
| [8] |
Tangsrirat W, Pukkalanun T. Structural generation of two integrator loop filters using CDTAs and grounded capacitors. Int J Circuit Theory Appl, 2011, 39(1): 31 doi: 10.1002/cta.v39.1
|
| [9] |
Alaybeyo?lu E, Kuntman H. A new reconfigurable filter structure employing CDTA for positioning systems, 9th International Conference on Electrical and Electronics Engineering (ELECO), 2015: 645
|
| [10] |
Tangsrirat W, Pukkalanun T, Surakampontorn W. Resistorless realization of current-mode first-order all pass filter using current differencing transconductance amplifiers. Microelectron J, 2010, 41(2): 178
|
| [11] |
Biolek D, Biolkova V, Kolka Z. Current-mode biquad employing single CDTA. Ind J Pure Appl Phys, 2007, 47(7): 535
|
| [12] |
Prasad D, Bhaskar D R, Singh A K. Multi-function biquad using single current differencing transconductance amplifier. Ana Integr Circuits Sign Process, 2009, 61(3): 309 doi: 10.1007/s10470-009-9310-1
|
| [13] |
Lahiri A, Chowdhury A. A novel first-order current mode all-pass filter using CDTA. Radioengineering, 2009, 18(3): 300
|
| [14] |
Tanjaroen W, Tangsrirat W. Resistorless current-mode first-order allpass filter using CDTAs. Electrical Engineering, Electronics, Computer, Telecommunications and Information Technology, 2008, 2(3): 721
|
| [15] |
Prasad D, Bhaskar D R, Singh A K. Universal current-mode biquad filter using dual output current differencing transconductance amplifier. Int J Electron Commun, 2009, 63(7): 497
|
| [16] |
Tangsrirat W, Pukkalanun T, Mongkolwai P, et al. Simple current-mode analog multiplier, divider, square-rooter and squarer based on CDTAs. Int J Electron Commun, 2011, 65(3): 198 doi: 10.1016/j.aeue.2010.02.017
|
| [17] |
Siripruchyanun M, Jaikla W. A current-mode analog multiplier/divider based on CCCDTA. Int J Electron Commun, 2008, 62(3): 223 doi: 10.1016/j.aeue.2007.03.009
|
| [18] |
Biolek D, Keskin A U, Biolkova V. Grounded capacitor current mode single resistance-controlled oscillator using single modified current differencing transconductance amplifier. IET Circuits, Devices Syst, 2010, 4(6): 496 doi: 10.1049/iet-cds.2009.0330
|
| [19] |
Yongan L. Electronically tunable current-mode quadrature oscillator using single MCDTA. Radioengineering, 2010, 19(4): 667
|
| [20] |
Horng J W. Current-mode third-order quadrature oscillator using CDTAs. Active and Passive Electronic Components, 2009, 17: 212
|
| [21] |
Khateb F, Biolek D. A novel current-mode full-wave rectifier based on one CDTA and two diodes. Radioengineering, 2010, 19(3): 437
|
| [22] |
Kacar F, Bas A K. A new mixed mode fullwave rectifier realization with current differencing transconductance amplifier. J Circuits Syst Comput, 2014, 23(07): 1450101 doi: 10.1142/S0218126614501011
|
| [23] |
Biolek D, Hancioglub E, Keskin A U. A High-performance current differencing transconductance amplifier and its application in precision current-mode rectification. Int J Electron Commun, 2008, 62(2): 92 doi: 10.1016/j.aeue.2007.03.003
|
| [24] |
Rai S, Gupta M. Current differencing transconductance amplifier with enhanced performance and its application. Anal Integr Circuits Sign Process, 2016, 86(2): 307 doi: 10.1007/s10470-015-0675-z
|
| [25] |
Keskin A U, Biolek D, Hancioglu E, et al. Current-mode KHN filter employing current differencing transconductance amplifiers. Int J Electron Commun, 2006, 60(6): 443 doi: 10.1016/j.aeue.2005.09.003
|
| [26] |
Sedra S, Smith K C. Microelectronic circuits. 5th ed. New York: Oxford University Press, 2005
|
| [27] |
Rodriguez-Villegas E, Carvajal R G. On dealing with the charge trapped in floating-gate MOS (FGMOS) transistors. IEEE Trans Circuits Syst II, 2007, 54(2): 156 doi: 10.1109/TCSII.2006.886226
|
Article views: 4983 Times PDF downloads: 77 Times Cited by: 0 Times
Received: 22 December 2017 Revised: 24 February 2018 Online: Uncorrected proof: 21 May 2018Accepted Manuscript: 05 July 2018Published: 01 September 2018
| Citation: |
Charu Rana, Dinesh Prasad, Neelofar Afzal. Low voltage floating gate MOSFET based current differencing transconductance amplifier and its applications[J]. Journal of Semiconductors, 2018, 39(9): 094002. doi: 10.1088/1674-4926/39/9/094002
****
C Rana, D Prasad, N Afzal, Low voltage floating gate MOSFET based current differencing transconductance amplifier and its applications[J]. J. Semicond., 2018, 39(9): 094002. doi: 10.1088/1674-4926/39/9/094002.
|
| [1] |
Villegas E R. Low power and low voltage circuit design with the FGMOS transistor. The Institution of Engineering and Technology, 2006
|
| [2] |
Sánchez-Sinencio E. Floating gate techniques and applications, 2012 http://amesp02.tamu.edu/sanchez/607-2010-Floating%20Gate%20Circuits.pdf
|
| [3] |
Lopez-Martin A J, Ramirez-Angulo J, Carvajal R G, et al. CMOS transconductors with continuous tuning using FGMOS balanced output current scaling. IEEE J Solid-State Circuits, 2008, 43(8): 1313
|
| [4] |
Biolek D. CDTA-building block for current-mode analog signal processing. European Conference on Circuit Theory and Design, 2003: 397
|
| [5] |
Tangsrirat W, Pukkalanun T, Surakampontorn W. Synthesis of current differencing transconductance amplifier based current limiters and its applications. J Circuits Syst Comput, 2011, 20(02): 185 doi: 10.1142/S0218126611007190
|
| [6] |
Jaikla W, Khateb F, Siripongdee S, et al. Electronically tunable current-mode biquad filter employing CCCDTAs and grounded capacitors with low input and high output impedance. Int J Electron Commun, 2013, 67(12): 1005 doi: 10.1016/j.aeue.2013.05.014
|
| [7] |
Kumari S, Gupta S, Pandey N, et al. LC-ladder filter systematic implementation using OTRA. Int J Eng Sci Technol, 2016, 19(4): 1808 doi: 10.1016/j.jestch.2016.10.003
|
| [8] |
Tangsrirat W, Pukkalanun T. Structural generation of two integrator loop filters using CDTAs and grounded capacitors. Int J Circuit Theory Appl, 2011, 39(1): 31 doi: 10.1002/cta.v39.1
|
| [9] |
Alaybeyo?lu E, Kuntman H. A new reconfigurable filter structure employing CDTA for positioning systems, 9th International Conference on Electrical and Electronics Engineering (ELECO), 2015: 645
|
| [10] |
Tangsrirat W, Pukkalanun T, Surakampontorn W. Resistorless realization of current-mode first-order all pass filter using current differencing transconductance amplifiers. Microelectron J, 2010, 41(2): 178
|
| [11] |
Biolek D, Biolkova V, Kolka Z. Current-mode biquad employing single CDTA. Ind J Pure Appl Phys, 2007, 47(7): 535
|
| [12] |
Prasad D, Bhaskar D R, Singh A K. Multi-function biquad using single current differencing transconductance amplifier. Ana Integr Circuits Sign Process, 2009, 61(3): 309 doi: 10.1007/s10470-009-9310-1
|
| [13] |
Lahiri A, Chowdhury A. A novel first-order current mode all-pass filter using CDTA. Radioengineering, 2009, 18(3): 300
|
| [14] |
Tanjaroen W, Tangsrirat W. Resistorless current-mode first-order allpass filter using CDTAs. Electrical Engineering, Electronics, Computer, Telecommunications and Information Technology, 2008, 2(3): 721
|
| [15] |
Prasad D, Bhaskar D R, Singh A K. Universal current-mode biquad filter using dual output current differencing transconductance amplifier. Int J Electron Commun, 2009, 63(7): 497
|
| [16] |
Tangsrirat W, Pukkalanun T, Mongkolwai P, et al. Simple current-mode analog multiplier, divider, square-rooter and squarer based on CDTAs. Int J Electron Commun, 2011, 65(3): 198 doi: 10.1016/j.aeue.2010.02.017
|
| [17] |
Siripruchyanun M, Jaikla W. A current-mode analog multiplier/divider based on CCCDTA. Int J Electron Commun, 2008, 62(3): 223 doi: 10.1016/j.aeue.2007.03.009
|
| [18] |
Biolek D, Keskin A U, Biolkova V. Grounded capacitor current mode single resistance-controlled oscillator using single modified current differencing transconductance amplifier. IET Circuits, Devices Syst, 2010, 4(6): 496 doi: 10.1049/iet-cds.2009.0330
|
| [19] |
Yongan L. Electronically tunable current-mode quadrature oscillator using single MCDTA. Radioengineering, 2010, 19(4): 667
|
| [20] |
Horng J W. Current-mode third-order quadrature oscillator using CDTAs. Active and Passive Electronic Components, 2009, 17: 212
|
| [21] |
Khateb F, Biolek D. A novel current-mode full-wave rectifier based on one CDTA and two diodes. Radioengineering, 2010, 19(3): 437
|
| [22] |
Kacar F, Bas A K. A new mixed mode fullwave rectifier realization with current differencing transconductance amplifier. J Circuits Syst Comput, 2014, 23(07): 1450101 doi: 10.1142/S0218126614501011
|
| [23] |
Biolek D, Hancioglub E, Keskin A U. A High-performance current differencing transconductance amplifier and its application in precision current-mode rectification. Int J Electron Commun, 2008, 62(2): 92 doi: 10.1016/j.aeue.2007.03.003
|
| [24] |
Rai S, Gupta M. Current differencing transconductance amplifier with enhanced performance and its application. Anal Integr Circuits Sign Process, 2016, 86(2): 307 doi: 10.1007/s10470-015-0675-z
|
| [25] |
Keskin A U, Biolek D, Hancioglu E, et al. Current-mode KHN filter employing current differencing transconductance amplifiers. Int J Electron Commun, 2006, 60(6): 443 doi: 10.1016/j.aeue.2005.09.003
|
| [26] |
Sedra S, Smith K C. Microelectronic circuits. 5th ed. New York: Oxford University Press, 2005
|
| [27] |
Rodriguez-Villegas E, Carvajal R G. On dealing with the charge trapped in floating-gate MOS (FGMOS) transistors. IEEE Trans Circuits Syst II, 2007, 54(2): 156 doi: 10.1109/TCSII.2006.886226
|
Journal of Semiconductors © 2017 All Rights Reserved 京ICP備05085259號-2