SEMICONDUCTOR INTEGRATED CIRCUITS
Binjie Ge, Yan Li, Hang Yu and Xiaoxing Feng
Corresponding author: Yan Li, Email: liyan@szu.edu.cn
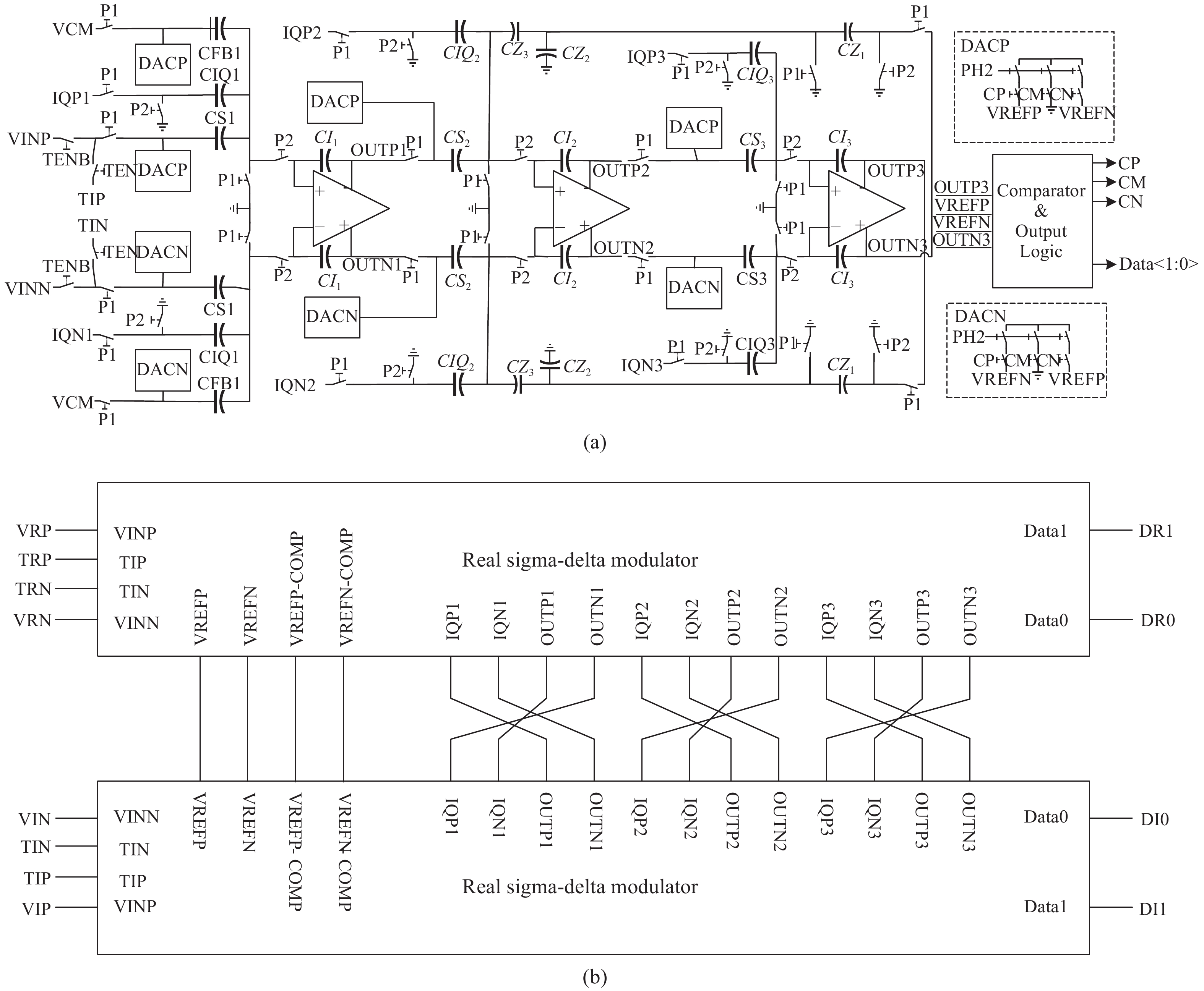
Abstract: This paper presents the design and implementation of quadrature bandpass sigma–delta modulator. A pole movement method for transforming real sigma–delta modulator to a quadrature one is proposed by detailed study of the relationship of noise-shaping center frequency and integrator pole position in sigma–delta modulator. The proposed modulator uses sampling capacitor sharing switched capacitor integrator, and achieves a very small feedback coefficient by a series capacitor network, and those two techniques can dramatically reduce capacitor area. Quantizer output-dependent dummy capacitor load for reference voltage buffer can compensate signal-dependent noise that is caused by load variation. This paper designs a quadrature bandpass Sigma-Delta modulator for 2.4 GHz low IF receivers that achieve 69 dB SNDR at 1 MHz BW and ?1 MHz IF with 48 MHz clock. The chip is fabricated with SMIC 0.18 μm CMOS technology, it achieves a total power current of 2.1 mA, and the chip area is 0.48 mm2.
Key words: quadrature, bandpass pole-movement, sigma–delta image-rejection
| [1] |
Razavi B. RF microelectronics. 2nd ed. Pearson Education, Inc, 2012
|
| [2] |
Crols J, Steyaert S J. Low-IF topologies for high-performance analog front ends of fully integrated receivers. IEEE Trans Circuits Syst II, 1998, 45(3): 269 doi: 10.1109/82.664233
|
| [3] |
Cui F L. Mixer and image-rejection circuit analysis and design in Bluetooth transceiver. PhD Thesis, Fudan University, 2004
|
| [4] |
Xu Y, Zhang Z H, Chi B Y, et al. A 5-/20-MHz BW reconfigurable quadrature bandpass CT ΔΣ ADC with antipole-splitting opamp and digital I/Q calibration. IEEE Trans Very Large Scale Integr (VLSI) Syst, 2016, 24(1): 234
|
| [5] |
Zhang J F, Xu Y, Zhang Z H, et al. A 10-b fourth-order quadrature bandpass continuous-time ΣΔ modulator with 33-MHz bandwidth for a dual-channel GNSS receiver. IEEE Trans Microwave Theory Tech, 2017, 65(4): 1303 doi: 10.1109/TMTT.2017.2662378
|
| [6] |
Li B, Pun K P. A high image-rejection sc quadrature bandpass DSM for low-IF receivers. IEEE Trans Circuits Syst I, 2014, 61(1): 92 doi: 10.1109/TCSI.2013.2268588
|
| [7] |
Allen M, Marttila J, Valkama M. Wideband quadrature sigma-delta A/D conversion for cognitive radio - reconfigurable design and digital mirror-frequency suppression. Vehicular Technology Conference (VTC Fall), 2013: 1090
|
| [8] |
Martin K W. Complex signal processing is not complex. IEEE Trans Circuits Syst I, 2004, 51(9): 1823 doi: 10.1109/TCSI.2004.834522
|
| [9] |
Pavan S, Schreier R, Temes G. Understanding delta-sigma data converters. 2nd ed. John Wiley & Sons, Inc, 2016
|
| [10] |
Neitola M. Loop filter design and optimization for quadrature delta–sigma converters. IEEE European Conference on Circuit Theory and Design, 2015: 24
|
| [11] |
Jantzi S A, Martin K W, Sedra A S. Quadrature bandpass modulator for digital radio. IEEE J Solid-State Circuits, 1997, 32(12): 1935 doi: 10.1109/4.643651
|
| [12] |
Ge B J, Wang X A, Zhang X, et al. Sigma-delta modulator modeling analysis and design. J Semicond, 2010, 31(9): 095003 doi: 10.1088/1674-4926/31/9/095003
|
| [13] |
Ge B J, Wang X A, Zhang X, et al. Study and analysis of coefficient mismatch in a MASH21 sigma-delta modulator. J Semicond, 2010, 31(1): 015007 doi: 10.1088/1674-4926/31/1/015007
|
| [14] |
Razavi B. Design of analog CMOS intergrated circuits. 2nd ed. McGraw-Hill Education, 2016
|
| [15] |
Philips K. A 4.4 mW 76 dB complex ADC for bluetooth receivers. IEEE ISSCC, 2003: 64
|
| [16] |
Atac A, Liao L, Wang Y, et al. A 1.7 mW quadrature bandpass ΔΣ ADC with 1 MHz bandwidth and 60 dB DR at 1 MHz IF. IEEE International Symposium on Circuits & Systems, 2013, 1035(10): 1039
|
Table 1. Pole movement.
| Pole name | Real-SDM | Complex-SDM | Image-Delta | ||
| Real-Pole | 1 | 0.9914 ? j0.1305 | 0.1305 | ||
| Complex-Pole1 | 0.9989 + j0.0468 | 0.9842 ? j0.084 | 0.1308 | ||
| Complex-Pole2 | 0.9989 ? j0.0468 | 0.9964 ? j0.1768 | 0.1300 |
DownLoad: CSV
Table 2. Modulator coefficient values.
| Name | Ideal | Real | Name | Ideal | Real |
| a1 | 0.1 | 1/8 | c1 | 0.3561 | 2/8 |
| a2 | 0.2425 | 2/8 | c2 | 0.3778 | 3/8 |
| a3 | 0.3561 | 3/8 | c3 | 5.5 | 5.5 |
| b1 | 0.044 | 1/16 | g | 0.006 | 1/240 |
DownLoad: CSV
Table 3. Opamp design specifications.
| Parameter | 1st opamp | 2nd opamp | 3rd opamp |
| Slew rate (MV/s) | 120 | 60 | 60 |
| DC gain (dB) | 50 | 52 | 52 |
| GBW (MHz) | 550 | 280 | 280 |
| Von (mV) | 40 | 60 | 60 |
| Power current (μA) | 490 | 240 | 240 |
DownLoad: CSV
Table 4. Modulator capacitor value.
| Cap | 1st integrator | 2nd integrator | 3rd integrator | Zero cap |
| CS | 2C0 | 2C0 | 3C0 | CZ3 = 1C0 |
| CIQ | 4C0 | 1C0 | 1C0 | |
| CFB | 2C0 | CS share | CS share | CZ3 = 28C0 |
| CI | 32C0 | 8C0 | 8C0 | CZ3 = 1C0 |
DownLoad: CSV
Table 5. Test results and comparison.
| Parameter | Ref. [15] | Ref. [16] | This work | ||
| Bandwidth (MHz) | 1 | 1 | 1 | ||
| IF (MHz) | 0.5 | 1 | ?1 | ||
| fs (MHz) | 64 | 32 | 48 | ||
| Modulator | 5th CT | 3rd CT | 3rd SC | ||
| DR (dB) | 76 | 60 | 70 | ||
| SNDRpeak (dB) | 75.5 | 58.6 | > 69 | ||
| Image rejection (dB) | > 47 | 44.6 | --- | ||
| IM3 distortion (dBc) | < ?82 | ?49 | < ?58 | ||
| Power (mA) | 2.44 @ 1.8 V | 1.42 @ 1.2 V | 2.1 @ 1.8 V | ||
| Technology (μm) | 0.18 | 0.13 | 0.18 | ||
| Area (mm2) | 0.22 | 0.62 | 0.48 |
DownLoad: CSV
| [1] |
Razavi B. RF microelectronics. 2nd ed. Pearson Education, Inc, 2012
|
| [2] |
Crols J, Steyaert S J. Low-IF topologies for high-performance analog front ends of fully integrated receivers. IEEE Trans Circuits Syst II, 1998, 45(3): 269 doi: 10.1109/82.664233
|
| [3] |
Cui F L. Mixer and image-rejection circuit analysis and design in Bluetooth transceiver. PhD Thesis, Fudan University, 2004
|
| [4] |
Xu Y, Zhang Z H, Chi B Y, et al. A 5-/20-MHz BW reconfigurable quadrature bandpass CT ΔΣ ADC with antipole-splitting opamp and digital I/Q calibration. IEEE Trans Very Large Scale Integr (VLSI) Syst, 2016, 24(1): 234
|
| [5] |
Zhang J F, Xu Y, Zhang Z H, et al. A 10-b fourth-order quadrature bandpass continuous-time ΣΔ modulator with 33-MHz bandwidth for a dual-channel GNSS receiver. IEEE Trans Microwave Theory Tech, 2017, 65(4): 1303 doi: 10.1109/TMTT.2017.2662378
|
| [6] |
Li B, Pun K P. A high image-rejection sc quadrature bandpass DSM for low-IF receivers. IEEE Trans Circuits Syst I, 2014, 61(1): 92 doi: 10.1109/TCSI.2013.2268588
|
| [7] |
Allen M, Marttila J, Valkama M. Wideband quadrature sigma-delta A/D conversion for cognitive radio - reconfigurable design and digital mirror-frequency suppression. Vehicular Technology Conference (VTC Fall), 2013: 1090
|
| [8] |
Martin K W. Complex signal processing is not complex. IEEE Trans Circuits Syst I, 2004, 51(9): 1823 doi: 10.1109/TCSI.2004.834522
|
| [9] |
Pavan S, Schreier R, Temes G. Understanding delta-sigma data converters. 2nd ed. John Wiley & Sons, Inc, 2016
|
| [10] |
Neitola M. Loop filter design and optimization for quadrature delta–sigma converters. IEEE European Conference on Circuit Theory and Design, 2015: 24
|
| [11] |
Jantzi S A, Martin K W, Sedra A S. Quadrature bandpass modulator for digital radio. IEEE J Solid-State Circuits, 1997, 32(12): 1935 doi: 10.1109/4.643651
|
| [12] |
Ge B J, Wang X A, Zhang X, et al. Sigma-delta modulator modeling analysis and design. J Semicond, 2010, 31(9): 095003 doi: 10.1088/1674-4926/31/9/095003
|
| [13] |
Ge B J, Wang X A, Zhang X, et al. Study and analysis of coefficient mismatch in a MASH21 sigma-delta modulator. J Semicond, 2010, 31(1): 015007 doi: 10.1088/1674-4926/31/1/015007
|
| [14] |
Razavi B. Design of analog CMOS intergrated circuits. 2nd ed. McGraw-Hill Education, 2016
|
| [15] |
Philips K. A 4.4 mW 76 dB complex ADC for bluetooth receivers. IEEE ISSCC, 2003: 64
|
| [16] |
Atac A, Liao L, Wang Y, et al. A 1.7 mW quadrature bandpass ΔΣ ADC with 1 MHz bandwidth and 60 dB DR at 1 MHz IF. IEEE International Symposium on Circuits & Systems, 2013, 1035(10): 1039
|
Article views: 4673 Times PDF downloads: 110 Times Cited by: 0 Times
Received: 25 July 2017 Revised: 12 December 2017 Online: Accepted Manuscript: 13 January 2018Uncorrected proof: 24 January 2018Published: 01 May 2018
| Citation: |
Binjie Ge, Yan Li, Hang Yu, Xiaoxing Feng. Design and implementation of quadrature bandpass sigma–delta modulator used in low-IF RF receiver[J]. Journal of Semiconductors, 2018, 39(5): 055002. doi: 10.1088/1674-4926/39/5/055002
****
B J Ge, Y Li, H Yu, X X Feng. Design and implementation of quadrature bandpass sigma–delta modulator used in low-IF RF receiver[J]. J. Semicond., 2018, 39(5): 055002. doi: 10.1088/1674-4926/39/5/055002.
|
Project supported by the National Natural Science Foundation of China (Nos. 61471245, U1201256), the Guangdong Province Foundation (No. 2014B090901031), and the Shenzhen Foundation (Nos. JCYJ20160308095019383, JSGG20150529160945187).
| [1] |
Razavi B. RF microelectronics. 2nd ed. Pearson Education, Inc, 2012
|
| [2] |
Crols J, Steyaert S J. Low-IF topologies for high-performance analog front ends of fully integrated receivers. IEEE Trans Circuits Syst II, 1998, 45(3): 269 doi: 10.1109/82.664233
|
| [3] |
Cui F L. Mixer and image-rejection circuit analysis and design in Bluetooth transceiver. PhD Thesis, Fudan University, 2004
|
| [4] |
Xu Y, Zhang Z H, Chi B Y, et al. A 5-/20-MHz BW reconfigurable quadrature bandpass CT ΔΣ ADC with antipole-splitting opamp and digital I/Q calibration. IEEE Trans Very Large Scale Integr (VLSI) Syst, 2016, 24(1): 234
|
| [5] |
Zhang J F, Xu Y, Zhang Z H, et al. A 10-b fourth-order quadrature bandpass continuous-time ΣΔ modulator with 33-MHz bandwidth for a dual-channel GNSS receiver. IEEE Trans Microwave Theory Tech, 2017, 65(4): 1303 doi: 10.1109/TMTT.2017.2662378
|
| [6] |
Li B, Pun K P. A high image-rejection sc quadrature bandpass DSM for low-IF receivers. IEEE Trans Circuits Syst I, 2014, 61(1): 92 doi: 10.1109/TCSI.2013.2268588
|
| [7] |
Allen M, Marttila J, Valkama M. Wideband quadrature sigma-delta A/D conversion for cognitive radio - reconfigurable design and digital mirror-frequency suppression. Vehicular Technology Conference (VTC Fall), 2013: 1090
|
| [8] |
Martin K W. Complex signal processing is not complex. IEEE Trans Circuits Syst I, 2004, 51(9): 1823 doi: 10.1109/TCSI.2004.834522
|
| [9] |
Pavan S, Schreier R, Temes G. Understanding delta-sigma data converters. 2nd ed. John Wiley & Sons, Inc, 2016
|
| [10] |
Neitola M. Loop filter design and optimization for quadrature delta–sigma converters. IEEE European Conference on Circuit Theory and Design, 2015: 24
|
| [11] |
Jantzi S A, Martin K W, Sedra A S. Quadrature bandpass modulator for digital radio. IEEE J Solid-State Circuits, 1997, 32(12): 1935 doi: 10.1109/4.643651
|
| [12] |
Ge B J, Wang X A, Zhang X, et al. Sigma-delta modulator modeling analysis and design. J Semicond, 2010, 31(9): 095003 doi: 10.1088/1674-4926/31/9/095003
|
| [13] |
Ge B J, Wang X A, Zhang X, et al. Study and analysis of coefficient mismatch in a MASH21 sigma-delta modulator. J Semicond, 2010, 31(1): 015007 doi: 10.1088/1674-4926/31/1/015007
|
| [14] |
Razavi B. Design of analog CMOS intergrated circuits. 2nd ed. McGraw-Hill Education, 2016
|
| [15] |
Philips K. A 4.4 mW 76 dB complex ADC for bluetooth receivers. IEEE ISSCC, 2003: 64
|
| [16] |
Atac A, Liao L, Wang Y, et al. A 1.7 mW quadrature bandpass ΔΣ ADC with 1 MHz bandwidth and 60 dB DR at 1 MHz IF. IEEE International Symposium on Circuits & Systems, 2013, 1035(10): 1039
|
Journal of Semiconductors © 2017 All Rights Reserved 京ICP備05085259號(hào)-2