SEMICONDUCTOR INTEGRATED CIRCUITS
Dechun Bao1, Lichuan Luo1, Zhaohua Zhang1, 2, and Tianling Ren2,
Corresponding author: Zhaohua Zhang Email: imezzh@hotmail.com; Zhaohua Zhang Email: imezzh@hotmail.com
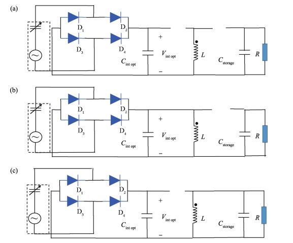
Abstract: Recently, triboelectric nanogenerators (TENGs), as a collection technology with characteristics of high reliability, high energy density and low cost, has attracted more and more attention. However, the energy coming from TENGs needs to be stored in a storage unit effectively due to its unstable ac output. The traditional energy storage circuit has an extremely low energy storage efficiency for TENGs because of their high internal impedance. This paper presents a new power management circuit used to optimize the energy using efficiency of TENGs, and realize large load capacity. The power management circuit mainly includes rectification storage circuit and DC-DC management circuit. A rotating TENG with maximal energy output of 106 mW at 170 rpm based on PCB is used for the experimental verification. Experimental results show that the power energy transforming to the storage capacitor reach up to 53 mW and the energy using efficiency is calculated as 50%. When different loading resistances range from 0.82 to 34.5 kΩ are connected to the storage capacitor in parallel, the power energy stored in the storage capacitor is all about 52.5 mW. Getting through the circuit, the power energy coming from the TENGs can be used to drive numerous conventional electronics, such as wearable watches.
Key words: triboelectric nanogenerator, power management circuits, large load capacity, energy used efficiency
| [1] |
Kim D H, Lu N, Ma R, et al. Epidermal electronics. Science, 2011, 333(6044):838 doi: 10.1126/science.1206157
|
| [2] |
Yick J, Mukherjee B, Ghosal D. Wireless sensor network survey. Computer Networks, 2008, 52(12):2292 doi: 10.1016/j.comnet.2008.04.002
|
| [3] |
Chalasani S, Conrad J M. A survey of energy harvesting sources for embedded systems. IEEE Southeast Con, 2008, 2008:442 https://www.coursehero.com/file/18569130/A-Survey-of-Energy-Harvesting-Sources-for-Embedded-Systems/
|
| [4] |
Reimers C E, Tender L M, Fertig S, et al. Harvesting energy from the marine sediment-water interface. Environ Sci Technol, 2001, 35(1):192 doi: 10.1021/es001223s
|
| [5] |
Wohlever J, Bernhard R. Mechanical energy flow models of rods and beams. J Sound Vib, 1992, 153(1):1 doi: 10.1016/0022-460X(92)90623-6
|
| [6] |
Wang Z L. Piezoelectric nanogenerators based on zinc oxide nanowire arrays. Science, 2006, 312(5771):242 doi: 10.1126/science.1124005
|
| [7] |
Wang Z L. Progress in piezotronics and piezo-phototronics. Adv Mater, 2012, 24(34):4632 doi: 10.1002/adma.v24.34
|
| [8] |
Oster G, Wang H. How protein motors convert chemical energy into mechanical work. Mol Motors, 2003:205 http://citeseerx.ist.psu.edu/viewdoc/summary?doi=10.1.1.68.2095
|
| [9] |
Lee Y H, Kim J S, Noh J, et al. Wearable textile battery rechargeable by solar energy. Nano Lett, 2013, 13(11):5753 doi: 10.1021/nl403860k
|
| [10] |
Zhang Z, Chen X, Chen P, et al. Integrated polymer solar cell and electrochemical supercapacitor in a flexible and stable fiber format. Adv Mater, 2014, 26(3):466 doi: 10.1002/adma.201302951
|
| [11] |
Wang X, Song J, Liu J, et al. Direct-current nanogenerator driven by ultrasonic waves. Science, 2007, 316(5821):102 doi: 10.1126/science.1139366
|
| [12] |
Yang R, Qin Y, Dai L, et al. Power generation with laterally packaged piezoelectric fine wires. Nat Nanotechnol, 2008, 4(1):34 http://www.me.umn.edu/labs/nstl/publications/Paper/2008_RSYang_NN_Power%20generation%20with%20laterally-packaged%20piezoelectric%20fine%20wires.pdf
|
| [13] |
Wang Z L, Wang X. Nanogenerators and piezotronics. Nano Energy, 2015, 14:1 doi: 10.1016/j.nanoen.2015.01.011
|
| [14] |
Williams C, Shearwood C, Harradine M, et al. Development of an electromagnetic micro-generator. IEE Proceedings——Circuits, Devices and Systems, 2001, 148(6):337 doi: 10.1049/ip-cds:20010525
|
| [15] |
Saha CR, O'Donnell T, Wang N, et al. Electromagnetic generator for harvesting energy from human motion. Sens Actuators A, 2008, 147(1):248 doi: 10.1016/j.sna.2008.03.008
|
| [16] |
Tashiro R, Kabei N, Katayama K, et al. Development of an electrostatic generator for a cardiac pacemaker that harnesses the ventricular wall motion. J Artificial Organs, 2002, 5(4):0239 doi: 10.1007/s100470200045
|
| [17] |
Suzuki Y. Recent progress in MEMS electret generator for energy harvesting. IEEJ Trans Electrical Electron Eng, 2011, 6(2):101 doi: 10.1002/tee.20631
|
| [18] |
Wang Z L. Triboelectric nanogenerators as new energy technology for self-powered systems and as active mechanical and chemical sensors. ACS Nano, 2013, 7(11):9533 doi: 10.1021/nn404614z
|
| [19] |
Pu X, Li L, Song H, et al. A self-charging power unit by integration of a textile triboelectric nanogenerator and a flexible lithium-ion battery for wearable electronics. Adv Mater, 2015, 27(15):2472 doi: 10.1002/adma.201500311
|
| [20] |
Zhu G, Peng B, Chen J, et al. Triboelectric nanogenerators as a new energy technology:from fundamentals, devices, to applications. Nano Energy, 2015, 14:126 doi: 10.1016/j.nanoen.2014.11.050
|
| [21] |
Meng B, Tang W, Zhang X, et al. Self-powered flexible printed circuit board with integrated triboelectric generator. Nano Energy, 2013, 2(6):1101 doi: 10.1016/j.nanoen.2013.08.006
|
| [22] |
Niu S, Wang S, Liu Y, et al. A theoretical study of grating structured triboelectric nanogenerators. Energy Environ Sci, 2014, 7(7):2339 doi: 10.1039/C4EE00498A
|
| [23] |
Niu S, Wang S, Lin L, et al. Theoretical study of contact-mode triboelectric nanogenerators as an effective power source. Energy Environ Sci, 2013, 6(12):3576 doi: 10.1039/c3ee42571a
|
| [24] |
Niu S, Wang Z L. Theoretical systems of triboelectric nanogenerators. Nano Energy, 2015, 14:161 doi: 10.1016/j.nanoen.2014.11.034
|
| [25] |
Luo L C, Bao D C, Yu W Q, et al. A low input current and wide conversion ratio buck regulator with 75% efficiency for high-voltage triboelectric nanogenerators. Sci Rep, 2016, 6:19246 doi: 10.1038/srep19246
|
| [26] |
Han C, Zhang C, Tang W, et al. High power triboelectric nanogenerator based on printed circuit board (PCB) technology. Nano Res, 2014, 8(3):722 doi: 10.1007/s12274-016-1213-8
|
| [27] |
Zhu G, Chen J, Zhang T, et al. Radial-arrayed rotary electrification for high performance triboelectric generator. Nat Commun, 2014, 5:3426 http://adsabs.harvard.edu/abs/2014NatCo...5E3426Z
|
| [28] |
Wang S, Lin Z H, Niu S, et al. Motion charged battery as sustainable flexible-power-unit. ACS Nano, 2013, 7(12):11263 doi: 10.1021/nn4050408
|
| [29] |
Lesieutre G A, Ottman G K, Hofmann H F. Damping as a result of piezoelectric energy harvesting. J Sound Vib, 2004, 269(3-5):991 doi: 10.1016/S0022-460X(03)00210-4
|
| [30] |
Lallart M, Garbuio L, Petit L, et al. Double synchronized switch harvesting (DSSH):a new energy harvesting scheme for efficient energy extraction. IEEE Trans Ultrason Ferroelectr Freq Control, 2008, 55(10):2119 doi: 10.1109/TUFFC.912
|
| [31] |
Lallart M, Magnet C, Richard C, et al. New synchronized switch damping methods using dual transformations. Sens Actuators A, 2008, 143(2):302 doi: 10.1016/j.sna.2007.12.001
|
| [32] |
Niu S, Wang X, Yi F, et al. A universal self-charging system driven by random biomechanical energy for sustainable operation of mobile electronics. Nat Commun, 2015, 6:8975 doi: 10.1038/ncomms9975
|
| [33] |
Niu S, Liu Y, Zhou Y S, et al. Optimization of triboelectric nanogenerator charging systems for efficient energy harvesting and storage. IEEE Trans Electron Devices, 2015, 62(2):641R doi: 10.1109/TED.2014.2377728
|
| [1] |
Kim D H, Lu N, Ma R, et al. Epidermal electronics. Science, 2011, 333(6044):838 doi: 10.1126/science.1206157
|
| [2] |
Yick J, Mukherjee B, Ghosal D. Wireless sensor network survey. Computer Networks, 2008, 52(12):2292 doi: 10.1016/j.comnet.2008.04.002
|
| [3] |
Chalasani S, Conrad J M. A survey of energy harvesting sources for embedded systems. IEEE Southeast Con, 2008, 2008:442 https://www.coursehero.com/file/18569130/A-Survey-of-Energy-Harvesting-Sources-for-Embedded-Systems/
|
| [4] |
Reimers C E, Tender L M, Fertig S, et al. Harvesting energy from the marine sediment-water interface. Environ Sci Technol, 2001, 35(1):192 doi: 10.1021/es001223s
|
| [5] |
Wohlever J, Bernhard R. Mechanical energy flow models of rods and beams. J Sound Vib, 1992, 153(1):1 doi: 10.1016/0022-460X(92)90623-6
|
| [6] |
Wang Z L. Piezoelectric nanogenerators based on zinc oxide nanowire arrays. Science, 2006, 312(5771):242 doi: 10.1126/science.1124005
|
| [7] |
Wang Z L. Progress in piezotronics and piezo-phototronics. Adv Mater, 2012, 24(34):4632 doi: 10.1002/adma.v24.34
|
| [8] |
Oster G, Wang H. How protein motors convert chemical energy into mechanical work. Mol Motors, 2003:205 http://citeseerx.ist.psu.edu/viewdoc/summary?doi=10.1.1.68.2095
|
| [9] |
Lee Y H, Kim J S, Noh J, et al. Wearable textile battery rechargeable by solar energy. Nano Lett, 2013, 13(11):5753 doi: 10.1021/nl403860k
|
| [10] |
Zhang Z, Chen X, Chen P, et al. Integrated polymer solar cell and electrochemical supercapacitor in a flexible and stable fiber format. Adv Mater, 2014, 26(3):466 doi: 10.1002/adma.201302951
|
| [11] |
Wang X, Song J, Liu J, et al. Direct-current nanogenerator driven by ultrasonic waves. Science, 2007, 316(5821):102 doi: 10.1126/science.1139366
|
| [12] |
Yang R, Qin Y, Dai L, et al. Power generation with laterally packaged piezoelectric fine wires. Nat Nanotechnol, 2008, 4(1):34 http://www.me.umn.edu/labs/nstl/publications/Paper/2008_RSYang_NN_Power%20generation%20with%20laterally-packaged%20piezoelectric%20fine%20wires.pdf
|
| [13] |
Wang Z L, Wang X. Nanogenerators and piezotronics. Nano Energy, 2015, 14:1 doi: 10.1016/j.nanoen.2015.01.011
|
| [14] |
Williams C, Shearwood C, Harradine M, et al. Development of an electromagnetic micro-generator. IEE Proceedings——Circuits, Devices and Systems, 2001, 148(6):337 doi: 10.1049/ip-cds:20010525
|
| [15] |
Saha CR, O'Donnell T, Wang N, et al. Electromagnetic generator for harvesting energy from human motion. Sens Actuators A, 2008, 147(1):248 doi: 10.1016/j.sna.2008.03.008
|
| [16] |
Tashiro R, Kabei N, Katayama K, et al. Development of an electrostatic generator for a cardiac pacemaker that harnesses the ventricular wall motion. J Artificial Organs, 2002, 5(4):0239 doi: 10.1007/s100470200045
|
| [17] |
Suzuki Y. Recent progress in MEMS electret generator for energy harvesting. IEEJ Trans Electrical Electron Eng, 2011, 6(2):101 doi: 10.1002/tee.20631
|
| [18] |
Wang Z L. Triboelectric nanogenerators as new energy technology for self-powered systems and as active mechanical and chemical sensors. ACS Nano, 2013, 7(11):9533 doi: 10.1021/nn404614z
|
| [19] |
Pu X, Li L, Song H, et al. A self-charging power unit by integration of a textile triboelectric nanogenerator and a flexible lithium-ion battery for wearable electronics. Adv Mater, 2015, 27(15):2472 doi: 10.1002/adma.201500311
|
| [20] |
Zhu G, Peng B, Chen J, et al. Triboelectric nanogenerators as a new energy technology:from fundamentals, devices, to applications. Nano Energy, 2015, 14:126 doi: 10.1016/j.nanoen.2014.11.050
|
| [21] |
Meng B, Tang W, Zhang X, et al. Self-powered flexible printed circuit board with integrated triboelectric generator. Nano Energy, 2013, 2(6):1101 doi: 10.1016/j.nanoen.2013.08.006
|
| [22] |
Niu S, Wang S, Liu Y, et al. A theoretical study of grating structured triboelectric nanogenerators. Energy Environ Sci, 2014, 7(7):2339 doi: 10.1039/C4EE00498A
|
| [23] |
Niu S, Wang S, Lin L, et al. Theoretical study of contact-mode triboelectric nanogenerators as an effective power source. Energy Environ Sci, 2013, 6(12):3576 doi: 10.1039/c3ee42571a
|
| [24] |
Niu S, Wang Z L. Theoretical systems of triboelectric nanogenerators. Nano Energy, 2015, 14:161 doi: 10.1016/j.nanoen.2014.11.034
|
| [25] |
Luo L C, Bao D C, Yu W Q, et al. A low input current and wide conversion ratio buck regulator with 75% efficiency for high-voltage triboelectric nanogenerators. Sci Rep, 2016, 6:19246 doi: 10.1038/srep19246
|
| [26] |
Han C, Zhang C, Tang W, et al. High power triboelectric nanogenerator based on printed circuit board (PCB) technology. Nano Res, 2014, 8(3):722 doi: 10.1007/s12274-016-1213-8
|
| [27] |
Zhu G, Chen J, Zhang T, et al. Radial-arrayed rotary electrification for high performance triboelectric generator. Nat Commun, 2014, 5:3426 http://adsabs.harvard.edu/abs/2014NatCo...5E3426Z
|
| [28] |
Wang S, Lin Z H, Niu S, et al. Motion charged battery as sustainable flexible-power-unit. ACS Nano, 2013, 7(12):11263 doi: 10.1021/nn4050408
|
| [29] |
Lesieutre G A, Ottman G K, Hofmann H F. Damping as a result of piezoelectric energy harvesting. J Sound Vib, 2004, 269(3-5):991 doi: 10.1016/S0022-460X(03)00210-4
|
| [30] |
Lallart M, Garbuio L, Petit L, et al. Double synchronized switch harvesting (DSSH):a new energy harvesting scheme for efficient energy extraction. IEEE Trans Ultrason Ferroelectr Freq Control, 2008, 55(10):2119 doi: 10.1109/TUFFC.912
|
| [31] |
Lallart M, Magnet C, Richard C, et al. New synchronized switch damping methods using dual transformations. Sens Actuators A, 2008, 143(2):302 doi: 10.1016/j.sna.2007.12.001
|
| [32] |
Niu S, Wang X, Yi F, et al. A universal self-charging system driven by random biomechanical energy for sustainable operation of mobile electronics. Nat Commun, 2015, 6:8975 doi: 10.1038/ncomms9975
|
| [33] |
Niu S, Liu Y, Zhou Y S, et al. Optimization of triboelectric nanogenerator charging systems for efficient energy harvesting and storage. IEEE Trans Electron Devices, 2015, 62(2):641R doi: 10.1109/TED.2014.2377728
|
Article views: 4703 Times PDF downloads: 80 Times Cited by: 0 Times
Received: 18 January 2017 Revised: 19 February 2017 Online: Published: 01 September 2017
| Citation: |
Dechun Bao, Lichuan Luo, Zhaohua Zhang, Tianling Ren. A power management circuit with 50% efficiency and large load capacity for triboelectric nanogenerator[J]. Journal of Semiconductors, 2017, 38(9): 095001. doi: 10.1088/1674-4926/38/9/095001
****
D C Bao, L C Luo, Z H Zhang, T L Ren. A power management circuit with 50% efficiency and large load capacity for triboelectric nanogenerator[J]. J. Semicond., 2017, 38(9): 095001. doi: 10.1088/1674-4926/38/9/095001.
|
| [1] |
Kim D H, Lu N, Ma R, et al. Epidermal electronics. Science, 2011, 333(6044):838 doi: 10.1126/science.1206157
|
| [2] |
Yick J, Mukherjee B, Ghosal D. Wireless sensor network survey. Computer Networks, 2008, 52(12):2292 doi: 10.1016/j.comnet.2008.04.002
|
| [3] |
Chalasani S, Conrad J M. A survey of energy harvesting sources for embedded systems. IEEE Southeast Con, 2008, 2008:442 https://www.coursehero.com/file/18569130/A-Survey-of-Energy-Harvesting-Sources-for-Embedded-Systems/
|
| [4] |
Reimers C E, Tender L M, Fertig S, et al. Harvesting energy from the marine sediment-water interface. Environ Sci Technol, 2001, 35(1):192 doi: 10.1021/es001223s
|
| [5] |
Wohlever J, Bernhard R. Mechanical energy flow models of rods and beams. J Sound Vib, 1992, 153(1):1 doi: 10.1016/0022-460X(92)90623-6
|
| [6] |
Wang Z L. Piezoelectric nanogenerators based on zinc oxide nanowire arrays. Science, 2006, 312(5771):242 doi: 10.1126/science.1124005
|
| [7] |
Wang Z L. Progress in piezotronics and piezo-phototronics. Adv Mater, 2012, 24(34):4632 doi: 10.1002/adma.v24.34
|
| [8] |
Oster G, Wang H. How protein motors convert chemical energy into mechanical work. Mol Motors, 2003:205 http://citeseerx.ist.psu.edu/viewdoc/summary?doi=10.1.1.68.2095
|
| [9] |
Lee Y H, Kim J S, Noh J, et al. Wearable textile battery rechargeable by solar energy. Nano Lett, 2013, 13(11):5753 doi: 10.1021/nl403860k
|
| [10] |
Zhang Z, Chen X, Chen P, et al. Integrated polymer solar cell and electrochemical supercapacitor in a flexible and stable fiber format. Adv Mater, 2014, 26(3):466 doi: 10.1002/adma.201302951
|
| [11] |
Wang X, Song J, Liu J, et al. Direct-current nanogenerator driven by ultrasonic waves. Science, 2007, 316(5821):102 doi: 10.1126/science.1139366
|
| [12] |
Yang R, Qin Y, Dai L, et al. Power generation with laterally packaged piezoelectric fine wires. Nat Nanotechnol, 2008, 4(1):34 http://www.me.umn.edu/labs/nstl/publications/Paper/2008_RSYang_NN_Power%20generation%20with%20laterally-packaged%20piezoelectric%20fine%20wires.pdf
|
| [13] |
Wang Z L, Wang X. Nanogenerators and piezotronics. Nano Energy, 2015, 14:1 doi: 10.1016/j.nanoen.2015.01.011
|
| [14] |
Williams C, Shearwood C, Harradine M, et al. Development of an electromagnetic micro-generator. IEE Proceedings——Circuits, Devices and Systems, 2001, 148(6):337 doi: 10.1049/ip-cds:20010525
|
| [15] |
Saha CR, O'Donnell T, Wang N, et al. Electromagnetic generator for harvesting energy from human motion. Sens Actuators A, 2008, 147(1):248 doi: 10.1016/j.sna.2008.03.008
|
| [16] |
Tashiro R, Kabei N, Katayama K, et al. Development of an electrostatic generator for a cardiac pacemaker that harnesses the ventricular wall motion. J Artificial Organs, 2002, 5(4):0239 doi: 10.1007/s100470200045
|
| [17] |
Suzuki Y. Recent progress in MEMS electret generator for energy harvesting. IEEJ Trans Electrical Electron Eng, 2011, 6(2):101 doi: 10.1002/tee.20631
|
| [18] |
Wang Z L. Triboelectric nanogenerators as new energy technology for self-powered systems and as active mechanical and chemical sensors. ACS Nano, 2013, 7(11):9533 doi: 10.1021/nn404614z
|
| [19] |
Pu X, Li L, Song H, et al. A self-charging power unit by integration of a textile triboelectric nanogenerator and a flexible lithium-ion battery for wearable electronics. Adv Mater, 2015, 27(15):2472 doi: 10.1002/adma.201500311
|
| [20] |
Zhu G, Peng B, Chen J, et al. Triboelectric nanogenerators as a new energy technology:from fundamentals, devices, to applications. Nano Energy, 2015, 14:126 doi: 10.1016/j.nanoen.2014.11.050
|
| [21] |
Meng B, Tang W, Zhang X, et al. Self-powered flexible printed circuit board with integrated triboelectric generator. Nano Energy, 2013, 2(6):1101 doi: 10.1016/j.nanoen.2013.08.006
|
| [22] |
Niu S, Wang S, Liu Y, et al. A theoretical study of grating structured triboelectric nanogenerators. Energy Environ Sci, 2014, 7(7):2339 doi: 10.1039/C4EE00498A
|
| [23] |
Niu S, Wang S, Lin L, et al. Theoretical study of contact-mode triboelectric nanogenerators as an effective power source. Energy Environ Sci, 2013, 6(12):3576 doi: 10.1039/c3ee42571a
|
| [24] |
Niu S, Wang Z L. Theoretical systems of triboelectric nanogenerators. Nano Energy, 2015, 14:161 doi: 10.1016/j.nanoen.2014.11.034
|
| [25] |
Luo L C, Bao D C, Yu W Q, et al. A low input current and wide conversion ratio buck regulator with 75% efficiency for high-voltage triboelectric nanogenerators. Sci Rep, 2016, 6:19246 doi: 10.1038/srep19246
|
| [26] |
Han C, Zhang C, Tang W, et al. High power triboelectric nanogenerator based on printed circuit board (PCB) technology. Nano Res, 2014, 8(3):722 doi: 10.1007/s12274-016-1213-8
|
| [27] |
Zhu G, Chen J, Zhang T, et al. Radial-arrayed rotary electrification for high performance triboelectric generator. Nat Commun, 2014, 5:3426 http://adsabs.harvard.edu/abs/2014NatCo...5E3426Z
|
| [28] |
Wang S, Lin Z H, Niu S, et al. Motion charged battery as sustainable flexible-power-unit. ACS Nano, 2013, 7(12):11263 doi: 10.1021/nn4050408
|
| [29] |
Lesieutre G A, Ottman G K, Hofmann H F. Damping as a result of piezoelectric energy harvesting. J Sound Vib, 2004, 269(3-5):991 doi: 10.1016/S0022-460X(03)00210-4
|
| [30] |
Lallart M, Garbuio L, Petit L, et al. Double synchronized switch harvesting (DSSH):a new energy harvesting scheme for efficient energy extraction. IEEE Trans Ultrason Ferroelectr Freq Control, 2008, 55(10):2119 doi: 10.1109/TUFFC.912
|
| [31] |
Lallart M, Magnet C, Richard C, et al. New synchronized switch damping methods using dual transformations. Sens Actuators A, 2008, 143(2):302 doi: 10.1016/j.sna.2007.12.001
|
| [32] |
Niu S, Wang X, Yi F, et al. A universal self-charging system driven by random biomechanical energy for sustainable operation of mobile electronics. Nat Commun, 2015, 6:8975 doi: 10.1038/ncomms9975
|
| [33] |
Niu S, Liu Y, Zhou Y S, et al. Optimization of triboelectric nanogenerator charging systems for efficient energy harvesting and storage. IEEE Trans Electron Devices, 2015, 62(2):641R doi: 10.1109/TED.2014.2377728
|
Journal of Semiconductors © 2017 All Rights Reserved 京ICP備05085259號-2