SEMICONDUCTOR INTEGRATED CIRCUITS
Xi Wang, Bichan Zhang, Hua Zhao, Yongbo Su, Asif Muhammad, Dong Guo and Zhi Jin
Corresponding author: Zhi Jin, Email:jinzhi@ime.ac.cn
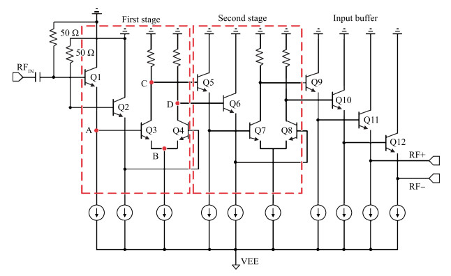
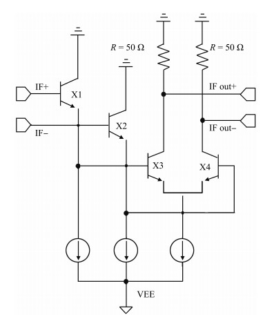
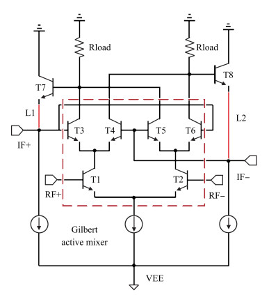
Abstract: This letter presents a high speed 2:1 regenerative dynamic frequency divider with an active transformer fabricated in 0.7 μm InP DHBT technology with fT of 165 GHz and fmax of 230 GHz. The circuit includes a two-stage active transformer, input buffer, divider core and output buffer. The core part of the frequency divider is composed of a double-balanced active mixer (widely known as the Gilbert cell) and a regenerative feedback loop. The active transformer with two stages can contribute to positive gain and greatly improve phase difference. Instead of the passive transformer, the active one occupies a much smaller chip area. The area of the chip is only 469×414 μm2 and it entirely consumes a total DC power of only 94.6 mW from a single -4.8 V DC supply. The measured results present that the divider achieves an operating frequency bandwidth from 75 to 80 GHz, and performs a -23 dBm maximum output power at 37.5 GHz with a 0 dBm input signal of 75 GHz.
Key words: InP, hetero-junction bipolar transistors, dynamic frequency divider
| [1] |
Seo M, Urteaga M, Hacker J, et al. InP HBT IC technology for terahertz frequencies:fundamental oscillators up to 0.57 THz. IEEE J Solid-State Circuits, 2011, 46(1):2203 http://ieeexplore.ieee.org/iel5/4/6031177/06009206.pdf?arnumber=6009206
|
| [2] |
Urteaga M, Carter A, Griffith Z, et al. THz bandwidth InP HBT technologies and heterogeneous integration with Si CMOS. IEEE Bipolar/BiCMOS Circuits and Technology Meeting (BCTM), 2016:35 http://ieeexplore.ieee.org/document/7738973/
|
| [3] |
Seo M, Urteaga M, Young A, et al. A 305-330+ GHz 2:1 dynamic frequency divider using InP HBTs. IEEE Microw Wirel Co, 2010, 20(8):468 doi: 10.1109/LMWC.2010.2050871
|
| [4] |
Seo M, Hacker J, Urteaga M, et al. A 529 GHz dynamic frequency divider in 130 nm InP HBT process. IEICE Electron Express, 2015, 12(3):1 https://www.jstage.jst.go.jp/article/elex/12/3/12_12.20141118/_article
|
| [5] |
Al-Eryani J, Knapp H, Li H, et al. A 9-81/38-189 GHz dual-band switchable dynamic frequency divider. IEEE Compound Semiconductor Integrated Circuit Symposium (CSICS), 2015:1 http://ieeexplore.ieee.org/lpdocs/epic03/wrapper.htm?arnumber=7314474
|
| [6] |
Ali U, Bober M, Thiede A, et al. 100-166 GHz wide band high speed digital dynamic frequency divider design in 0.13μm SiGe BiCMOS technology. 2015 Proceedings of the 10th European Microwave Integrated Circuits Conference, 2015:73 http://ieeexplore.ieee.org/lpdocs/epic03/wrapper.htm?arnumber=7345071
|
| [7] |
Al-Eryani J, Knapp H, Li H, et al. A 47-217 GHz dynamic frequency divider in SiGe technology. IEEE Bipolar/BiCMOS Circuits and Technology Meeting (BCTM), 2015:125 http://ieeexplore.ieee.org/xpls/abs_all.jsp?arnumber=7340570
|
| [8] |
Liu G, Schumacher H. Design and comparison of regenerative dynamic frequency dividers in different configurations using SiGe HBT technology. IEEE Microw Wirel Co, 2013, 23(5):270 doi: 10.1109/LMWC.2013.2253312
|
| [9] |
Derksen R, Luck V, Rein H M, et al. Stability ranges of regenerative frequency dividers employing double balanced mixers in large-signal operation. IEEE Trans Microwave Theory Tech, 1991, 39(10):1759 doi: 10.1109/22.88548
|
| [10] |
Lin C Y, Rao P Z, Lin Y K, et al. Quadrature current-reused divide-by-3 semi-dynamic frequency divider with active balun. Electron Lett, 2012, 48(1):30 doi: 10.1049/el.2011.2606
|
| [11] |
Zhang J C, Zhang Y M, Lü H L, et al. A broadband regenerative frequency divider in InGaP/GaAs HBT technology. J Semicond, 2014, 35(7):075004 doi: 10.1088/1674-4926/35/7/075004
|
| [12] |
Knapp H, Meister T, Liebl W, et al. 168 GHz dynamic frequency divider in SiGe bipolar technology. IEEE Bipolar/BiCMOS Circuits and Technology Meeting, 2009:190 http://ieeexplore.ieee.org/xpl/articleDetails.jsp?reload=true&arnumber=5314242&contentType=Conference+Publications&sortType%3Dasc_p_Sequence%26filter%3DAND%28p_IS_Number%3A5314113%29
|
| [13] |
Zhang Y T, Li X P, Zhang M, et al. A 83 GHz InP DHBT static frequency divider. J Semicond, 2014, 35(4):045004 doi: 10.1088/1674-4926/35/4/045004
|
| [14] |
Zhong Y H, Su Y B, Jin Z, et al. An InGaAs/InP W-band dynamic frequency divider. J Infrared Millim Waves, 2012, 31(5):393 doi: 10.3724/SP.J.1010.2012.00393
|
| [15] |
Su Y B, Jin Z, Cheng W, et al. An InGaAs/InP 40 GHz CML static frequency divider. J Semicond, 2011, 32(3):35008 doi: 10.1088/1674-4926/32/3/035008
|
| [16] |
Tsunashima S, Murata K, Ida M, et al. A 150-GHz dynamic frequency divider using InP/InGaAs DHBTs. IEEE 25th Annual Technical Digest Gallium Arsenide Integrated Circuit (GaAs IC) Symposium, 2003:284 http://ieeexplore.ieee.org/xpl/abstractAuthors.jsp?reload=true&arnumber=1252412
|
Table 1. Performance comparison of InP HBT frequency dividers.
|
| [1] |
Seo M, Urteaga M, Hacker J, et al. InP HBT IC technology for terahertz frequencies:fundamental oscillators up to 0.57 THz. IEEE J Solid-State Circuits, 2011, 46(1):2203 http://ieeexplore.ieee.org/iel5/4/6031177/06009206.pdf?arnumber=6009206
|
| [2] |
Urteaga M, Carter A, Griffith Z, et al. THz bandwidth InP HBT technologies and heterogeneous integration with Si CMOS. IEEE Bipolar/BiCMOS Circuits and Technology Meeting (BCTM), 2016:35 http://ieeexplore.ieee.org/document/7738973/
|
| [3] |
Seo M, Urteaga M, Young A, et al. A 305-330+ GHz 2:1 dynamic frequency divider using InP HBTs. IEEE Microw Wirel Co, 2010, 20(8):468 doi: 10.1109/LMWC.2010.2050871
|
| [4] |
Seo M, Hacker J, Urteaga M, et al. A 529 GHz dynamic frequency divider in 130 nm InP HBT process. IEICE Electron Express, 2015, 12(3):1 https://www.jstage.jst.go.jp/article/elex/12/3/12_12.20141118/_article
|
| [5] |
Al-Eryani J, Knapp H, Li H, et al. A 9-81/38-189 GHz dual-band switchable dynamic frequency divider. IEEE Compound Semiconductor Integrated Circuit Symposium (CSICS), 2015:1 http://ieeexplore.ieee.org/lpdocs/epic03/wrapper.htm?arnumber=7314474
|
| [6] |
Ali U, Bober M, Thiede A, et al. 100-166 GHz wide band high speed digital dynamic frequency divider design in 0.13μm SiGe BiCMOS technology. 2015 Proceedings of the 10th European Microwave Integrated Circuits Conference, 2015:73 http://ieeexplore.ieee.org/lpdocs/epic03/wrapper.htm?arnumber=7345071
|
| [7] |
Al-Eryani J, Knapp H, Li H, et al. A 47-217 GHz dynamic frequency divider in SiGe technology. IEEE Bipolar/BiCMOS Circuits and Technology Meeting (BCTM), 2015:125 http://ieeexplore.ieee.org/xpls/abs_all.jsp?arnumber=7340570
|
| [8] |
Liu G, Schumacher H. Design and comparison of regenerative dynamic frequency dividers in different configurations using SiGe HBT technology. IEEE Microw Wirel Co, 2013, 23(5):270 doi: 10.1109/LMWC.2013.2253312
|
| [9] |
Derksen R, Luck V, Rein H M, et al. Stability ranges of regenerative frequency dividers employing double balanced mixers in large-signal operation. IEEE Trans Microwave Theory Tech, 1991, 39(10):1759 doi: 10.1109/22.88548
|
| [10] |
Lin C Y, Rao P Z, Lin Y K, et al. Quadrature current-reused divide-by-3 semi-dynamic frequency divider with active balun. Electron Lett, 2012, 48(1):30 doi: 10.1049/el.2011.2606
|
| [11] |
Zhang J C, Zhang Y M, Lü H L, et al. A broadband regenerative frequency divider in InGaP/GaAs HBT technology. J Semicond, 2014, 35(7):075004 doi: 10.1088/1674-4926/35/7/075004
|
| [12] |
Knapp H, Meister T, Liebl W, et al. 168 GHz dynamic frequency divider in SiGe bipolar technology. IEEE Bipolar/BiCMOS Circuits and Technology Meeting, 2009:190 http://ieeexplore.ieee.org/xpl/articleDetails.jsp?reload=true&arnumber=5314242&contentType=Conference+Publications&sortType%3Dasc_p_Sequence%26filter%3DAND%28p_IS_Number%3A5314113%29
|
| [13] |
Zhang Y T, Li X P, Zhang M, et al. A 83 GHz InP DHBT static frequency divider. J Semicond, 2014, 35(4):045004 doi: 10.1088/1674-4926/35/4/045004
|
| [14] |
Zhong Y H, Su Y B, Jin Z, et al. An InGaAs/InP W-band dynamic frequency divider. J Infrared Millim Waves, 2012, 31(5):393 doi: 10.3724/SP.J.1010.2012.00393
|
| [15] |
Su Y B, Jin Z, Cheng W, et al. An InGaAs/InP 40 GHz CML static frequency divider. J Semicond, 2011, 32(3):35008 doi: 10.1088/1674-4926/32/3/035008
|
| [16] |
Tsunashima S, Murata K, Ida M, et al. A 150-GHz dynamic frequency divider using InP/InGaAs DHBTs. IEEE 25th Annual Technical Digest Gallium Arsenide Integrated Circuit (GaAs IC) Symposium, 2003:284 http://ieeexplore.ieee.org/xpl/abstractAuthors.jsp?reload=true&arnumber=1252412
|
Article views: 3120 Times PDF downloads: 26 Times Cited by: 0 Times
Received: 17 December 2016 Revised: 20 January 2017 Online: Published: 01 August 2017
| Citation: |
Xi Wang, Bichan Zhang, Hua Zhao, Yongbo Su, Asif Muhammad, Dong Guo, Zhi Jin. A 75 GHz regenerative dynamic frequency divider with active transformer using InGaAs/InP HBT technology[J]. Journal of Semiconductors, 2017, 38(8): 085001. doi: 10.1088/1674-4926/38/8/085001
****
X Wang, B C Zhang, H Zhao, Y B Su, A Muhammad, D Guo, Z Jin. A 75 GHz regenerative dynamic frequency divider with active transformer using InGaAs/InP HBT technology[J]. J. Semicond., 2017, 38(8): 085001. doi: 10.1088/1674-4926/38/8/085001.
|
| [1] |
Seo M, Urteaga M, Hacker J, et al. InP HBT IC technology for terahertz frequencies:fundamental oscillators up to 0.57 THz. IEEE J Solid-State Circuits, 2011, 46(1):2203 http://ieeexplore.ieee.org/iel5/4/6031177/06009206.pdf?arnumber=6009206
|
| [2] |
Urteaga M, Carter A, Griffith Z, et al. THz bandwidth InP HBT technologies and heterogeneous integration with Si CMOS. IEEE Bipolar/BiCMOS Circuits and Technology Meeting (BCTM), 2016:35 http://ieeexplore.ieee.org/document/7738973/
|
| [3] |
Seo M, Urteaga M, Young A, et al. A 305-330+ GHz 2:1 dynamic frequency divider using InP HBTs. IEEE Microw Wirel Co, 2010, 20(8):468 doi: 10.1109/LMWC.2010.2050871
|
| [4] |
Seo M, Hacker J, Urteaga M, et al. A 529 GHz dynamic frequency divider in 130 nm InP HBT process. IEICE Electron Express, 2015, 12(3):1 https://www.jstage.jst.go.jp/article/elex/12/3/12_12.20141118/_article
|
| [5] |
Al-Eryani J, Knapp H, Li H, et al. A 9-81/38-189 GHz dual-band switchable dynamic frequency divider. IEEE Compound Semiconductor Integrated Circuit Symposium (CSICS), 2015:1 http://ieeexplore.ieee.org/lpdocs/epic03/wrapper.htm?arnumber=7314474
|
| [6] |
Ali U, Bober M, Thiede A, et al. 100-166 GHz wide band high speed digital dynamic frequency divider design in 0.13μm SiGe BiCMOS technology. 2015 Proceedings of the 10th European Microwave Integrated Circuits Conference, 2015:73 http://ieeexplore.ieee.org/lpdocs/epic03/wrapper.htm?arnumber=7345071
|
| [7] |
Al-Eryani J, Knapp H, Li H, et al. A 47-217 GHz dynamic frequency divider in SiGe technology. IEEE Bipolar/BiCMOS Circuits and Technology Meeting (BCTM), 2015:125 http://ieeexplore.ieee.org/xpls/abs_all.jsp?arnumber=7340570
|
| [8] |
Liu G, Schumacher H. Design and comparison of regenerative dynamic frequency dividers in different configurations using SiGe HBT technology. IEEE Microw Wirel Co, 2013, 23(5):270 doi: 10.1109/LMWC.2013.2253312
|
| [9] |
Derksen R, Luck V, Rein H M, et al. Stability ranges of regenerative frequency dividers employing double balanced mixers in large-signal operation. IEEE Trans Microwave Theory Tech, 1991, 39(10):1759 doi: 10.1109/22.88548
|
| [10] |
Lin C Y, Rao P Z, Lin Y K, et al. Quadrature current-reused divide-by-3 semi-dynamic frequency divider with active balun. Electron Lett, 2012, 48(1):30 doi: 10.1049/el.2011.2606
|
| [11] |
Zhang J C, Zhang Y M, Lü H L, et al. A broadband regenerative frequency divider in InGaP/GaAs HBT technology. J Semicond, 2014, 35(7):075004 doi: 10.1088/1674-4926/35/7/075004
|
| [12] |
Knapp H, Meister T, Liebl W, et al. 168 GHz dynamic frequency divider in SiGe bipolar technology. IEEE Bipolar/BiCMOS Circuits and Technology Meeting, 2009:190 http://ieeexplore.ieee.org/xpl/articleDetails.jsp?reload=true&arnumber=5314242&contentType=Conference+Publications&sortType%3Dasc_p_Sequence%26filter%3DAND%28p_IS_Number%3A5314113%29
|
| [13] |
Zhang Y T, Li X P, Zhang M, et al. A 83 GHz InP DHBT static frequency divider. J Semicond, 2014, 35(4):045004 doi: 10.1088/1674-4926/35/4/045004
|
| [14] |
Zhong Y H, Su Y B, Jin Z, et al. An InGaAs/InP W-band dynamic frequency divider. J Infrared Millim Waves, 2012, 31(5):393 doi: 10.3724/SP.J.1010.2012.00393
|
| [15] |
Su Y B, Jin Z, Cheng W, et al. An InGaAs/InP 40 GHz CML static frequency divider. J Semicond, 2011, 32(3):35008 doi: 10.1088/1674-4926/32/3/035008
|
| [16] |
Tsunashima S, Murata K, Ida M, et al. A 150-GHz dynamic frequency divider using InP/InGaAs DHBTs. IEEE 25th Annual Technical Digest Gallium Arsenide Integrated Circuit (GaAs IC) Symposium, 2003:284 http://ieeexplore.ieee.org/xpl/abstractAuthors.jsp?reload=true&arnumber=1252412
|
Journal of Semiconductors © 2017 All Rights Reserved 京ICP備05085259號-2