SEMICONDUCTOR INTEGRATED CIRCUITS
Jianhui Sun1, 2, Chunxing Wang1, Gongtang Wang1, Jinhui Wang4, Qing Hua1, Chuanfu Cheng1, Xinxia Cai2, Tao Yin2, Yang Yu2, Haigang Yang2 and Dengwang Li1, 3,
Corresponding author: Dengwang Li, Email:dengwang@sdnu.edu.cn
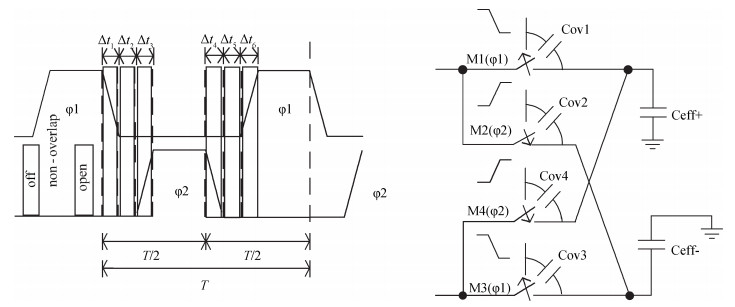
Abstract: Facing the body's EEG (electroencephalograph, 0.5-100Hz, 5-100 μV) and ECG's (electrocardiogram, < 100Hz, 0.01-5mV) micro signal detection requirement, this paper develops a pervasive application micro signal detection ASIC chip with the chopping modulation/demodulation method. The chopper-stabilization circuit with the RRL (ripple reduction loop) circuit is to suppress the ripple voltage, which locates at the single-stage amplifier's outputting terminal. The single-stage chopping core's noise has been suppressed too, and it is beneficial for suppressing noises of post-circuit. The chopping core circuit uses the PFB (positive feedback loop) to increase the inputting resistance, and the NFB (negative feedback loop) to stabilize the 40 dB intermediate frequency gain. The cascaded switch-capacitor sample/hold circuit has been used for deleting spike noises caused by non-ideal MOS switches, and the VGA/BPF (voltage gain amplifier/band pass filter) circuit is used to tune the chopper system's gain/bandwidth digitally. Assisted with the designed novel dry-electrode, the real test result of the chopping amplifying circuit gives some critical parameters:8.1 μW/channel, 0.8 μVrms (@band-width=100 Hz), 4216-11220 times digitally tuning gain range, etc. The data capture system uses the NI CO's data capturing DAQmx interface, and the captured micro EEG/ECG's waves are real-time displayed with the PC-Labview. The proposed chopper system is a unified EEG/ECG signal's detection instrument and has a critical real application value.
Key words: EEG/ECG, novel dry-contact electrode, weak and micro signal detection, chopping modulation/demodulation de-noising, gain/band width digitally tuning
| [1] |
Zhou P, Wang F, Liu M X, et al. Study on noise restraint in noncontact electrocardiographic measurement. Chin J Sci Instrum, 2013, 34(10):2226 http://en.cnki.com.cn/Article_en/CJFDTOTAL-YQXB201310010.htm
|
| [2] |
Pan L B, Xiang G X, Huang L H, et al. Automatic positioning and sensing microelectrode array (APSMEA) for multi-site electrophysiological recordings. J Neurosci Methods, 2008, 170:123 doi: 10.1016/j.jneumeth.2008.01.007
|
| [3] |
Kloh L G. The neural basis of EEG. Clinical Electroencephalography, 198l:12
|
| [4] |
Moulahcene F, Bouguechal N E, Youcef B. A low power low noise chopper-stabilized two-stage operational amplifier for portable bio-potential acquisition systems using 90 nm technology. Int J Hybrid Inform Technol, 2014:25 https://www.researchgate.net/publication/283739887_A_Low_Power_Low_Noise_Chopper-Stabilized_Tow-stage_Operational_Amplifier_for_Portable_Bio-potential_Acquisition_Systems_Using_90_nm_Technology
|
| [5] |
Cai G J, Shen Y Z. A weak signal sensing amplifier for integrated sensors. Microelectronics, 2004, 34(1):97
|
| [6] |
Verma N, Shoeb A, Guttag J V, et al. A micro-power EEG acquisition SoC with integrated seizure detection processor for con-tinuous patient monitoring. 2009 Symposium on VLSI Circuits, 2009
|
| [7] |
Zhang F, Apurva M, Richardson A G, et al. A low-power ecog/EEG processing IC with integrated multiband energy extractor. IEEE Trans Circuits Syst I, 2011, 58:2069 doi: 10.1109/TCSI.2011.2163972
|
| [8] |
Wu S T, Lin F, Guo D H, et al. Design of CMOS operating amplifier for eliminating DC offset based on chopper technology. Semicond Technol, 2003, 28(8):60
|
| [9] |
Xu J W, Fan Q W, Huijsing J H, et al. Measurement and analysis of current noise in chopper amplifiers. J Solid-State Circuit, 2013, 48:1575 doi: 10.1109/JSSC.2013.2253217
|
| [10] |
Wu R, Makinwa K A A, Huijsing J H. A chopper currentfeedback instrumentation amplifier with a 1 mHz 1/f noise corner and an AC-coupled ripple reduction loop. IEEE J Solid-State Circuits, 2009, 44:3232 doi: 10.1109/JSSC.2009.2032710
|
| [11] |
Van Hellputte N, Kim S, Kim H, et al. A 160 a biopotential acquisition IC with fully integrated IA and motion artifact suppression. IEEE Trans Biomedical Circuits Syst, 2012, 6:552 doi: 10.1109/TBCAS.2012.2224113
|
| [12] |
Yoo J, Yan L, El-Damak D. An 8-channel scalable EEG acquisition SoC with patient-specific seizure classification and recording processor. IEEE Solid Circuits, 2013, 48:214 doi: 10.1109/JSSC.2012.2221220
|
| [13] |
Enz C C, Vittoz E A, Krummenacher F. A CMOS chopper amplifier. IEEE J Solid-State Circuits, 1987, 22:335 doi: 10.1109/JSSC.1987.1052730
|
| [14] |
Harrison R R, Charles C. A low-power low-noise CMOS amplifier for neural recording applications. IEEE J Solid-State Circuits, 2003, 38:958 doi: 10.1109/JSSC.2003.811979
|
| [15] |
Masui Y, Yoshida T, Iwata A. Low power and low voltage chopper amplifier without BPF. IEICE Electron Express, 2008, 5(22):967 doi: 10.1587/elex.5.967
|
Table 1. Brain EEG spindles capture segment result
|
| [1] |
Zhou P, Wang F, Liu M X, et al. Study on noise restraint in noncontact electrocardiographic measurement. Chin J Sci Instrum, 2013, 34(10):2226 http://en.cnki.com.cn/Article_en/CJFDTOTAL-YQXB201310010.htm
|
| [2] |
Pan L B, Xiang G X, Huang L H, et al. Automatic positioning and sensing microelectrode array (APSMEA) for multi-site electrophysiological recordings. J Neurosci Methods, 2008, 170:123 doi: 10.1016/j.jneumeth.2008.01.007
|
| [3] |
Kloh L G. The neural basis of EEG. Clinical Electroencephalography, 198l:12
|
| [4] |
Moulahcene F, Bouguechal N E, Youcef B. A low power low noise chopper-stabilized two-stage operational amplifier for portable bio-potential acquisition systems using 90 nm technology. Int J Hybrid Inform Technol, 2014:25 https://www.researchgate.net/publication/283739887_A_Low_Power_Low_Noise_Chopper-Stabilized_Tow-stage_Operational_Amplifier_for_Portable_Bio-potential_Acquisition_Systems_Using_90_nm_Technology
|
| [5] |
Cai G J, Shen Y Z. A weak signal sensing amplifier for integrated sensors. Microelectronics, 2004, 34(1):97
|
| [6] |
Verma N, Shoeb A, Guttag J V, et al. A micro-power EEG acquisition SoC with integrated seizure detection processor for con-tinuous patient monitoring. 2009 Symposium on VLSI Circuits, 2009
|
| [7] |
Zhang F, Apurva M, Richardson A G, et al. A low-power ecog/EEG processing IC with integrated multiband energy extractor. IEEE Trans Circuits Syst I, 2011, 58:2069 doi: 10.1109/TCSI.2011.2163972
|
| [8] |
Wu S T, Lin F, Guo D H, et al. Design of CMOS operating amplifier for eliminating DC offset based on chopper technology. Semicond Technol, 2003, 28(8):60
|
| [9] |
Xu J W, Fan Q W, Huijsing J H, et al. Measurement and analysis of current noise in chopper amplifiers. J Solid-State Circuit, 2013, 48:1575 doi: 10.1109/JSSC.2013.2253217
|
| [10] |
Wu R, Makinwa K A A, Huijsing J H. A chopper currentfeedback instrumentation amplifier with a 1 mHz 1/f noise corner and an AC-coupled ripple reduction loop. IEEE J Solid-State Circuits, 2009, 44:3232 doi: 10.1109/JSSC.2009.2032710
|
| [11] |
Van Hellputte N, Kim S, Kim H, et al. A 160 a biopotential acquisition IC with fully integrated IA and motion artifact suppression. IEEE Trans Biomedical Circuits Syst, 2012, 6:552 doi: 10.1109/TBCAS.2012.2224113
|
| [12] |
Yoo J, Yan L, El-Damak D. An 8-channel scalable EEG acquisition SoC with patient-specific seizure classification and recording processor. IEEE Solid Circuits, 2013, 48:214 doi: 10.1109/JSSC.2012.2221220
|
| [13] |
Enz C C, Vittoz E A, Krummenacher F. A CMOS chopper amplifier. IEEE J Solid-State Circuits, 1987, 22:335 doi: 10.1109/JSSC.1987.1052730
|
| [14] |
Harrison R R, Charles C. A low-power low-noise CMOS amplifier for neural recording applications. IEEE J Solid-State Circuits, 2003, 38:958 doi: 10.1109/JSSC.2003.811979
|
| [15] |
Masui Y, Yoshida T, Iwata A. Low power and low voltage chopper amplifier without BPF. IEICE Electron Express, 2008, 5(22):967 doi: 10.1587/elex.5.967
|
Article views: 4079 Times PDF downloads: 56 Times Cited by: 0 Times
Received: 15 September 2016 Revised: 29 November 2016 Online: Published: 01 February 2017
| Citation: |
Jianhui Sun, Chunxing Wang, Gongtang Wang, Jinhui Wang, Qing Hua, Chuanfu Cheng, Xinxia Cai, Tao Yin, Yang Yu, Haigang Yang, Dengwang Li. Micro EEG/ECG signal's chopper-stabilization amplifying chip for novel dry-contact electrode[J]. Journal of Semiconductors, 2017, 38(2): 025004. doi: 10.1088/1674-4926/38/2/025004
****
J H Sun, C X Wang, G T Wang, J H Wang, Q Hua, C F Cheng, X X Cai, T Yin, Y Yu, H G Yang, D W Li. Micro EEG/ECG signal\'s chopper-stabilization amplifying chip for novel dry-contact electrode[J]. J. Semicond., 2017, 38(2): 025004. doi: 10.1088/1674-4926/38/2/025004.
|
Project supported by the National Natural Science Foundation of China (Nos.61527815, 31500800, 61501426, 61471342), the National Key Basic Research Plan (No.2014CB744600), the Beijing Science and Technology Plan (No.Z141100000214002), and the Chinese Academy of Sciences'Key Project (No.KJZD-EW-L11-2)
the National Natural Science Foundation of China 61527815
the National Natural Science Foundation of China 61501426
the Beijing Science and Technology Plan Z141100000214002
the National Natural Science Foundation of China 61471342
the National Natural Science Foundation of China 31500800
the Chinese Academy of Sciences'Key Project KJZD-EW-L11-2
the National Key Basic Research Plan 2014CB744600
| [1] |
Zhou P, Wang F, Liu M X, et al. Study on noise restraint in noncontact electrocardiographic measurement. Chin J Sci Instrum, 2013, 34(10):2226 http://en.cnki.com.cn/Article_en/CJFDTOTAL-YQXB201310010.htm
|
| [2] |
Pan L B, Xiang G X, Huang L H, et al. Automatic positioning and sensing microelectrode array (APSMEA) for multi-site electrophysiological recordings. J Neurosci Methods, 2008, 170:123 doi: 10.1016/j.jneumeth.2008.01.007
|
| [3] |
Kloh L G. The neural basis of EEG. Clinical Electroencephalography, 198l:12
|
| [4] |
Moulahcene F, Bouguechal N E, Youcef B. A low power low noise chopper-stabilized two-stage operational amplifier for portable bio-potential acquisition systems using 90 nm technology. Int J Hybrid Inform Technol, 2014:25 https://www.researchgate.net/publication/283739887_A_Low_Power_Low_Noise_Chopper-Stabilized_Tow-stage_Operational_Amplifier_for_Portable_Bio-potential_Acquisition_Systems_Using_90_nm_Technology
|
| [5] |
Cai G J, Shen Y Z. A weak signal sensing amplifier for integrated sensors. Microelectronics, 2004, 34(1):97
|
| [6] |
Verma N, Shoeb A, Guttag J V, et al. A micro-power EEG acquisition SoC with integrated seizure detection processor for con-tinuous patient monitoring. 2009 Symposium on VLSI Circuits, 2009
|
| [7] |
Zhang F, Apurva M, Richardson A G, et al. A low-power ecog/EEG processing IC with integrated multiband energy extractor. IEEE Trans Circuits Syst I, 2011, 58:2069 doi: 10.1109/TCSI.2011.2163972
|
| [8] |
Wu S T, Lin F, Guo D H, et al. Design of CMOS operating amplifier for eliminating DC offset based on chopper technology. Semicond Technol, 2003, 28(8):60
|
| [9] |
Xu J W, Fan Q W, Huijsing J H, et al. Measurement and analysis of current noise in chopper amplifiers. J Solid-State Circuit, 2013, 48:1575 doi: 10.1109/JSSC.2013.2253217
|
| [10] |
Wu R, Makinwa K A A, Huijsing J H. A chopper currentfeedback instrumentation amplifier with a 1 mHz 1/f noise corner and an AC-coupled ripple reduction loop. IEEE J Solid-State Circuits, 2009, 44:3232 doi: 10.1109/JSSC.2009.2032710
|
| [11] |
Van Hellputte N, Kim S, Kim H, et al. A 160 a biopotential acquisition IC with fully integrated IA and motion artifact suppression. IEEE Trans Biomedical Circuits Syst, 2012, 6:552 doi: 10.1109/TBCAS.2012.2224113
|
| [12] |
Yoo J, Yan L, El-Damak D. An 8-channel scalable EEG acquisition SoC with patient-specific seizure classification and recording processor. IEEE Solid Circuits, 2013, 48:214 doi: 10.1109/JSSC.2012.2221220
|
| [13] |
Enz C C, Vittoz E A, Krummenacher F. A CMOS chopper amplifier. IEEE J Solid-State Circuits, 1987, 22:335 doi: 10.1109/JSSC.1987.1052730
|
| [14] |
Harrison R R, Charles C. A low-power low-noise CMOS amplifier for neural recording applications. IEEE J Solid-State Circuits, 2003, 38:958 doi: 10.1109/JSSC.2003.811979
|
| [15] |
Masui Y, Yoshida T, Iwata A. Low power and low voltage chopper amplifier without BPF. IEICE Electron Express, 2008, 5(22):967 doi: 10.1587/elex.5.967
|
Journal of Semiconductors © 2017 All Rights Reserved 京ICP備05085259號-2