ARTICLES
Zhengwu Shu, Lei Jiang, Xingxing Hu and Yue Xu
Corresponding author: Yue Xu, yuex@njupt.edu.cn
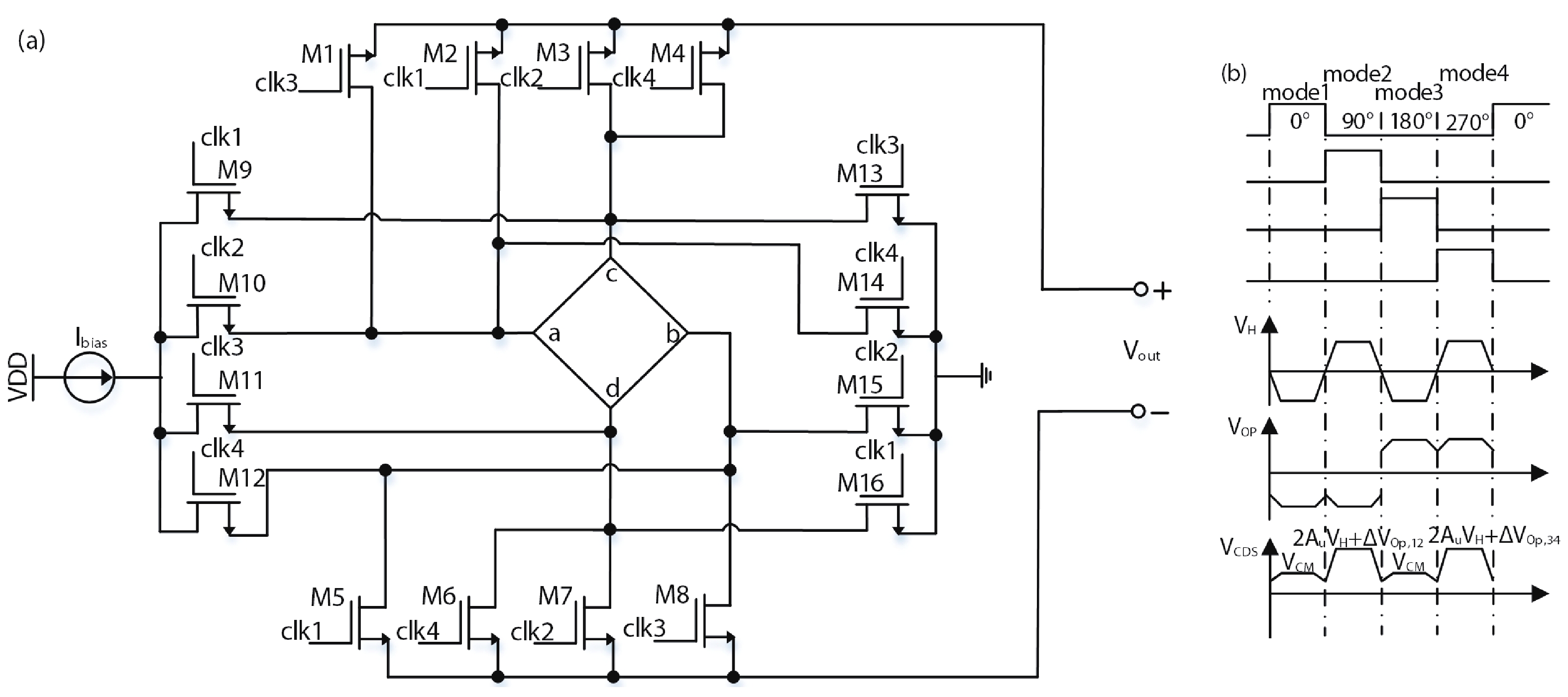
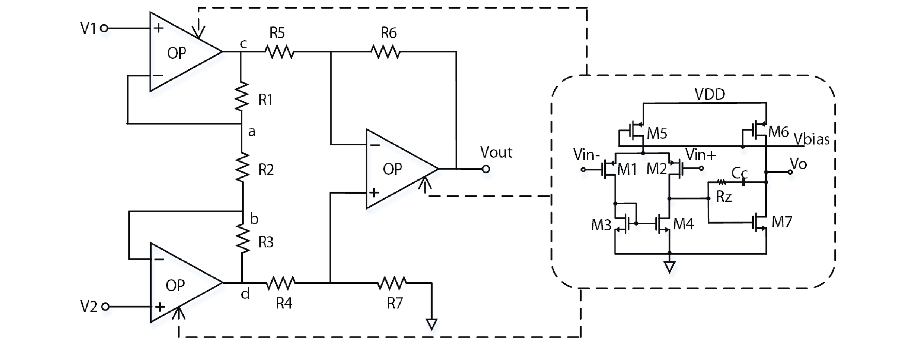
Abstract: An integrated front-end vertical CMOS Hall magnetic sensor is proposed for the in-plane magnetic field measurement. To improve the magnetic sensitivity and to obtain low offset, a fully symmetric vertical Hall device (FSVHD) has been optimized with a minimum size design. A new four-phase spinning current modulation associated with a correlated double sampling (CDS) demodulation technique has been further applied to compensate for the offset and also to provide a linear Hall output voltage. The vertical Hall sensor chip has been manufactured in a 0.18 μm low-voltage CMOS technology and it occupies an area of 1.54 mm2. The experimental results show in the magnetic field range from –200 to 200 mT, the entire vertical Hall sensor performs with the linearity of 99.9% and the system magnetic sensitivity of 1.22 V/T and the residual offset of 60 μT. Meanwhile, it consumes 4.5 mW at a 3.3 V supply voltage. The proposed vertical Hall sensor is very suitable for the low-cost system-on-chip (SOC) implementation of 2D or 3D magnetic microsystems.
Key words: vertical Hall sensor, dynamic offset cancellation, 1/f noise, residual offset
| [1] |
Banjevic M, Furrer B, Blagojevic M, et al. High-speed CMOS magnetic angle sensor based on miniaturized circular vertical Hall devices. Sens Actuators A, 2012, 178, 64 doi: 10.1016/j.sna.2012.02.019
|
| [2] |
Ajbl A, Pastre M, Kayal M. A fully integrated Hall sensor microsystem for contactless current measurement. IEEE Sens J, 2013, 13, 2271 doi: 10.1109/JSEN.2013.2251971
|
| [3] |
Xu Y, Pan H B, He S Z, et al. Monolithic H-bridge brushless DC vibration motor driver with a highly sensitive Hall sensor in 0.18 μm complementary metal-oxide semiconductor technology. IET Circuits Devices Syst, 2013, 7, 204 doi: 10.1049/iet-cds.2012.0167
|
| [4] |
Paliwal S, Yenuganti S. A differential Hall effect based pressure sensor. J Electr Eng Technol, 2021, 16, 1119 doi: 10.1007/s42835-020-00647-8
|
| [5] |
Xu Y, Hu X, Jiang L. An analytical geometry optimization model for current-mode cross-like Hall plates. Sensors, 2019, 19, 2490 doi: 10.3390/s19112490
|
| [6] |
Huang H, Wang D, Li W, et al. A simplified compact model of miniaturized cross-shaped CMOS integrated Hall devices. J Semicond, 2012, 33, 084005 doi: 10.1088/1674-4926/33/8/084005
|
| [7] |
Schell J B, Kammerer J B, Hébrard L, et al. CMOS 3D Hall probe for magnetic field measurement in MRI scanner. IEEE 10th International New Circuits and Systems Conference (NEWCAS), 2012, 517
|
| [8] |
Wouters S, Vrankovi V, R?ssler C, et al. Design and fabrication of an innovative three-axis Hall sensor. Sens Actuators A, 2017, 237, 62 doi: 10.1016/j.sna.2015.11.022
|
| [9] |
Wouters C, Vrankovi? V, Chevtsov P, et al. Calibration scheme for a new type of 3D Hall sensor. Sens Actuators A, 2017, 257, 38 doi: 10.1016/j.sna.2017.02.007
|
| [10] |
Paul O, Raz R, Kaufmann T. Analysis of the offset of semiconductor vertical Hall devices. Sens Actuators A, 2012, 174, 24 doi: 10.1016/j.sna.2011.11.021
|
| [11] |
Pascal J, Hébrard L, Kammerer J B, et al. First vertical Hall device in standard 0.35 μm CMOS technology. Sens Actuators A, 2008, 147, 41 doi: 10.1016/j.sna.2008.03.011
|
| [12] |
Pascal J, Hébrard L, Frick V, et al. Intrinsic limits of the sensitivity of CMOS integrated vertical Hall devices. Sens Actuators A, 2009, 152, 21 doi: 10.1016/j.sna.2009.03.006
|
| [13] |
Schurig E, Demierre M, Schott C, et al. A vertical Hall device in CMOS high-voltage technology. Sens Actuators A, 2002, 97/98, 47 doi: 10.1016/S0924-4247(01)00859-7
|
| [14] |
Schurig E, Schott C, Besse P A, et al. 0.2 mT residual offset of CMOS integrated vertical Hall sensors. Sens Actuators A, 2004, 110, 98 doi: 10.1016/j.sna.2003.10.001
|
| [15] |
Sung G M, Wang W Y, Yu C P. Analysis and modeling of one-dimensional folded vertical Hall sensor with readout circuit. IEEE Sens J, 2017, 17, 6880 doi: 10.1109/JSEN.2017.2754295
|
| [16] |
Heidari H, Bonizzoni E, Gatti U, et al. CMOS vertical Hall magnetic sensors on flexible substrate. IEEE Sens J, 2016, 16, 9736 doi: 10.1109/jsen.2016.2575802
|
| [17] |
Sander C, Vecchi M C, Cornils M, et al. From three contact vertical Hall elements to symmetrized vertical Hall sensors with low offset. Sens Actuators A, 2016, 240, 92 doi: 10.1016/j.sna.2016.01.040
|
| [18] |
Sander C, Leube C, Paul O. Compact two-dimensional CMOS Hall sensor based on switchable configurations of four three-contact elements. Sens Actuators A, 2016, 248, 281 doi: 10.1016/j.sna.2016.07.032
|
| [19] |
Bilotti, A, Monreal G, Vig R. Monolithic magnetic Hall sensor using dynamic quadrature offset cancellation. IEEE J Solid-State Circuits, 1997, 32, 829 doi: 10.1109/4.585275
|
| [20] |
Randjelovic Z B, Kayal M, Popovic R, et al. Highly sensitive Hall magnetic sensor microsystem in CMOS technology. IEEE J Solid-State Circuits, 2002, 37, 151 doi: 10.1109/4.982421
|
| [21] |
Xu Y, Pan H B, He S Z, et al. A highly sensitive CMOS digital Hall sensor for low magnetic field applications. Sensors, 2012, 12, 2162 doi: 10.3390/s120202162
|
| [22] |
Jiang J, Kindt W J, Makinwa K A. A continuous-time ripple reduction technique for spinning-current Hall sensors. IEEE J Solid-State Circuits, 2014, 49, 1525 doi: 10.1109/JSSC.2014.2319252
|
| [23] |
Crescentini M, Marchesi M, Romani A, et al. A broadband, on-chip sensor based on Hall effect for current measurements in smart power circuits. IEEE Trans Instrum Meas, 2018, 67, 1470 doi: 10.1109/TIM.2018.2795248
|
| [24] |
Osberger L, Frick V, Hébrard L. High resolution shallow vertical Hall sensor operated with four-phase bi-current spinning current. Sens Actuators A, 2016, 244, 270 doi: 10.1016/j.sna.2016.04.036
|
| [25] |
Girgin A, Bilmez M, Amin H Y, et al. A silicon Hall sensor SoC for current sensors. Microelectron J, 2019, 90, 12 doi: 10.1016/j.mejo.2019.04.020
|
| [26] |
Heidari H, Bonizzoni E, Gatti U, Maloberti F. A CMOS current-mode magnetic Hall sensor with integrated front-end. IEEE Trans Circuits Syst I, 2015, 62, 1270 doi: 10.1109/TCSI.2015.2415173
|
Table 1. Performance Summary and Comparison Table of This Work With The Reported Ones.
| Reference | This work | Ref. [2] | Ref. [24] | Ref. [25] | Ref. [26] |
| CMOS technology | 0.18 μm | 0.35 μm | 0.35 μm | 0.18 μm | 0.18 μm |
| Sensor type | VHD | HHD | VHD | HHD | HHD |
| Supply voltage (V) | 3.3 | 3.3 | 3.3 | 5 | 1.8 |
| System sensitivity | 1.22 V/T | 50 mA/T | 1.67 V/T | 11 V/T | 19.9 V/T |
| Spinning frequency (kHz) | 100 | 20 | 10 | – | 250 |
| Measurement range (mT) | 200 | 40 | – | 300 | 10 |
| Chip area (mm2) | 2.3 | 11.55 | – | 5.29 | 1.16 |
| Residual offset (μT) | 60 | 50 | – | 270 | 50 |
| Linearity (%) | 99.9 | 99.9 | – | 98.3 | >99.8 |
| Bandwidth (kHz) | 30 | 500 | 1.6 | 30 | 10 |
| Static power (mW) | 4.5 | 40 | 2.72 | 50 | 0.12 |
DownLoad: CSV
| [1] |
Banjevic M, Furrer B, Blagojevic M, et al. High-speed CMOS magnetic angle sensor based on miniaturized circular vertical Hall devices. Sens Actuators A, 2012, 178, 64 doi: 10.1016/j.sna.2012.02.019
|
| [2] |
Ajbl A, Pastre M, Kayal M. A fully integrated Hall sensor microsystem for contactless current measurement. IEEE Sens J, 2013, 13, 2271 doi: 10.1109/JSEN.2013.2251971
|
| [3] |
Xu Y, Pan H B, He S Z, et al. Monolithic H-bridge brushless DC vibration motor driver with a highly sensitive Hall sensor in 0.18 μm complementary metal-oxide semiconductor technology. IET Circuits Devices Syst, 2013, 7, 204 doi: 10.1049/iet-cds.2012.0167
|
| [4] |
Paliwal S, Yenuganti S. A differential Hall effect based pressure sensor. J Electr Eng Technol, 2021, 16, 1119 doi: 10.1007/s42835-020-00647-8
|
| [5] |
Xu Y, Hu X, Jiang L. An analytical geometry optimization model for current-mode cross-like Hall plates. Sensors, 2019, 19, 2490 doi: 10.3390/s19112490
|
| [6] |
Huang H, Wang D, Li W, et al. A simplified compact model of miniaturized cross-shaped CMOS integrated Hall devices. J Semicond, 2012, 33, 084005 doi: 10.1088/1674-4926/33/8/084005
|
| [7] |
Schell J B, Kammerer J B, Hébrard L, et al. CMOS 3D Hall probe for magnetic field measurement in MRI scanner. IEEE 10th International New Circuits and Systems Conference (NEWCAS), 2012, 517
|
| [8] |
Wouters S, Vrankovi V, R?ssler C, et al. Design and fabrication of an innovative three-axis Hall sensor. Sens Actuators A, 2017, 237, 62 doi: 10.1016/j.sna.2015.11.022
|
| [9] |
Wouters C, Vrankovi? V, Chevtsov P, et al. Calibration scheme for a new type of 3D Hall sensor. Sens Actuators A, 2017, 257, 38 doi: 10.1016/j.sna.2017.02.007
|
| [10] |
Paul O, Raz R, Kaufmann T. Analysis of the offset of semiconductor vertical Hall devices. Sens Actuators A, 2012, 174, 24 doi: 10.1016/j.sna.2011.11.021
|
| [11] |
Pascal J, Hébrard L, Kammerer J B, et al. First vertical Hall device in standard 0.35 μm CMOS technology. Sens Actuators A, 2008, 147, 41 doi: 10.1016/j.sna.2008.03.011
|
| [12] |
Pascal J, Hébrard L, Frick V, et al. Intrinsic limits of the sensitivity of CMOS integrated vertical Hall devices. Sens Actuators A, 2009, 152, 21 doi: 10.1016/j.sna.2009.03.006
|
| [13] |
Schurig E, Demierre M, Schott C, et al. A vertical Hall device in CMOS high-voltage technology. Sens Actuators A, 2002, 97/98, 47 doi: 10.1016/S0924-4247(01)00859-7
|
| [14] |
Schurig E, Schott C, Besse P A, et al. 0.2 mT residual offset of CMOS integrated vertical Hall sensors. Sens Actuators A, 2004, 110, 98 doi: 10.1016/j.sna.2003.10.001
|
| [15] |
Sung G M, Wang W Y, Yu C P. Analysis and modeling of one-dimensional folded vertical Hall sensor with readout circuit. IEEE Sens J, 2017, 17, 6880 doi: 10.1109/JSEN.2017.2754295
|
| [16] |
Heidari H, Bonizzoni E, Gatti U, et al. CMOS vertical Hall magnetic sensors on flexible substrate. IEEE Sens J, 2016, 16, 9736 doi: 10.1109/jsen.2016.2575802
|
| [17] |
Sander C, Vecchi M C, Cornils M, et al. From three contact vertical Hall elements to symmetrized vertical Hall sensors with low offset. Sens Actuators A, 2016, 240, 92 doi: 10.1016/j.sna.2016.01.040
|
| [18] |
Sander C, Leube C, Paul O. Compact two-dimensional CMOS Hall sensor based on switchable configurations of four three-contact elements. Sens Actuators A, 2016, 248, 281 doi: 10.1016/j.sna.2016.07.032
|
| [19] |
Bilotti, A, Monreal G, Vig R. Monolithic magnetic Hall sensor using dynamic quadrature offset cancellation. IEEE J Solid-State Circuits, 1997, 32, 829 doi: 10.1109/4.585275
|
| [20] |
Randjelovic Z B, Kayal M, Popovic R, et al. Highly sensitive Hall magnetic sensor microsystem in CMOS technology. IEEE J Solid-State Circuits, 2002, 37, 151 doi: 10.1109/4.982421
|
| [21] |
Xu Y, Pan H B, He S Z, et al. A highly sensitive CMOS digital Hall sensor for low magnetic field applications. Sensors, 2012, 12, 2162 doi: 10.3390/s120202162
|
| [22] |
Jiang J, Kindt W J, Makinwa K A. A continuous-time ripple reduction technique for spinning-current Hall sensors. IEEE J Solid-State Circuits, 2014, 49, 1525 doi: 10.1109/JSSC.2014.2319252
|
| [23] |
Crescentini M, Marchesi M, Romani A, et al. A broadband, on-chip sensor based on Hall effect for current measurements in smart power circuits. IEEE Trans Instrum Meas, 2018, 67, 1470 doi: 10.1109/TIM.2018.2795248
|
| [24] |
Osberger L, Frick V, Hébrard L. High resolution shallow vertical Hall sensor operated with four-phase bi-current spinning current. Sens Actuators A, 2016, 244, 270 doi: 10.1016/j.sna.2016.04.036
|
| [25] |
Girgin A, Bilmez M, Amin H Y, et al. A silicon Hall sensor SoC for current sensors. Microelectron J, 2019, 90, 12 doi: 10.1016/j.mejo.2019.04.020
|
| [26] |
Heidari H, Bonizzoni E, Gatti U, Maloberti F. A CMOS current-mode magnetic Hall sensor with integrated front-end. IEEE Trans Circuits Syst I, 2015, 62, 1270 doi: 10.1109/TCSI.2015.2415173
|
Article views: 2700 Times PDF downloads: 242 Times Cited by: 0 Times
Received: 26 May 2021 Revised: 15 October 2021 Online: Accepted Manuscript: 19 January 2022Uncorrected proof: 20 January 2022Published: 10 March 2022
| Citation: |
Zhengwu Shu, Lei Jiang, Xingxing Hu, Yue Xu. An integrated front-end vertical hall magnetic sensor fabricated in 0.18 μm low-voltage CMOS technology[J]. Journal of Semiconductors, 2022, 43(3): 032402. doi: 10.1088/1674-4926/43/3/032402
****
Z W Shu, L Jiang, X X Hu, Y Xu, An integrated front-end vertical hall magnetic sensor fabricated in 0.18 μm low-voltage CMOS technology[J]. J. Semicond., 2022, 43(3): 032402. doi: 10.1088/1674-4926/43/3/032402.
|
| [1] |
Banjevic M, Furrer B, Blagojevic M, et al. High-speed CMOS magnetic angle sensor based on miniaturized circular vertical Hall devices. Sens Actuators A, 2012, 178, 64 doi: 10.1016/j.sna.2012.02.019
|
| [2] |
Ajbl A, Pastre M, Kayal M. A fully integrated Hall sensor microsystem for contactless current measurement. IEEE Sens J, 2013, 13, 2271 doi: 10.1109/JSEN.2013.2251971
|
| [3] |
Xu Y, Pan H B, He S Z, et al. Monolithic H-bridge brushless DC vibration motor driver with a highly sensitive Hall sensor in 0.18 μm complementary metal-oxide semiconductor technology. IET Circuits Devices Syst, 2013, 7, 204 doi: 10.1049/iet-cds.2012.0167
|
| [4] |
Paliwal S, Yenuganti S. A differential Hall effect based pressure sensor. J Electr Eng Technol, 2021, 16, 1119 doi: 10.1007/s42835-020-00647-8
|
| [5] |
Xu Y, Hu X, Jiang L. An analytical geometry optimization model for current-mode cross-like Hall plates. Sensors, 2019, 19, 2490 doi: 10.3390/s19112490
|
| [6] |
Huang H, Wang D, Li W, et al. A simplified compact model of miniaturized cross-shaped CMOS integrated Hall devices. J Semicond, 2012, 33, 084005 doi: 10.1088/1674-4926/33/8/084005
|
| [7] |
Schell J B, Kammerer J B, Hébrard L, et al. CMOS 3D Hall probe for magnetic field measurement in MRI scanner. IEEE 10th International New Circuits and Systems Conference (NEWCAS), 2012, 517
|
| [8] |
Wouters S, Vrankovi V, R?ssler C, et al. Design and fabrication of an innovative three-axis Hall sensor. Sens Actuators A, 2017, 237, 62 doi: 10.1016/j.sna.2015.11.022
|
| [9] |
Wouters C, Vrankovi? V, Chevtsov P, et al. Calibration scheme for a new type of 3D Hall sensor. Sens Actuators A, 2017, 257, 38 doi: 10.1016/j.sna.2017.02.007
|
| [10] |
Paul O, Raz R, Kaufmann T. Analysis of the offset of semiconductor vertical Hall devices. Sens Actuators A, 2012, 174, 24 doi: 10.1016/j.sna.2011.11.021
|
| [11] |
Pascal J, Hébrard L, Kammerer J B, et al. First vertical Hall device in standard 0.35 μm CMOS technology. Sens Actuators A, 2008, 147, 41 doi: 10.1016/j.sna.2008.03.011
|
| [12] |
Pascal J, Hébrard L, Frick V, et al. Intrinsic limits of the sensitivity of CMOS integrated vertical Hall devices. Sens Actuators A, 2009, 152, 21 doi: 10.1016/j.sna.2009.03.006
|
| [13] |
Schurig E, Demierre M, Schott C, et al. A vertical Hall device in CMOS high-voltage technology. Sens Actuators A, 2002, 97/98, 47 doi: 10.1016/S0924-4247(01)00859-7
|
| [14] |
Schurig E, Schott C, Besse P A, et al. 0.2 mT residual offset of CMOS integrated vertical Hall sensors. Sens Actuators A, 2004, 110, 98 doi: 10.1016/j.sna.2003.10.001
|
| [15] |
Sung G M, Wang W Y, Yu C P. Analysis and modeling of one-dimensional folded vertical Hall sensor with readout circuit. IEEE Sens J, 2017, 17, 6880 doi: 10.1109/JSEN.2017.2754295
|
| [16] |
Heidari H, Bonizzoni E, Gatti U, et al. CMOS vertical Hall magnetic sensors on flexible substrate. IEEE Sens J, 2016, 16, 9736 doi: 10.1109/jsen.2016.2575802
|
| [17] |
Sander C, Vecchi M C, Cornils M, et al. From three contact vertical Hall elements to symmetrized vertical Hall sensors with low offset. Sens Actuators A, 2016, 240, 92 doi: 10.1016/j.sna.2016.01.040
|
| [18] |
Sander C, Leube C, Paul O. Compact two-dimensional CMOS Hall sensor based on switchable configurations of four three-contact elements. Sens Actuators A, 2016, 248, 281 doi: 10.1016/j.sna.2016.07.032
|
| [19] |
Bilotti, A, Monreal G, Vig R. Monolithic magnetic Hall sensor using dynamic quadrature offset cancellation. IEEE J Solid-State Circuits, 1997, 32, 829 doi: 10.1109/4.585275
|
| [20] |
Randjelovic Z B, Kayal M, Popovic R, et al. Highly sensitive Hall magnetic sensor microsystem in CMOS technology. IEEE J Solid-State Circuits, 2002, 37, 151 doi: 10.1109/4.982421
|
| [21] |
Xu Y, Pan H B, He S Z, et al. A highly sensitive CMOS digital Hall sensor for low magnetic field applications. Sensors, 2012, 12, 2162 doi: 10.3390/s120202162
|
| [22] |
Jiang J, Kindt W J, Makinwa K A. A continuous-time ripple reduction technique for spinning-current Hall sensors. IEEE J Solid-State Circuits, 2014, 49, 1525 doi: 10.1109/JSSC.2014.2319252
|
| [23] |
Crescentini M, Marchesi M, Romani A, et al. A broadband, on-chip sensor based on Hall effect for current measurements in smart power circuits. IEEE Trans Instrum Meas, 2018, 67, 1470 doi: 10.1109/TIM.2018.2795248
|
| [24] |
Osberger L, Frick V, Hébrard L. High resolution shallow vertical Hall sensor operated with four-phase bi-current spinning current. Sens Actuators A, 2016, 244, 270 doi: 10.1016/j.sna.2016.04.036
|
| [25] |
Girgin A, Bilmez M, Amin H Y, et al. A silicon Hall sensor SoC for current sensors. Microelectron J, 2019, 90, 12 doi: 10.1016/j.mejo.2019.04.020
|
| [26] |
Heidari H, Bonizzoni E, Gatti U, Maloberti F. A CMOS current-mode magnetic Hall sensor with integrated front-end. IEEE Trans Circuits Syst I, 2015, 62, 1270 doi: 10.1109/TCSI.2015.2415173
|
Journal of Semiconductors © 2017 All Rights Reserved 京ICP備05085259號(hào)-2