J. Semicond. > 2018, Volume 39?>?Issue 10?> 104008

SEMICONDUCTOR DEVICES

Reliability testing of a 3D encapsulated VHF MEMS resonator

Fengxiang Wang1, 2, 3, Quan Yuan1, 2, Xiao Kan1, 2, 3, Jicong Zhao4, Zeji Chen1, 2, 3, Jinling Yang1, 2, 3, and Fuhua Yang1, 2

+ Author Affiliations

 Corresponding author: Jinling Yang, Email: jlyang@semi.ac.cn

DOI: 10.1088/1674-4926/39/10/104008

PDF

Turn off MathJax

Abstract: The frequency stability of a three-dimensional (3D) vacuum encapsulated very high frequency (VHF) disk resonator is systematically investigated. For eliminating the parasitic effect caused by the parasitic capacitance of the printed circuit board (PCB), a negating capacitive compensation method was developed. The testing results implemented at 25 °C for 240 h for the long-term stability indicates that the resonant frequency variation remained within ±1 ppm and the noise floor derived from Allan Deviation was 26 ppb, which is competitive with the conventional quartz resonators. The resonant frequency fluctuation of 1.5 ppm was obtained during 200 temperature cycling between ?40 and 85 °C.

Key words: 3D encapsulationVHF disk resonatorfrequency stabilityparasitic effect



[1]
Vig J, Ballato A. Ultrasonic instruments and devices. New York: Academic, 1999
[2]
Rocheleau T O, Naing T L, Nguyen T C. Long-term stability of a hermetically packaged MEMS disk oscillator. IEEE European Frequency and Time Forum & International Frequency Control Symposium, 2014: 209
[3]
Kim B, Candler R N, Hopcroft M A, et al. Frequency stability of wafer-scale film encapsulated silicon based MEMS resonators. Sens Actuators A, 2007, 136(1): 125 doi: 10.1016/j.sna.2006.10.040
[4]
Koskenvuori M, Mattila T, H??r? A, et al. Long-term stability of single-crystal silicon microresonators. Sens Actuators A, 2004, 115(1): 23 doi: 10.1016/j.sna.2004.03.013
[5]
Tabrizian R, Casinovi G, Ayazi F. Temperature-stable silicon oxide (SilOx) micromechanical resonators. IEEE Trans Electron Devices, 2013, 60(8): 2656 doi: 10.1109/TED.2013.2270434
[6]
Kaajakari V, Kiiham?ki J, Oja A, et al. Stability of wafer level vacuum encapsulated single-crystal silicon resonators. Sens Actuators A, 2006, 130/131(2): 42
[7]
Jin X, Y F Liu, H Zhao, et al. Reliable low-cost fabrication and characterization methods for micromechanical disk resonators. 16th International Solid-State Sensors, Actuators and Microsystems Conference (TRANSDUCERS), 2011: 2462
[8]
Yuan Q, Luo W, Zhao H, et al. Frequency stability of RF-MEMS disk resonators. IEEE Trans Electron Devices, 2015, 62(5): 1603 doi: 10.1109/TED.2015.2415199
[9]
Zhao J C, Yuan Q, Wang F X, et al. Design and characterization of a 3D encapsulation with silicon vias for radio frequency micro-electromechanical system resonator. Chin Phys B, 2017, 26(6): 119
[10]
Zhao J C, Yuan Q, Kan X, et al. A low feed-through 3D vacuum packaging technique with silicon vias for RF MEMS resonators. J Micromechan Microeng, 2016, 27(1): 014003
[11]
Vig J R, Meeker T R. The aging of bulk acoustic wave resonators, filters and oscillators. Proceedings of the Symposium on Frequency Control, 1991: 77
[12]
Antonio D, Zanette D H, López D. Frequency stabilization in nonlinear micromechanical oscillators. Nat Commun, 2012, 3(3): 806
Fig. 1.  SEM photographs for the radial-contour-mode resonator.

Fig. 2.  (Color online) (a) Photograph of the packaged resonator using 3D packaging technique. (b) SEM cross-section photograph of the packaged resonator.

Fig. 3.  (Color online) Frequency spectrum of the resonator measured with RF probe station and with PCB.

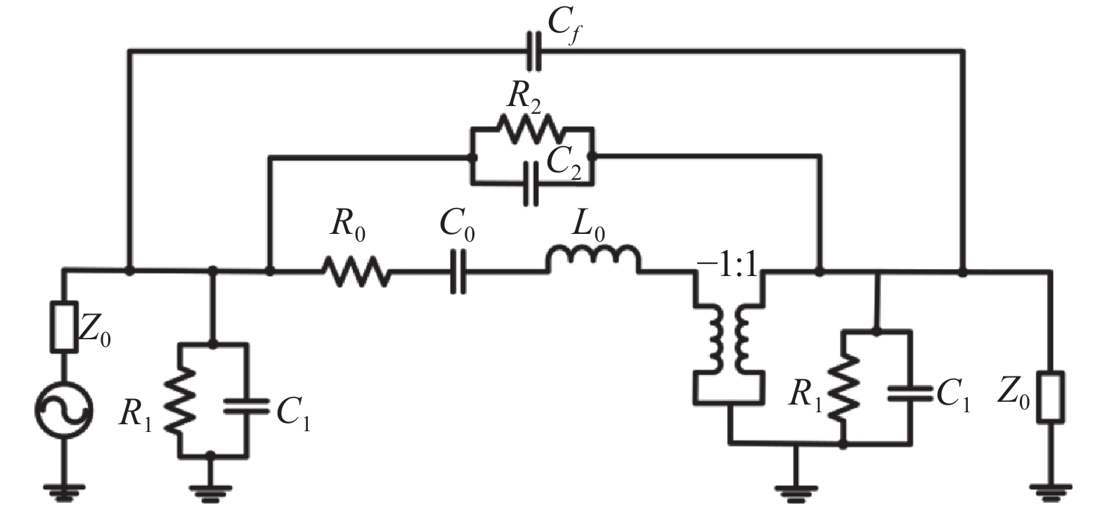
Fig. 4.  Equivalent circuit model of the disk resonator connected with PCB.

Fig. 5.  (Color online) (a) Schematic of the negative capacitive compensation for parasitic elimination and (b) the PCB for parasitic elimination.

Fig. 6.  (Color online) Measured frequency spectrum of the resonator with and without the parasitic effect.

Fig. 7.  (Color online) Schematic of the stability test system.

Fig. 8.  (a) The measured resonant frequencies and (b) Q-factors for the encapsulated resonator during the long-term stability test.

Fig. 9.  Allan deviation calculated from long-term stability data with different averaging time.

Fig. 10.  (Color online) (a) The measured resonant frequencies and (b) Q-factors for the encapsulated resonators during the temperature cycling.

Table 1.   Values of electrical parameters for the disk resonator.

R0 (kΩ) L0 (H) C0 (fF) R1 (pF) C1 (MΩ) R2 (MΩ) C2 (fF)
494.78 3.34 3.33 × 10?4 0.39 13.61 3.8 0.375
DownLoad: CSV
[1]
Vig J, Ballato A. Ultrasonic instruments and devices. New York: Academic, 1999
[2]
Rocheleau T O, Naing T L, Nguyen T C. Long-term stability of a hermetically packaged MEMS disk oscillator. IEEE European Frequency and Time Forum & International Frequency Control Symposium, 2014: 209
[3]
Kim B, Candler R N, Hopcroft M A, et al. Frequency stability of wafer-scale film encapsulated silicon based MEMS resonators. Sens Actuators A, 2007, 136(1): 125 doi: 10.1016/j.sna.2006.10.040
[4]
Koskenvuori M, Mattila T, H??r? A, et al. Long-term stability of single-crystal silicon microresonators. Sens Actuators A, 2004, 115(1): 23 doi: 10.1016/j.sna.2004.03.013
[5]
Tabrizian R, Casinovi G, Ayazi F. Temperature-stable silicon oxide (SilOx) micromechanical resonators. IEEE Trans Electron Devices, 2013, 60(8): 2656 doi: 10.1109/TED.2013.2270434
[6]
Kaajakari V, Kiiham?ki J, Oja A, et al. Stability of wafer level vacuum encapsulated single-crystal silicon resonators. Sens Actuators A, 2006, 130/131(2): 42
[7]
Jin X, Y F Liu, H Zhao, et al. Reliable low-cost fabrication and characterization methods for micromechanical disk resonators. 16th International Solid-State Sensors, Actuators and Microsystems Conference (TRANSDUCERS), 2011: 2462
[8]
Yuan Q, Luo W, Zhao H, et al. Frequency stability of RF-MEMS disk resonators. IEEE Trans Electron Devices, 2015, 62(5): 1603 doi: 10.1109/TED.2015.2415199
[9]
Zhao J C, Yuan Q, Wang F X, et al. Design and characterization of a 3D encapsulation with silicon vias for radio frequency micro-electromechanical system resonator. Chin Phys B, 2017, 26(6): 119
[10]
Zhao J C, Yuan Q, Kan X, et al. A low feed-through 3D vacuum packaging technique with silicon vias for RF MEMS resonators. J Micromechan Microeng, 2016, 27(1): 014003
[11]
Vig J R, Meeker T R. The aging of bulk acoustic wave resonators, filters and oscillators. Proceedings of the Symposium on Frequency Control, 1991: 77
[12]
Antonio D, Zanette D H, López D. Frequency stabilization in nonlinear micromechanical oscillators. Nat Commun, 2012, 3(3): 806
  • Search

    Advanced Search >>

    GET CITATION

    shu

    Export: BibTex EndNote

    Article Metrics

    Article views: 4388 Times PDF downloads: 56 Times Cited by: 0 Times

    History

    Received: 03 February 2018 Revised: 19 March 2018 Online: Accepted Manuscript: 26 April 2018Uncorrected proof: 03 May 2018Published: 09 October 2018

    Catalog

      Email This Article

      User name:
      Email:*請輸入正確郵箱
      Code:*驗證碼錯誤
      Fengxiang Wang, Quan Yuan, Xiao Kan, Jicong Zhao, Zeji Chen, Jinling Yang, Fuhua Yang. Reliability testing of a 3D encapsulated VHF MEMS resonator[J]. Journal of Semiconductors, 2018, 39(10): 104008. doi: 10.1088/1674-4926/39/10/104008 ****F X Wang, Q Yuan, X Kan, J C Zhao, Z J Chen, J L Yang, F H Yang, Reliability testing of a 3D encapsulated VHF MEMS resonator[J]. J. Semicond., 2018, 39(10): 104008. doi: 10.1088/1674-4926/39/10/104008.
      Citation:
      Fengxiang Wang, Quan Yuan, Xiao Kan, Jicong Zhao, Zeji Chen, Jinling Yang, Fuhua Yang. Reliability testing of a 3D encapsulated VHF MEMS resonator[J]. Journal of Semiconductors, 2018, 39(10): 104008. doi: 10.1088/1674-4926/39/10/104008 ****
      F X Wang, Q Yuan, X Kan, J C Zhao, Z J Chen, J L Yang, F H Yang, Reliability testing of a 3D encapsulated VHF MEMS resonator[J]. J. Semicond., 2018, 39(10): 104008. doi: 10.1088/1674-4926/39/10/104008.

      Reliability testing of a 3D encapsulated VHF MEMS resonator

      DOI: 10.1088/1674-4926/39/10/104008
      Funds:

      Project supported by the National Key Research and Development Program of China (No. 2017YFB0405400), the National Natural Science Foundation of China (Nos. 61234007, 61734007, 61404136, 61704166), and the Key Research Program of Frontier Science of CAS (No. QYZDY-SSW-JSC004).

      More Information
      • Corresponding author: Email: jlyang@semi.ac.cn
      • Received Date: 2018-02-03
      • Revised Date: 2018-03-19
      • Published Date: 2018-10-01

      Catalog

        /

        DownLoad:  Full-Size Img  PowerPoint
        Return
        Return