J. Semicond. > 2015, Volume 36?>?Issue 12?> 125005

SEMICONDUCTOR INTEGRATED CIRCUITS

High-speed low-power voltage-programmed driving scheme for AMOLED displays

Xingheng Xia1, Weijing Wu1, , Xiaofeng Song1, Guanming Li1, Lei Zhou2, Lirong Zhang2, Miao Xu1, Lei Wang1 and Junbiao Peng1

+ Author Affiliations

 Corresponding author: Wu Weijing,Email:wuwj@scut.edu.cn

DOI: 10.1088/1674-4926/36/12/125005

PDF

Abstract: A new voltage-programmed driving scheme named the mixed parallel addressing scheme is presented for AMOLED displays, in which one compensation interval can be divided into the first compensation frame and the consequent N-1 post-compensation frames without periods of initialization and threshold voltage detection. The proposed driving scheme has the advantages of both high speed and low driving power due to the mixture of the pipeline technology and the threshold voltage one-time detection technology. Corresponding to the proposed driving scheme, we also propose a new voltage-programmed compensation pixel circuit, which consists of five TFTs and two capacitors(5T2C). In-Zn-O thin-film transistors(IZO TFTs) are used to build the proposed 5T2C pixel circuit. It is shown that the non-uniformity of the proposed pixel circuit is considerably reduced compared with that of the conventional 2T1C pixel circuit. The number of frames(N) preserved in the proposed driving scheme are measured and can be up to 35 with the variation of the OLED current remaining in an acceptable range. Moreover, the proposed voltage-programmed driving scheme can be more valuable for an AMOLED display with high resolution, and may also be applied to other compensation pixel circuits.

Key words: active-matrix organic light-emitting diode(AMOLED)low powerpixel circuitmixed parallel addressingoptoelectronic integrated circuits



[1]
[2]
[3]
[4]
[5]
[6]
[7]
[8]
[9]
[10]
[11]
[12]
[13]
[14]
[15]
[16]
[17]
[18]
[19]
[20]
[21]
[22]
[23]
[24]
[25]
[26]
[27]
[28]
[29]
Fig1.  (a) Conventional driving scheme. (b) Parallel addressing schemes. (c) Interleaving addressing scheme. (d) Threshold voltage one-time detection method. I: initialization period; C: threshold voltage detecting period; D: data input period; E: emission period; $N$: the number of post-compensation frames; $h$: number of rows in a segment; $\tau_{\rm p}$: a delay time.

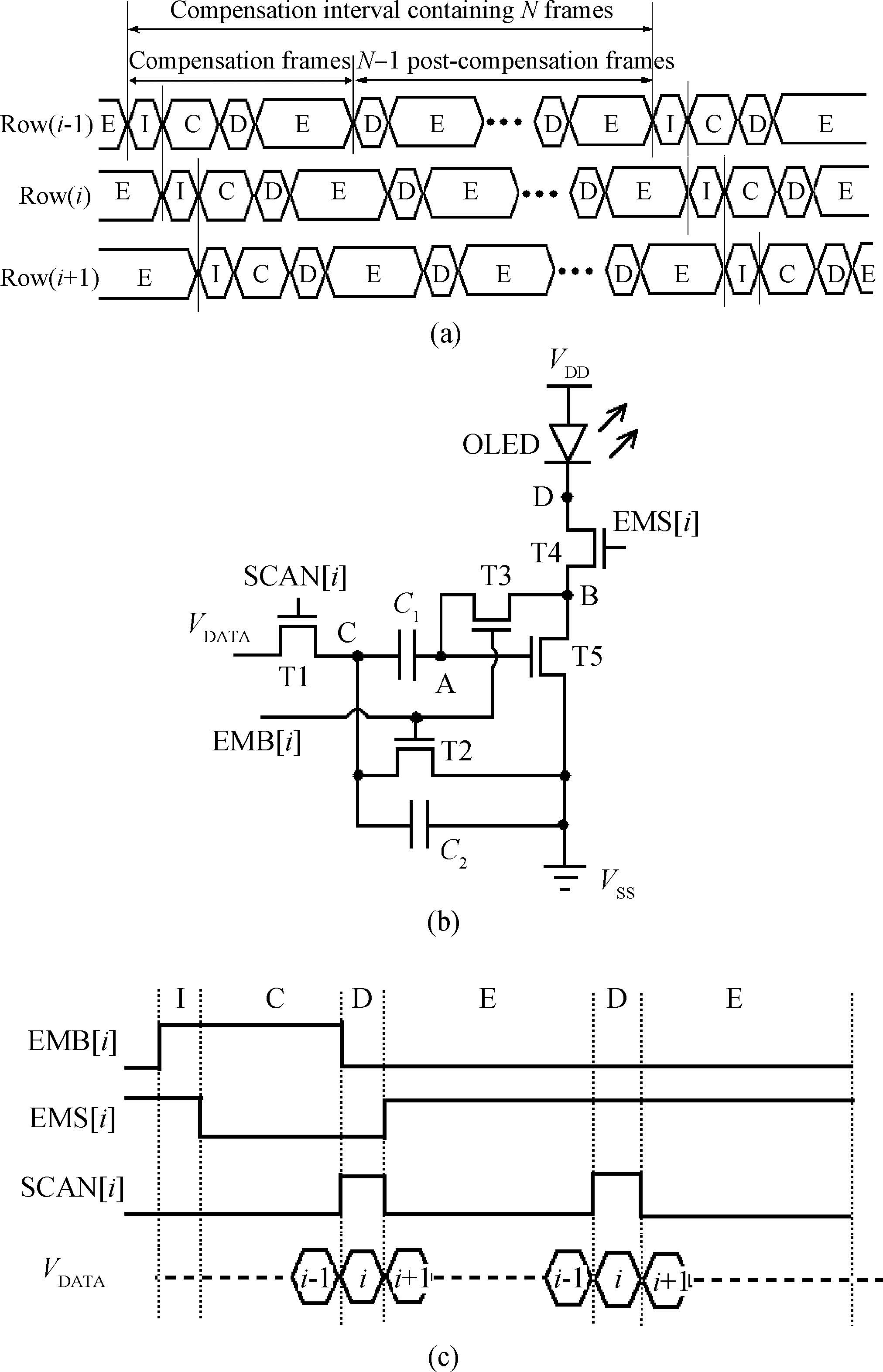
Fig2.  (a) Proposed programmed scheme, (b) proposed pixel circuit schematic, and (c) control signals timing diagram of the compensation frame and post-compensation frame.

Fig3.  (a) Proposed programmed scheme,(b) proposed pixel circuit schematic,and (c) control signals timing diagram of the compensation frame and post-compensation frame.

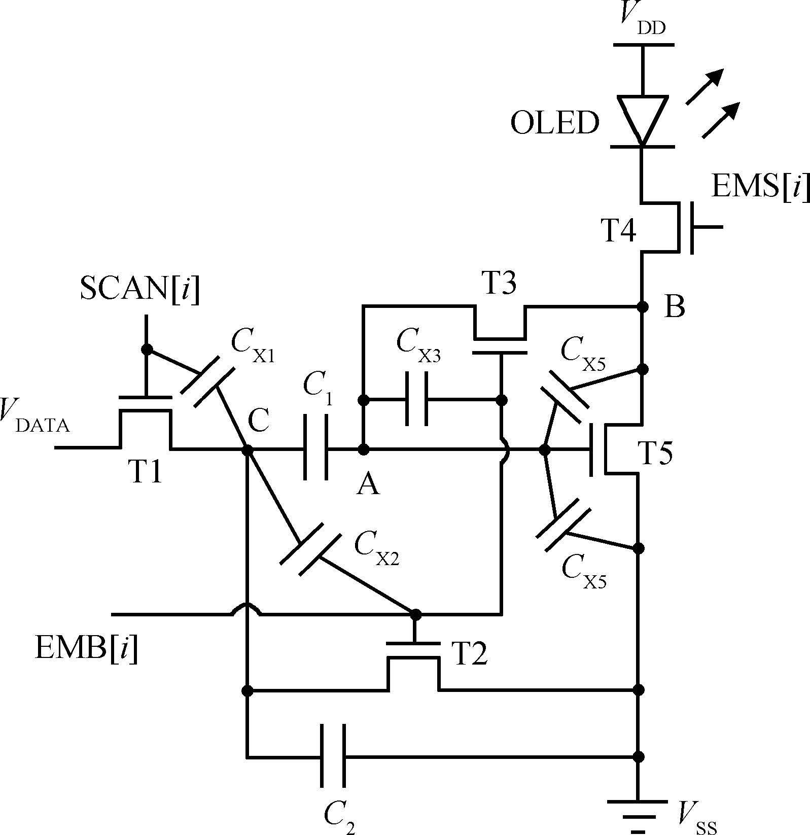
Fig4.  Proposed pixel circuit including parasitic capacitors

Fig5.  Transient simulation results of the node voltage and OLED current.

Fig6.  (a) The optical images of the proposed 5T2C pixel circuit.(b) Non-uniformity of the OLED current versus the average current for the proposed 5T2C pixel circuit.

Fig7.  OLED current versus N

Fig8.  (a) Driving power consumption versus N.(b) Driving power consumption versus display resolution.

Table 1.   Design parameters of the proposed 5T2C pixel circuit

DownLoad: CSV

Table 2.   Values employed for calculating the driving power.

DownLoad: CSV
[1]
[2]
[3]
[4]
[5]
[6]
[7]
[8]
[9]
[10]
[11]
[12]
[13]
[14]
[15]
[16]
[17]
[18]
[19]
[20]
[21]
[22]
[23]
[24]
[25]
[26]
[27]
[28]
[29]
  • Search

    Advanced Search >>

    GET CITATION

    shu

    Export: BibTex EndNote

    Article Metrics

    Article views: 3212 Times PDF downloads: 39 Times Cited by: 0 Times

    History

    Received: 07 January 2014 Revised: Online: Published: 01 December 2015

    Catalog

      Email This Article

      User name:
      Email:*請輸入正確郵箱
      Code:*驗證碼錯誤
      Xingheng Xia, Weijing Wu, Xiaofeng Song, Guanming Li, Lei Zhou, Lirong Zhang, Miao Xu, Lei Wang, Junbiao Peng. High-speed low-power voltage-programmed driving scheme for AMOLED displays[J]. Journal of Semiconductors, 2015, 36(12): 125005. doi: 10.1088/1674-4926/36/12/125005 ****X H Xia, W J Wu, X F Song, G M Li, L Zhou, L R Zhang, M Xu, L Wang, J B Peng. High-speed low-power voltage-programmed driving scheme for AMOLED displays[J]. J. Semicond., 2015, 36(12): 125005. doi: 10.1088/1674-4926/36/12/125005.
      Citation:
      Xingheng Xia, Weijing Wu, Xiaofeng Song, Guanming Li, Lei Zhou, Lirong Zhang, Miao Xu, Lei Wang, Junbiao Peng. High-speed low-power voltage-programmed driving scheme for AMOLED displays[J]. Journal of Semiconductors, 2015, 36(12): 125005. doi: 10.1088/1674-4926/36/12/125005 ****
      X H Xia, W J Wu, X F Song, G M Li, L Zhou, L R Zhang, M Xu, L Wang, J B Peng. High-speed low-power voltage-programmed driving scheme for AMOLED displays[J]. J. Semicond., 2015, 36(12): 125005. doi: 10.1088/1674-4926/36/12/125005.

      High-speed low-power voltage-programmed driving scheme for AMOLED displays

      DOI: 10.1088/1674-4926/36/12/125005
      Funds:

      Project supported by the State Key Development Program for Basic Research of China(No. 2015CB655000) the National Natural Science Foundation of China(Nos. 61204089, 61306099, 61036007, 51173049, U1301243), and the Fundamental Research Funds for the Central Universities(Nos. 2013ZZ0046, 2014ZZ0028).

      More Information
      • Corresponding author: Wu Weijing,Email:wuwj@scut.edu.cn
      • Received Date: 2014-01-07
      • Accepted Date: 2014-07-07
      • Published Date: 2015-01-25

      Catalog

        /

        DownLoad:  Full-Size Img  PowerPoint
        Return
        Return