J. Semicond. > 2013, Volume 34?>?Issue 9?> 095003

SEMICONDUCTOR INTEGRATED CIRCUITS

Design of a delay-locked-loop-based time-to-digital converter

Zhaoxin Ma1, Xuefei Bai1, and Lu Huang2

+ Author Affiliations

 Corresponding author: Bai Xuefei, Email:baixf@ustc.edu.cn

DOI: 10.1088/1674-4926/34/9/095003

PDF

Abstract: A time-to-digital converter (TDC) based on a reset-free and anti-harmonic delay-locked loop (DLL) circuit for wireless positioning systems is discussed and described. The DLL that generates 32-phase clocks and a cycle period detector is employed to avoid "false locking". Driven by multiphase clocks, an encoder detects pulses and outputs the phase of the clock when the pulse arrives. The proposed TDC was implemented in SMIC 0.18 μm CMOS technology, and its core area occupies 0.7×0.55 mm2. The reference frequency ranges from 20 to 150 MHz. An LSB resolution of 521 ps can be achieved by using a reference clock of 60 MHz and the DNL is less than ±0.75 LSB. It dissipates 31.5 mW at 1.8 V supply voltage.

Key words: TDCDLLmultiphase clockfalse lockjitter



[1]
Hui L, Houshang D, Pat B, et al. Survey of wireless indoor positioning techniques and systems. IEEE Trans Syst, Man, Cybern, Part C, 2007, 37(6):1067 doi: 10.1109/TSMCC.2007.905750
[2]
Michael K, Cemin Z, Brandon M, et al. High accuracy UWB localization in dense indoor environments. IEEE Inter Conf on UWB, 2008, 2:129 http://ieeexplore.ieee.org/document/4653368/
[3]
Cai L, Huang L, Fu Z, et al. An energy detection receiver for non-coherent IR-UWB. Journal of Semiconductors, 2011, 32(6):065006 doi: 10.1088/1674-4926/32/6/065006
[4]
Jorgen C. An integrated high resolution CMOS timing generator based on an array of delay locked loops. IEEE J Solid-State Circuits, 1996, 31(7):952 doi: 10.1109/4.508208
[5]
Fahim A M. Clock generators for SOC processors. Beijing:Science-Press, 2007:129
[6]
Lee M J E, Dally W J, Greer T, et al. Jitter transfer characteristics of delay-locked loops—theories and design techniques. IEEE J Solid-State Circuits, 2003, 38(4):614 doi: 10.1109/JSSC.2003.809519
[7]
Cheng K H, Yang W B, Ying C M. A dual-slope phase frequency detector and charge pump architecture to achieve fast locking of phase-locked loop. IEEE Trans Circuits Syst Ⅱ, 2003, 50(11):892 doi: 10.1109/TCSII.2003.819130
[8]
Song E, Lee S W, Lee J W, et al. A reset-free anti-harmonic delay-locked loop using a cycle period detector. IEEE J Solid-States Circuits, 2004, 39(11):2055 doi: 10.1109/JSSC.2004.835840
[9]
Wu G, Deyuan G, David B, et al. Precise multiphase clock generation using low-jitter delay-locked loop techniques for positron emission tomography imaging. IEEE Trans Nucl Sci, 2010, 57(3):1063 doi: 10.1109/TNS.2010.2044663
[10]
Hwang C S, Chen P, Tsao H W. A high-precision time-to-digital converter using a two-level conversion scheme. IEEE Trans Nucl Sci, 2004, 51(4):1349 doi: 10.1109/TNS.2004.832902
Fig. 1.  System structure of the wireless positioning sensor based on IR-UWB.

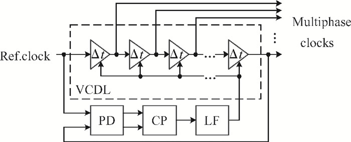
Fig. 2.  Block diagram of a basic DLL.

Fig. 3.  Transfer function curves of the PD, CP and PD-CP-LF. (a) Single-slope. (b) Dual-slope. (c) Proposed architecture.

Fig. 4.  Block diagram of proposed DLL.

Fig. 5.  Timing diagram of partial signals of the auxiliary loop.

Fig. 6.  Schematic of proposed delay cell with reset.

Fig. 7.  Post simulation results. (a) Delay time versus control voltage $V_{\rm ctrl}$ of a VCDC. (b) DLL lock frequency versus control voltage $V_{\rm ctrl}$.

Fig. 8.  Block diagram of CP and LF. (a) Simplified CP. (b) Current steering CP.

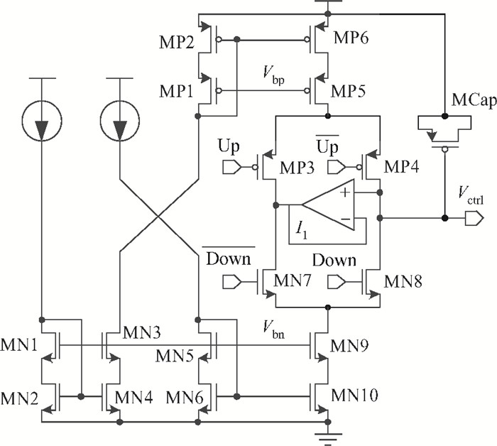
Fig. 9.  Schematic of the proposed CP and LF.

Fig. 10.  (a) Match curve of charge and discharge current of the proposed CP. (b) Curves of the capacitance of capacitors of different types in SMIC 0.18 $\mu$m technology versus the bias voltage.

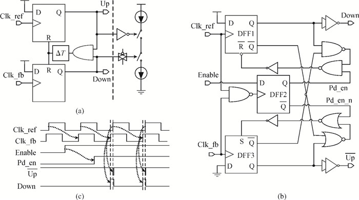
Fig. 11.  (a) Block diagram of a conventional PD. (b) Block diagram of the proposed PD. (c) Timing diagram of the proposed PD.

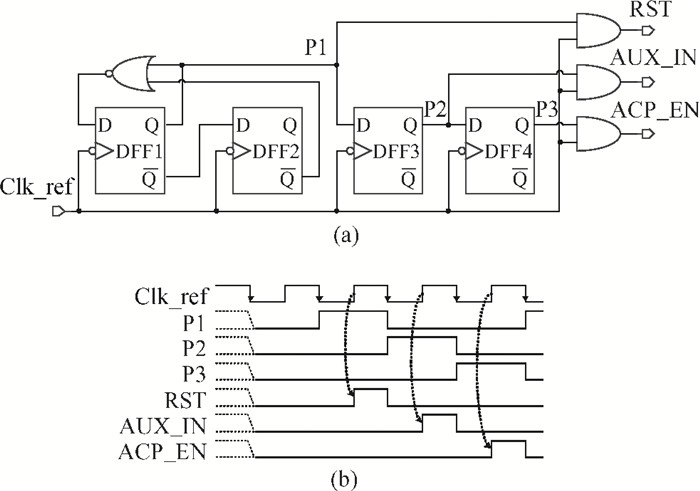
Fig. 12.  Pulse generator in the AL. (a) Block diagram. (b) Timing diagram.

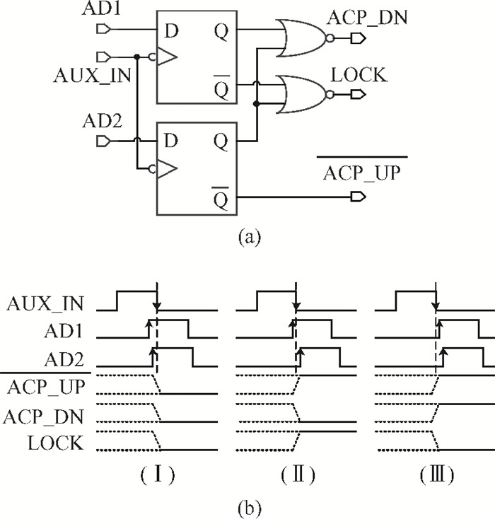
Fig. 13.  Cycle period detector in the AL. (a) Block diagram. (b) Timing diagram.

Fig. 14.  Encoder in the TDC. (a) Block diagram. (b) Timing diagram.

Fig. 15.  Microphotograph of the TDC chip.

Fig. 16.  Transient waveforms of the multiphase clock[1, 2, 17, 18].

Fig. 17.  Output and DNL versus delay time between the reference clock and pulses.

Table 1.   Performance summary and comparison.

[1]
Hui L, Houshang D, Pat B, et al. Survey of wireless indoor positioning techniques and systems. IEEE Trans Syst, Man, Cybern, Part C, 2007, 37(6):1067 doi: 10.1109/TSMCC.2007.905750
[2]
Michael K, Cemin Z, Brandon M, et al. High accuracy UWB localization in dense indoor environments. IEEE Inter Conf on UWB, 2008, 2:129 http://ieeexplore.ieee.org/document/4653368/
[3]
Cai L, Huang L, Fu Z, et al. An energy detection receiver for non-coherent IR-UWB. Journal of Semiconductors, 2011, 32(6):065006 doi: 10.1088/1674-4926/32/6/065006
[4]
Jorgen C. An integrated high resolution CMOS timing generator based on an array of delay locked loops. IEEE J Solid-State Circuits, 1996, 31(7):952 doi: 10.1109/4.508208
[5]
Fahim A M. Clock generators for SOC processors. Beijing:Science-Press, 2007:129
[6]
Lee M J E, Dally W J, Greer T, et al. Jitter transfer characteristics of delay-locked loops—theories and design techniques. IEEE J Solid-State Circuits, 2003, 38(4):614 doi: 10.1109/JSSC.2003.809519
[7]
Cheng K H, Yang W B, Ying C M. A dual-slope phase frequency detector and charge pump architecture to achieve fast locking of phase-locked loop. IEEE Trans Circuits Syst Ⅱ, 2003, 50(11):892 doi: 10.1109/TCSII.2003.819130
[8]
Song E, Lee S W, Lee J W, et al. A reset-free anti-harmonic delay-locked loop using a cycle period detector. IEEE J Solid-States Circuits, 2004, 39(11):2055 doi: 10.1109/JSSC.2004.835840
[9]
Wu G, Deyuan G, David B, et al. Precise multiphase clock generation using low-jitter delay-locked loop techniques for positron emission tomography imaging. IEEE Trans Nucl Sci, 2010, 57(3):1063 doi: 10.1109/TNS.2010.2044663
[10]
Hwang C S, Chen P, Tsao H W. A high-precision time-to-digital converter using a two-level conversion scheme. IEEE Trans Nucl Sci, 2004, 51(4):1349 doi: 10.1109/TNS.2004.832902
  • Search

    Advanced Search >>

    GET CITATION

    shu

    Export: BibTex EndNote

    Article Metrics

    Article views: 3970 Times PDF downloads: 59 Times Cited by: 0 Times

    History

    Received: 26 January 2013 Revised: 20 March 2013 Online: Published: 01 September 2013

    Catalog

      Email This Article

      User name:
      Email:*請輸入正確郵箱
      Code:*驗證碼錯誤
      Zhaoxin Ma, Xuefei Bai, Lu Huang. Design of a delay-locked-loop-based time-to-digital converter[J]. Journal of Semiconductors, 2013, 34(9): 095003. doi: 10.1088/1674-4926/34/9/095003 ****Z X Ma, X F Bai, L Huang. Design of a delay-locked-loop-based time-to-digital converter[J]. J. Semicond., 2013, 34(9): 095003. doi: 10.1088/1674-4926/34/9/095003.
      Citation:
      Zhaoxin Ma, Xuefei Bai, Lu Huang. Design of a delay-locked-loop-based time-to-digital converter[J]. Journal of Semiconductors, 2013, 34(9): 095003. doi: 10.1088/1674-4926/34/9/095003 ****
      Z X Ma, X F Bai, L Huang. Design of a delay-locked-loop-based time-to-digital converter[J]. J. Semicond., 2013, 34(9): 095003. doi: 10.1088/1674-4926/34/9/095003.

      Design of a delay-locked-loop-based time-to-digital converter

      DOI: 10.1088/1674-4926/34/9/095003
      Funds:

      the National Science and Technology Major Project 2011ZX03004-002-01

      Project supported by the National Science and Technology Major Project (No. 2011ZX03004-002-01) and the Fundamental Research Funds for the Central Universities (No. WK2100230012)

      the Fundamental Research Funds for the Central Universities WK2100230012

      More Information
      • Corresponding author: Bai Xuefei, Email:baixf@ustc.edu.cn
      • Received Date: 2013-01-26
      • Revised Date: 2013-03-20
      • Published Date: 2013-09-01

      Catalog

        /

        DownLoad:  Full-Size Img  PowerPoint
        Return
        Return